- 易迪拓培训,专注于微波、射频、天线设计工程师的培养
Altium Designer 如何快速绘制印刷天线

1、导出上层Dxf格式文件,如下图所示。这里不说明如何导出,以后将会有专门的教程说明如何从HFSS导出所需dxf格式文件。

2、在Altium Designer新建一个pcb文件,并将上述dxf文件导入到pcb文件中,并设置好线宽以及其所在电路层,得到下图:

3、选择需要填充的区域,并重新定义board shape,得到如下图:


4、设置rules,将填充物质与边界间距设置为0。这一步很重要,否则填充后,会发现边界有一定的间隙。


5、开始填充,选择solid填充。并将填充层数设置为top layer层。



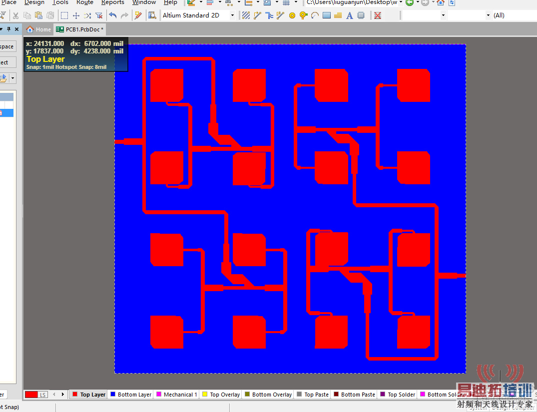
6、得到填充后的版图,可以按照前面的方法,把另外8个天线单元进行填充。这里要特别注意的是,填充只能是针对封闭区间,对于非封闭区间,则只能通过构造封闭区间或者分批次填充的方法进行填充。填充完毕后得到下图:


7、接着将板子外形所在的mechanical layer层和地板bottom layer层绘制好,得到最终的pcb版图,如下图所示:

学习了!
thx for sharing it ...
学习了 我试试看
感觉很有用,留个MARK
您好,小编!
非常感谢您的帖子,对我非常有帮助!再此非常感谢!您的帖子能再详细一些吗,谢谢?
帖子我是按照一步一个截图来写的,应该算比较完整的了。如果你有什么问题,可以给我回帖。
正好需要啊,不错不错
学习了
小编好,请问一下如何同时选中多个封闭区域进行铺铜?
这个方法好像目前只能对一个封闭区间铺铜,多个区间好像不行
学到了,小编厉害
还可以先在CAD中对各封闭区间进行填充分层,再导入AD中设定相应层
是专业的。
申明:网友回复良莠不齐,仅供参考。如需专业帮助,请学习业界专家讲授的天线设计视频培训教程。
上一篇:loop天线实例
下一篇:飞机平台的VHF和HF天线


