- 易迪拓培训,专注于微波、射频、天线设计工程师的培养
CST中离散端口的自阻抗怎么求?
录入:edatop.com 点击:
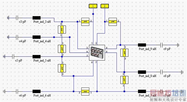
CST MWS中设置了离散端口也就是discrete ports,在DS中联合仿真需要连接各个离散端口的自电感和自电容(也就是第二个图中的Port_ind_x nH和Port_cap_x fF),求问怎么看或者怎么计算它的自阻抗,也就是它的self impedance和self capacitance?






申明:网友回复良莠不齐,仅供参考。如需专业解答,请学习易迪拓培训专家讲授的CST视频培训教程。
上一篇:周期结构出现Floquet ports must be homogeneously filled这个错误怎么办呢
下一篇:antenna magus怎样获得?

