- 易迪拓培训,专注于微波、射频、天线设计工程师的培养
带视频输出的远程保健AM设计注意事项

设计注意事项
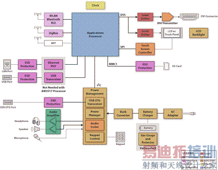
随着慢性疾病的发病率增加,控制医疗成本的需要以及联系老龄化人口的医疗技术正变得越来越重要。远程保健/远程医疗 Aggregation Manager (AM) 是联网医疗系统不可或缺的设备,使个人医疗设备可以将数据记录到远程 EHR(电子医疗记录),以供家庭和临床审查。AM 可以采取手机、个人电脑或专用设备的形式。带视频输出的专用 AM 系统解决方案包括以下主要组件:
应用处理器:OMAP3530 处理器 (http://focus.ti.com.cn/cn/docs/prod/folders/print/lm3s9b92.html) 是基于 ARM Cortex A8 的架构,提供音频、摄像机和视频外设接口。它集成了高清视频加速器以实现 HS 视频流。不需要高清视频流传输的设备供应商应使用成本较低的 AM3517 (docs/sitesearch /searchdevice.tsp;jsessionid=O04VKC2Z3SZMVQC1JAVRVQQ partNumber=omap3530),该器件支持 HD UIs over DVI,但不集成高清视频加速器。两种媒体处理器均附带最新的 Linux 版本并具有代码兼容性。
连接:Continua Health Alliance 致力于建立可互操作的个人医疗解决方案系统。为了通过 Continua Aggregation Manager 认证,设备必须集成至少 1 个个人局域网设备 (PAN) 接口,例如 USB 和蓝牙,以及一个广域网 (WAN) 或局域网 (LAN) 接口,例如以太网、WiFi 和 ZigBee。
电源管理:TPS65950 模拟配套芯片设计为与 OMAP35x 设备一起使用。它包含降压转换器、低压降稳压器 (LDO)、充电器模块、带数字滤波器的整个音频模块、输入放大器和输出 D 类放大器。TPS65950 IC 提供多种附加功能,例如高速 (HS) USB OTG 收发器。
电池管理:为了支持视频流、无线连接和大屏幕,可能需要多节串联和并联的大容量电池。精确的电量监测可以最大化电池的使用率并可确保依次关断。高效电池充电器降低散热量,使系统保持冷却。
DVI:TFP410 是兼容 DVI 1.0 的数字发送器,支持从 VGA 到 UXGA 的 24 位真彩色像素格式的显示分辨率。该通用接口的部分优势包括可选总线宽度、可调信号电平以及差动和单端时钟。
更多医疗电子信息请关注:
21ic
医疗电子频道
射频工程师养成培训教程套装,助您快速成为一名优秀射频工程师...
天线设计工程师培训课程套装,资深专家授课,让天线设计不再难...
上一篇:机器视觉系统的典型结构
下一篇:NS病人监护解决方案

