- 易迪拓培训,专注于微波、射频、天线设计工程师的培养
MIC2829的3G-4G USB无线应用电源技术设计
录入:edatop.com 点击:
MIC2829是Micrel公司的高度集成的电源管理
集成电路
(PMIC),设计用于3G/4G (HEDGE/LTE 与WiMAX) USB无线应用. MIC2829是完整的电源管理解决方案,能给处理器,双路标准的RF(如HEDGE/LTE 或WiMAX)收发器,功率放大器,存储器, USB-PHY相关的I/O接口和其它系统要求提供电源.输入电压为2.7V-5.5V,有六个DC降压稳压器,两个PWM降压稳压器和11个LDO.主要应用在4G LTE USB调制解调器,3G/4G (HEDGE/LTE)无线芯片组,WiMAX调制解调器,Express卡调制解调器,UMPC/笔记本电脑无线数据通信以及手提设备.本文介绍了MIC2829主要特性,方框图, 典型应用框图及其材料清单, MIC2829 评估板电路图和所用板材料清单(BOM).
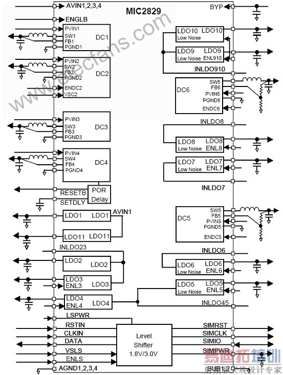
图1.MIC2829功能方框图
图2.MIC2829典型应用框图
典型应用材料清单(BOM):
[p]
MIC2829评估板
图3.MIC2829 评估板电路图
MIC2829 评估板材料清单(BOM):
射频工程师养成培训教程套装,助您快速成为一名优秀射频工程师...
天线设计工程师培训课程套装,资深专家授课,让天线设计不再难...
上一篇:基于FPGA的混合扩频发射机设计与实现
下一篇:硬件开发的基本准则
射频和天线工程师培训课程详情>>

