- 易迪拓培训,专注于微波、射频、天线设计工程师的培养
SPWM的电压反馈型补偿分析
与PWM相比,SPWM发展的更加成熟并且应用也更加广泛。SPWM的补偿电路与PWM稍有不同,其补偿方法能够分为很多种,本文就将对其中的电压反馈型补偿在变频调速系统的应用进行介绍,并给出实例帮助大家理解。
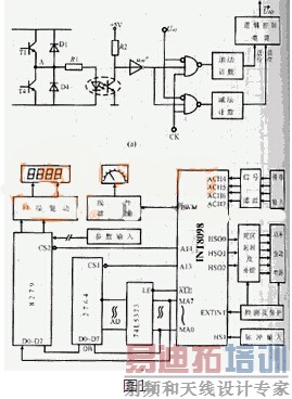
在本例中,死区是按单边不对称方式设置的。补偿电路是按照检测输出电压uAO,并与控制信号波uAO进行比较,用所得的偏差电压udev=uAO-uAO″以补偿控制方式进行补偿的。

udev的相位与电流iA相同,与误差电压uD1.4相反,udev的方程式与uD1.4相似。所含基波与3、5、7…次谐波的成分与uD1.4相同。因此用udev作为补偿电压ucom进行补偿,虽然不如ucom=-uD1.4好,但也是比较理想的。最终可以使输出电压uAO″的波形达到或接近uAO′的水平。补偿的原理电路如图1所示,用光耦检测A点电位uAO″,uAO以SPWM理想控制信号。当uAO″与uAO电平相同时不输入CK信号;当uAO″下降沿迟于uAO下降沿时,CK输入到减法器;当uAO″上升沿迟于uAO上升沿时,CK输入到加法器。这一原理分析表明:如果SPWM脉冲在上升沿产生偏差,则在下个脉冲的上升沿就可以得到补偿,不会产生偏差的积累效应,是一种稳态补偿法。
电压反馈补偿是在SPWM补偿当中较为基础的一种。通过精确的调整能够非常完美的对二极管续流产生的误差波不良进行补偿。此外,SPWM电压反馈补偿方式虽然没有过零点检测的模糊性,但却存在SPWM波的检测精度和检测滞后问题。
射频工程师养成培训教程套装,助您快速成为一名优秀射频工程师...
天线设计工程师培训课程套装,资深专家授课,让天线设计不再难...
上一篇:非接触式IC卡电源产生电路原理与设计
下一篇:有关还是无关?EMI和漏感的那些事

