- 易迪拓培训,专注于微波、射频、天线设计工程师的培养
LDO
引言
便携电子设备不管是由交流市电经过整流(或交流适配器)后供电,还是由蓄电池组供电,工作过程中,电源电压都将在很大范围内变化。比如单体锂离子电池充足电时的电压为4.2V,放完电后的电压为2.3V,变化范围很大。各种整流器的输出电压不仅受市电电压变化的影响,还受负载变化的影响。为了保证供电电压稳定不变,几乎所有的电子设备都采用稳压器供电。小型精密电子设备还要求电源非常干净(无纹波、无噪声),以免影响电子设备正常工作。为了满足精密电子设备的要求,应在电源的输入端加入线性稳压器,以保证电源电压恒定和实现有源噪声滤波[1]。
一.LDO的基本原理
低压差线性稳压器(LDO)的基本电路如图1-1所示,该电路由串联调整管VT、取样电阻R1和R2、比较放大器A组成。
取样电压加在比较器A的同相输入端,与加在反相输入端的基准电压Uref相比较,两者的差值经放大器A放大后,控制串联调整管的压降,从而稳定输出电压。当输出电压Uout降低时,基准电压与取样电压的差值增加,比较放大器输出的驱动电流增加,串联调整管压降减小,从而使输出电压升高。相反,若输出电压Uout超过所需要的设定值,比较放大器输出的前驱动电流减小,从而使输出电压降低。供电过程中,输出电压校正连续进行,调整时间只受比较放大器和输出晶体管回路反应速度的限制。

图1-1 低压差线性稳压器基本电路
应当说明,实际的线性稳压器还应当具有许多其它的功能,比如负载短路保护、过压关断、过热关断、反接保护等,而且串联调整管也可以采用MOSFET。
二.低压差线性稳压器的主要参数
1.输出电压(Output Voltage)
输出电压是低压差线性稳压器最重要的参数,也是电子设备设计者选用稳压器时首先应考虑的参数。低压差线性稳压器有固定输出电压和可调输出电压两种类型。固定输出电压稳压器使用比较方便,而且由于输出电压是经过厂家精密调整的,所以稳压器精度很高。但是其设定的输出电压数值均为常用电压值,不可能满足所有的应用要求,但是外接元件数值的变化将影响稳定精度。
2.最大输出电流(Maximum Output Current)
用电设备的功率不同,要求稳压器输出的最大电流也不相同。通常,输出电流越大的稳压器成本越高。为了降低成本,在多只稳压器组成的供电系统中,应根据各部分所需的电流值选择适当的稳压器。
3.输入输出电压差(Dropout Voltage)
输入输出电压差是低压差线性稳压器最重要的参数。在保证输出电压稳定的条件下,该电压压差越低,线性稳压器的性能就越好。比如,5.0V的低压差线性稳压器,只要输入5.5V电压,就能使输出电压稳定在5.0V。
4.接地电流(Ground Pin Current)
接地电路IGND是指串联调整管输出电流为零时,输入电源提供的稳压器工作电流。该电流有时也称为静态电流,但是采用PNP晶体管作串联调整管元件时,这种习惯叫法是不正确的。通常较理想的低压差稳压器的接地电流很小。
5.负载调整率(Load Regulation)
负载调整率可以通过图2-1和式2-1来定义,LDO的负载调整率越小,说明LDO抑制负载干扰的能力越强。

图2-1 输出电压和输出电流

式中
△Vload—负载调整率
Imax—LDO最大输出电流
Vt—输出电流为Imax时,LDO的输出电压
Vo—输出电流为0.1mA时,LDO的输出电压
△V—负载电流分别为0.1mA和Imax时的输出电压之差
[p]
6.线性调整率(Line Regulation)
线性调整率可以通过图2-2和式2-2来定义,LDO的线性调整率越小,输入电压变化对输出电压影响越小,LDO的性能越好。

图2-2输出电压和输入电压的关系

式中
△Vline—LDO线性调整率
Vo—LDO名义输出电压
Vmax—LDO最大输入电压
△V—LDO输入Vo到Vmax'输出电压最大值和最小值之差
7.电源抑制比(PSSR)
LDO的输入源往往许多干扰信号存在。PSRR反映了LDO对于这些干扰信号的抑制能力。
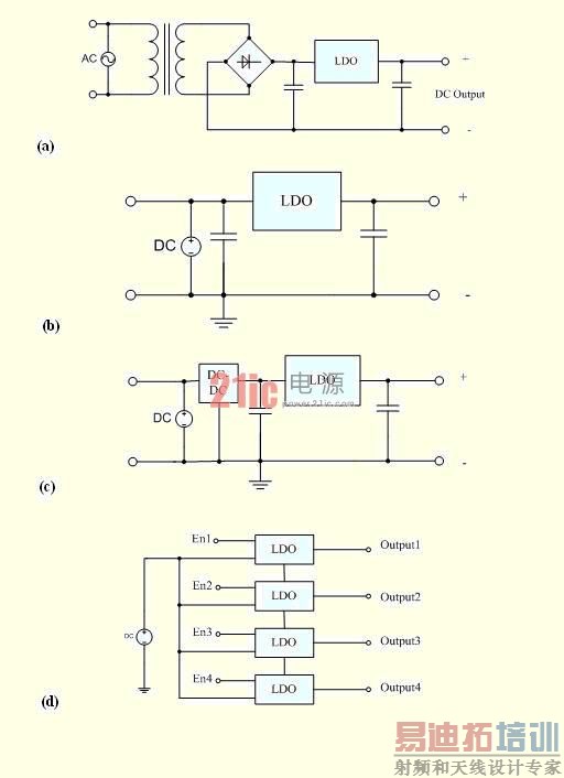
三.LDO的典型应用
低压差线性稳压器的典型应用如图3-1所示。图3-1(a)所示电路是一种最常见的AC/DC电源,交流电源电压经变压器后,变换成所需要的电压,该电压经整流后变为直流电压。在该电路中,低压差线性稳压器的作用是:在交流电源电压或负载变化时稳定输出电压,抑制纹波电压,消除电源产生的交流噪声。
各种蓄电池的工作电压都在一定范围内变化。为了保证蓄电池组输出恒定电压,通常都应当在电池组输出端接入低压差线性稳压器,如图3-1(b)所示。低压差线性稳压器的功率较低,因此可以延长蓄电池的使用寿命。同时,由于低压差线性稳压器的输出电压与输入电压接近,因此在蓄电池接近放电完毕时,仍可保证输出电压稳定。
众所周知,开关性稳压电源的效率很高,但输出纹波电压较高,噪声较大,电压调整率等性能也较差,特别是对模拟电路供电时,将产生较大的影响。在开关性稳压器输出端接入低压差线性稳压器,如图2-3(c)所示,就可以实现有源滤波,而且也可大大提高输出电压的稳压精度,同时电源系统的效率也不会明显降低。
在某些应用中,比如无线电通信设备通常只有一足电池供电,但各部分电路常常采用互相隔离的不同电压,因此必须由多只稳压器供电。为了节省共电池的电量,通常设备不工作时,都希望低压差线性稳压器工作于睡眠状态。为此,要求线性稳压器具有使能控制端。有单组蓄电池供电的多路输出且具有通断控制功能的供电系统如图3-1(d)所示。
[p]

图3-1 低压差线性稳压器(LDO)典型应用
四.国内LDO发展概况
中国集成电路(IC)产业经过40余年的发展,已经形成了一个良好的产业基础,并已经进入了一个加速发展的新阶段[2]。借鉴国外先进技术,充分利用国内优惠政策,是当前国内各个IC公司发展的立足点。
作为被广泛应用于手机、DVD、数码相机以及Mp3等多种消费类电子产品中的稳压芯片,LDO已引起人们的高度重视。国内早期从事LDO生产的圣邦微电子有限公司生产的SG2001、SG2002及SG2003系列LDO,足以满足当前市场上主流电压、电流的需要;它的SG2004、SG2011以及SG2012系列产品,非常适合于大电流负载应用;而它的SGM2007/2006/2005系列RF LDO更适用于手机电源的应用。尽管是国产芯片,但这些芯片的性能丝毫不逊色于国外同类产品,而价格更适合于当前国内市场。
由此看来,国内与国外IC发展的差距将不会越来越大,每个国人都可以相信,中国不仅可以成为IC产业的新兴地区,更能成为世界IC强国。
参考文献
1.王国华,王鸿麟,羊彦等.便携电子设备电源管理技术.西安电子科技大学出版社.2004,1
2.蔺建文.正在崛起的中国集成电路产业.国家集成电路设计西安产业化基地.2002
射频工程师养成培训教程套装,助您快速成为一名优秀射频工程师...
天线设计工程师培训课程套装,资深专家授课,让天线设计不再难...
上一篇:教你在电路板设计中通过传输线抑制EMI
下一篇:一种低电压大电流的线性的设计和实现

