- 易迪拓培训,专注于微波、射频、天线设计工程师的培养
很奇怪的DRC错误,希望高手来解决!
录入:edatop.com 点击:
同一个网络连接会出现ml错误,
根本就没有错误,却报出一个ms错误!
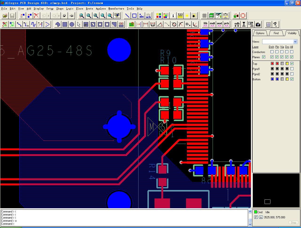
如图!
希望高手能帮我解决!谢谢!


不奇怪,cline segs 的问题
怎么解决呢?希望jiwenf_182说明白一点好吗?
谢谢!
使用show element 显示是:soldmask与shape的错误!(ms)
(ml)soldmask与client的spacing
我查了一本书 都还没有 发现有ms和ml这样的问题 也来学习一下 请高手解答了
非高手
Cadence Allegro 培训套装,视频教学,直观易学
上一篇:ALLEGRO中怎么将铺的铜整块显示
下一篇:cadence15.51谁需要?我有

