- 易迪拓培训,专注于微波、射频、天线设计工程师的培养
cadence对话框字体怎么改变大小
录入:edatop.com 点击:
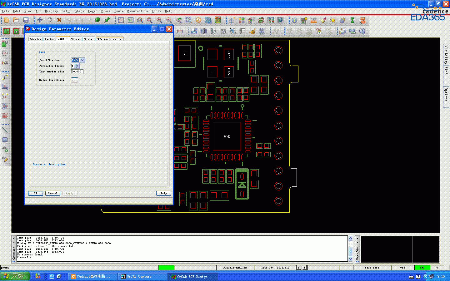
打开cadence时,那些对话框字体很小,看不清楚,怎么改大一小哟

在这里改.

谢谢大师指点哟
谢谢大师指点
Cadence Allegro 培训套装,视频教学,直观易学
上一篇:怎么分割电源层?
下一篇:请教一个关于allegro导入dxf的问题

