- 易迪拓培训,专注于微波、射频、天线设计工程师的培养
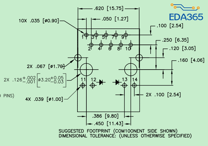
这个是TOP图还是BOTTOM图
录入:edatop.com 点击:
这个是TOP图还是BOTTOM图?

下方有写component side,应该理解为top层。
这是网口封装吧
没有 P/N 吗? 光看尺寸图,很难知道是 TOP 还是 Bottom
说了是建议的footprint,直接把这个图画成封装就对了
说了是建议的footprint,直接把这个图画成封装就对了
理解为TOP面视
这是别人给你的封装 直接按这个画就行了
二楼正解
上面都写建议封装了
这个是LAN Connector,应该是ToP层
二楼正解,带灯的网口。
Suggested FootPrint ,按这个做封装就可以了。
对的,是TOP的
top俯视图
Cadence Allegro 培训套装,视频教学,直观易学
上一篇:高手们,请教一个10层HDI板二阶主设计的问题
下一篇:關於疊構的銅厚問題

