- 易迪拓培训,专注于微波、射频、天线设计工程师的培养
关于PCB封装top view和bottom view哪个对的问题?
录入:edatop.com 点击:
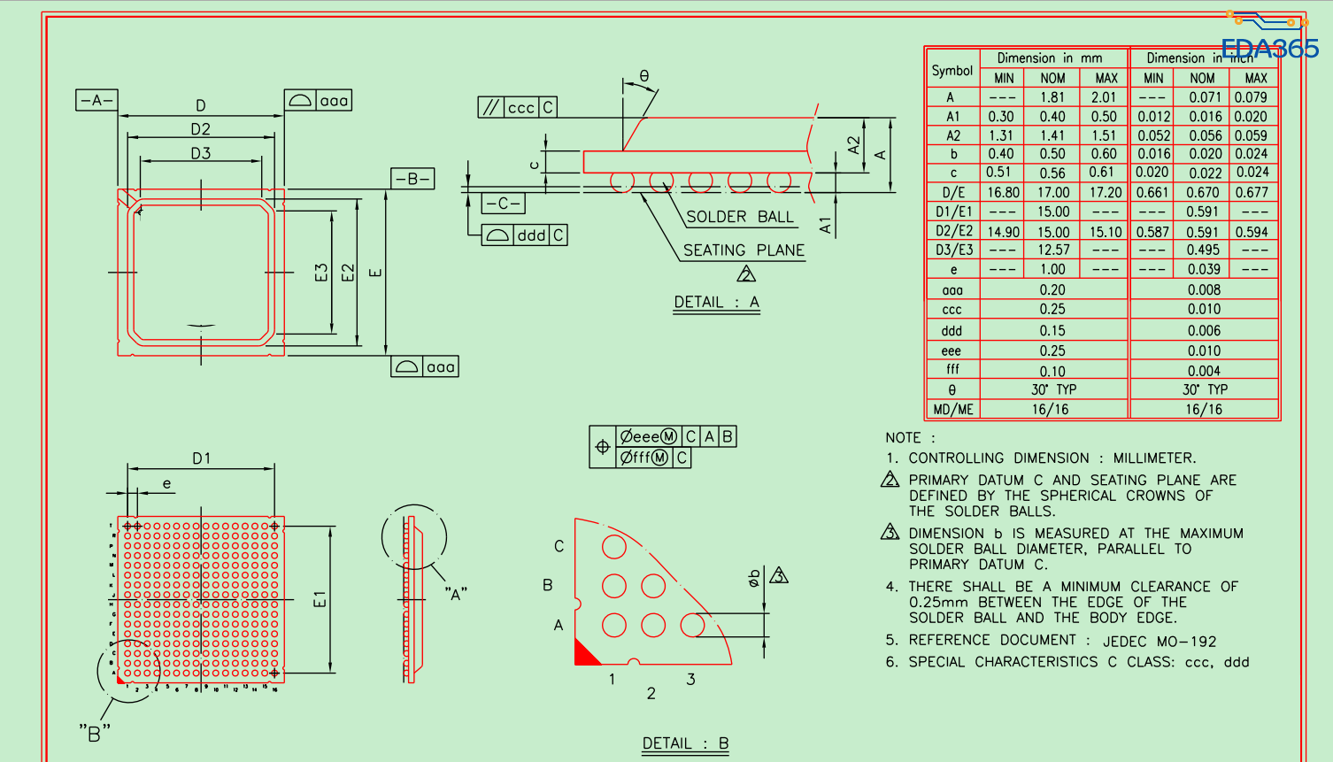
关于PCB封装top view和bottom view哪个对的问题?如下图,图2对还是图3对
图纸

图2

图3

图 2 对。
谢谢
为何是图2对呢?pdf文件中并没有标注是否为bottom view啊!求解释!
有一种规范叫约定俗成,目前还没有BGA把管脚朝上的焊接技术,所以图一的左上角是顶视图,做了A1脚的特别标记,图一的左下角是底视图。
一般正面看下去是看不到PIN脚的 背面看上来才能看到PIN脚 BGA的PDF一般A1pin脚是有做标记
cadence 默认A1在左上角,而且透视。2应该是std的,因为是透视,两种应该是都正确的,个人意见

都正确是个什么意思? 封装又不是真是器件 是真是器件需要焊上去的地方
Cadence Allegro 培训套装,视频教学,直观易学
上一篇:allegro生成网表错误
下一篇:15.x就像XP,16.X就像WIN7

