- 易迪拓培训,专注于微波、射频、天线设计工程师的培养
新人求助:关于LP VIEWER的错误提示。
录入:edatop.com 点击:
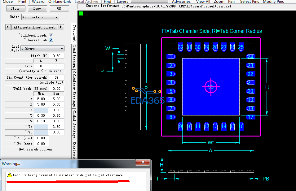
1.我用lpviewer做元件封装时,遇到错误提示。参数都是按照datasheet输入的。
哪位大神能告诉我这句提示是什么意思,我哪个参数设置的不对啊?
提示:land is being trimmed to maintain side pad to pad clearance

2.当datasheet中有min nom max三个值时,

对应的lpviewer里面只能填一个,那这种情况应该添哪一个值呀?
Cadence Allegro 培训套装,视频教学,直观易学
上一篇:6层板加到8层的问题。
下一篇:ALLEGRO中怎样使用无焊盘设计

