- 易迪拓培训,专注于微波、射频、天线设计工程师的培养
关于QFP的封装计算方式问题提问.
录入:edatop.com 点击:
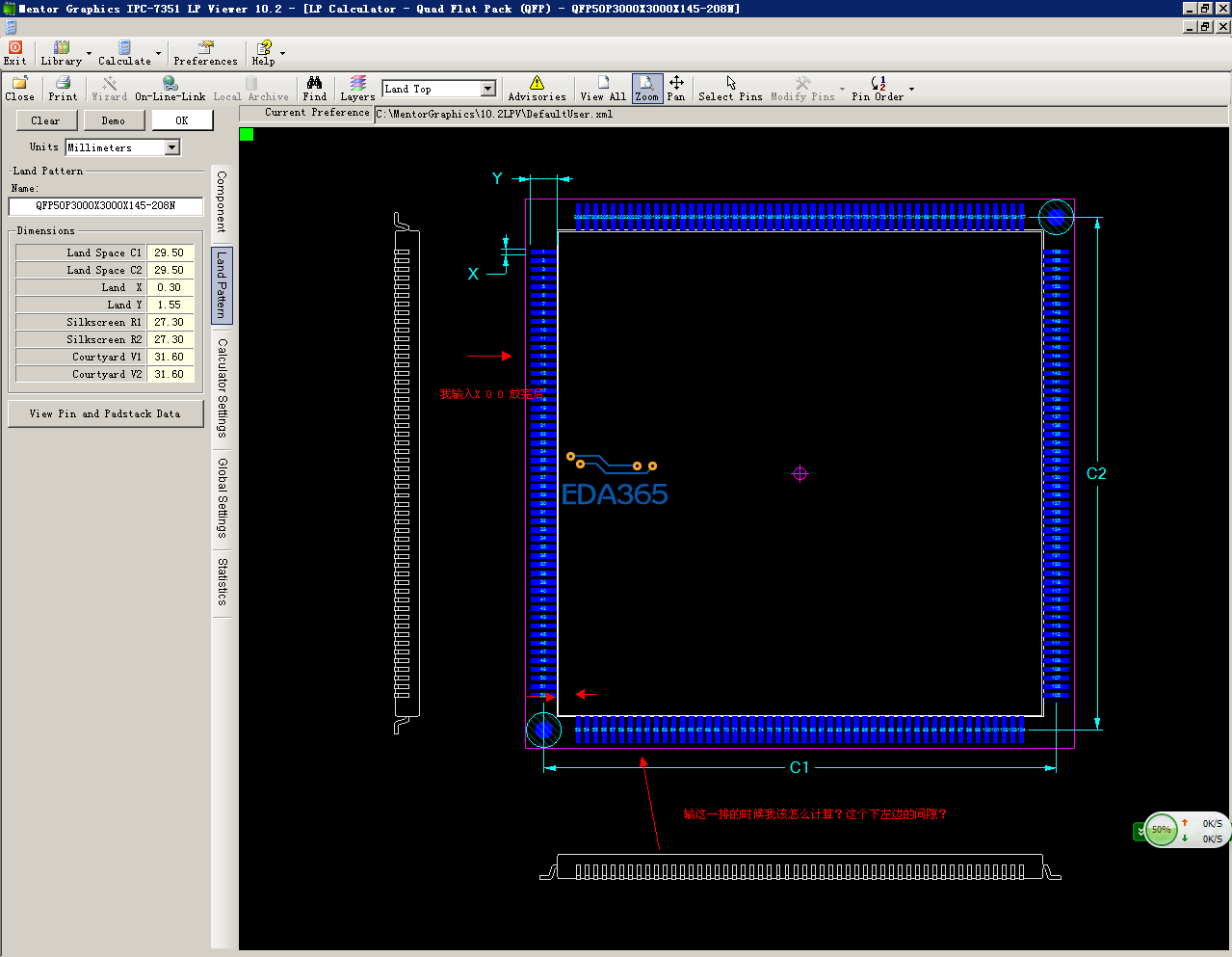
1,近几日在已经学习到画QFP的封装,但有个问题一直无法解决,我在制作封装的时候,我怎么计算出这个芯片的间距\图一

两边平均分就好了
恩,谢谢了,我弄明白了
Cadence Allegro 培训套装,视频教学,直观易学
上一篇:跪求原理图错误中翻译笔记看大图
下一篇:關於主機板的ESATA 跟HDMI

