- 易迪拓培训,专注于微波、射频、天线设计工程师的培养
『请教』光绘文件的问题
录入:edatop.com 点击:
新学,做了一个简单的PCB,然后按照一般的教程的做法,生成了光绘,交给厂商,回复说看不到光绘,不得已,自己下载了一个CAM350导入来看看,发现光绘倒是有,不过有几个地方似乎有问题,贴上来,请大虾们有空的时候赐教赐教,不甚感激!
1、导入设置
2、整体面板
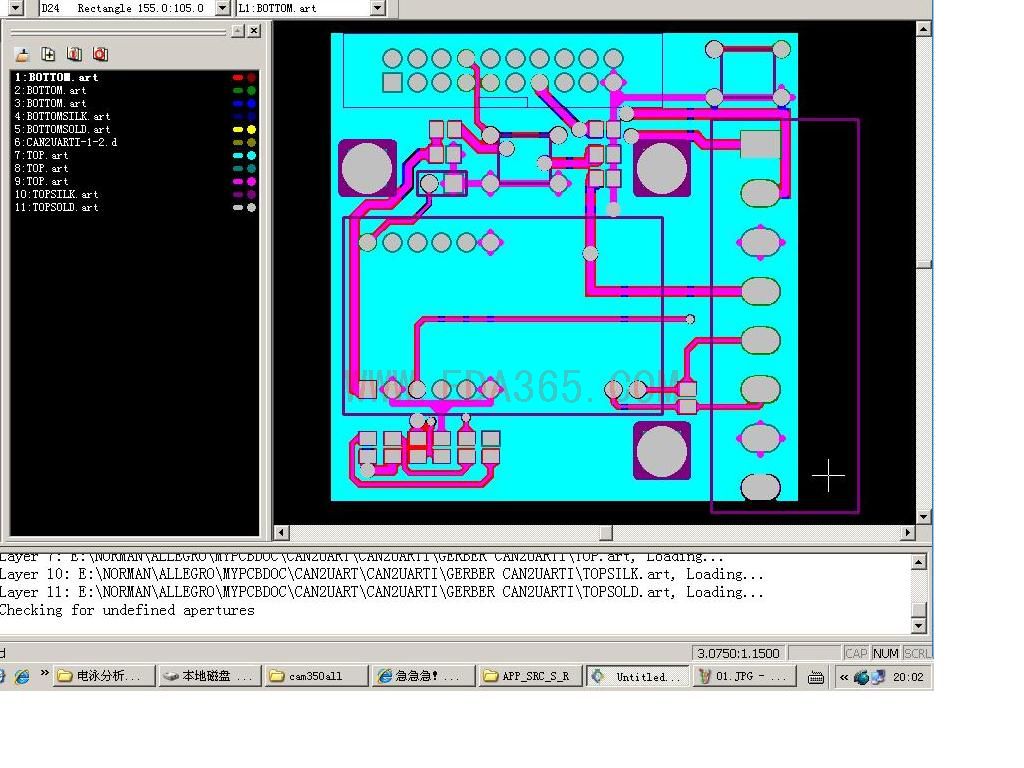
3、底层-好像是敷铜,这里就有问题了,几个接插件通孔没有了。
4、对比下面两个图,更不明白了,有些地方有,有的地方就没有。(这两张应该是底层的)
5、底层Soldermask-这个好像是完整的
6、以下是顶层的-感觉上明显有的孔在某些层面上被“堵”住了。我检查过焊盘,只要是一个封装的,都是用的同一种焊盘,没理由有的有,有的没有嘛。
7、生成的所需要的光绘文件,不知道是不是这些。
8、我怀疑是敷铜的设置可能有问题,因为生成光绘的时候我用的是动态铜箔,前两天看有人说需要转成静态铜箔,小弟不才,还没有搞懂,于是就没有改。
不过我也做了一个实验,就是不进行敷铜,然后看有什么不同。下面就是没有敷铜的结果(这是另一块板子,走线和布局有所变化)。
结果发现,顶层和底层都少了两张光绘,这个是为什么呢?难道铜箔要单独出光绘吗?
还有一个问题就是我的.drl文件也没有内容。
把PCB也贴上来吧,方便观察。
有点乱,不知道是否能够表达我的意思?
打扰大家了~
出钻孔时,一定要把所有via层全部显示
否则钻孔会不准确
另外光辉文件是不是少加什么层
不太清楚
估計是Cam350 版本太低才會分層顯示的.
多谢大家~
添加的光绘层应该没有问题:下面是我添加的层面
CAM版本有关系吗?我马上实验一下。
另外,我出钻孔的时候显示面板是这样的,不知道这样是不是就可以了?
我在论坛一个贴子上看到有一个tape文件(.tap)跟钻孔有关。不知道是什么意思?好像152没有这个文件啊?
再次感谢!
多谢4#忘顰的提醒,我用V10的CAM导入光绘来看,就能够完整的看到光绘,但是我不确定是不是没有问题了,呵呵,直接发给厂商检查检查吧。
1、Bottom
2、BottomSilk<没有具体光绘,故略>
3、BottomSolder
4、Top
5、TopSilk
6、TopSolder
钻孔文件也能够读取了,不过是在另外一个选项组里面,不过好像显示的有一点点小,不知道能不能设置?
7、Drill
非常感谢大家都帮助!
发现一个严重的问题,不知道是不是错误?
我的板子比较小,但是钻孔文件却占据了很大的空间,是缩放了吗?也没有在哪里有这个设置啊?当时只记得放了一个NC Drill legend在板子旁边。
不懂这个有什么关系。
厂家返回信息来了,跟我发现的问题一样,板子没有出外框的光绘,我找了半天,出光绘的过程好像也没有什么地方有问题啊?难道是最开始的外框定义就没有弄好?
请大虾们赐教!谢谢!
恩,发现用CAM350看的时候对精度要求比较高,不然很容易有误差。
刚刚才找到厂家返回没有外框的问题原因,是没有添加Manufacture->photoplot outline,而且我发现以前在学布线的时候,那个教程连photoplot outline都没有提到啊,虽然很多人说没有什么关系,但是还是让我费了不少劲啊。这个不好的教程比较害人啊。早知道去看帮助去了。
Cadence Allegro 培训套装,视频教学,直观易学
上一篇:SPB16.2 平行对设定
下一篇:allegro在保存时出现的问题

