- 易迪拓培训,专注于微波、射频、天线设计工程师的培养
请教资深工程师个问题
录入:edatop.com 点击:
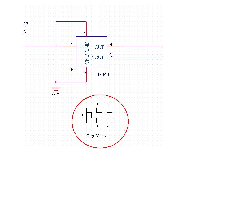
请教,如何在原理图中增加元件封装的 TOP VIEW,见下图:

先谢谢了!

先谢谢了!
不是很白你的意思,不过可以有2D线画
我的意思是能不能自动增加
Cadence Allegro 培训套装,视频教学,直观易学
上一篇:关于建库
下一篇:ORCAD中的这个问题,让我感到很头疼,请大家帮帮忙

