• 易迪拓培训,专注于微波、射频、天线设计工程师的培养
首页 > 电子设计 > PCB设计 > Orcad技术问题 > 放大器偏压电路测试

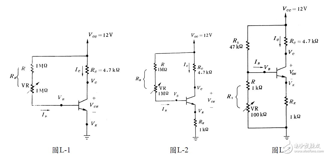
放大器偏压电路测试

录入:edatop.com     点击:
请问怎麼用pspice模拟出上面的电路图,希望能有详细的过程还有最后模拟出来的结果

擷取.PNG

求结果

Cadence Allegro 培训套装,视频教学,直观易学

上一篇:我装了orcad10.5用了很久了
下一篇:ORCAD怎样批量定义net aliases名称

PCB设计培训课程推荐详情>>

  网站地图