- 易迪拓培训,专注于微波、射频、天线设计工程师的培养
从xDM Library中编辑symbol时出问题
licensing里的设置,是不是如图?

不明白你的意思。自己在symbol里面加一个属性就可以了。为symbol编辑器里面本来就没有的
license的设置与您发的图是一样的
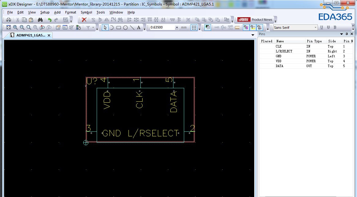
如下图是我安装的VX.1版本的xDM Library的symbol编辑器界面,不知道各位是不是也是这种界面,这个界面就是沿袭了xDX Designer的界面,这个编辑器界面在建symbol时相当不好用,没有7.9.5的symbol编辑器好用。举个例子,需要伸缩symbol的外框时,需要点一下Format-stretch才能去伸缩外框,特别不好

貌似是有法子使用以前的那个editor的。好似将以前的那个editor改名貌似可以,不过不建议,毕竟稳定性可能没保证
怎么改啊?
你那图是原理图界面,不是symbol 编辑器界面。你打开xdm library manager在symbol区进入
64bit的问题,是不是你装了32bit的程序,这个是有区别的。建议64bit系统装64bit的程序



建议没事还是不要改的好,这个仅供参考,实用性没试验过
不行啊,行哪儿进去都一样啊
按照你的方法改过来了,但是每次编辑一下的时候会出现如图的错误,这是怎么回事呢?

抱歉,我用的是pads,你的情况没遇到过。xpedition hold不住,所以放弃了,不过以前我没遇过这情况
没事,还是谢谢你了,这个错误不影响使用

其实新版的symbol编辑器貌似除了这种三角形填充的无法实现,其他的都是可以得,所以个人建议还是切回到新版
外框的缩放也比较麻烦,必须点strech才能缩放
可能有快捷键,不过我找不到。
刚才试了下,没出现你说的问题
Cadence Allegro 培训套装,视频教学,直观易学
上一篇:位号随器件旋转
下一篇:Xpedition:属性是否会随符号一起旋转?

