- 易迪拓培训,专注于微波、射频、天线设计工程师的培养
新人这两个参数是什么意思?指的是哪里?
录入:edatop.com 点击:
这两个参数是什么意思?指的是哪里?
看得清楚嗎?
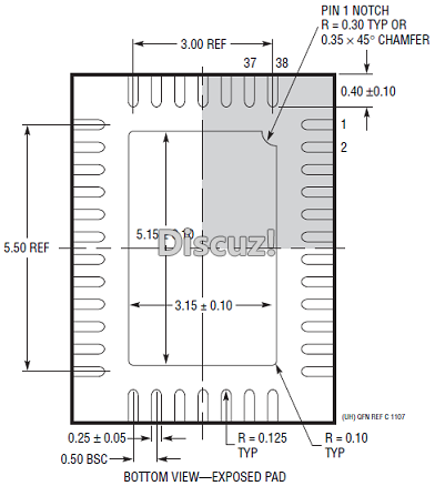
Ft = Tab Chamfer Side = 散熱銲盤 Pin 1 斜切角弧形半徑。
Rt = Tab Corner Radius = 散熱銲盤 Pin 1 斜切角以外,其它三個角弧形半徑。


大婶,你厉害。
Cadence Allegro 培训套装,视频教学,直观易学
上一篇:求expedition PCB 各个License的含义
下一篇:MENTOR EE7.9.4安装和破解说明和过程? 我要申请精华贴

