- 易迪拓培训,专注于微波、射频、天线设计工程师的培养
AD9怎么设计锡膏防护层?
录入:edatop.com 点击:
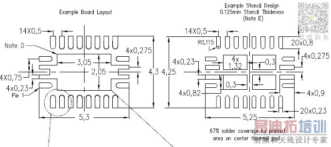
TI的充电芯片BQ24104芯片要求锡膏防护层和阻焊层不一样,如下图左边是阻焊层,右边是锡膏防护层。AD9里面好像不能分开设计,谁知道AD9怎么做?
可以在焊盘中定义大小啊,在焊盘属性的右下角
终于搞清楚了,做焊盘时候先把焊盘TOPPASTE层设置为空,再根据钢网层添加焊盘,把此焊盘设置层TOPASTE层就可以了。
我额外问一句啊 ,阻焊层 比焊盘大 这样操作的目的是什么呀
防止绿油盖到焊盘上

