- 易迪拓培训,专注于微波、射频、天线设计工程师的培养
资深工程师进来帮帮小的吧急急急
录入:edatop.com 点击:

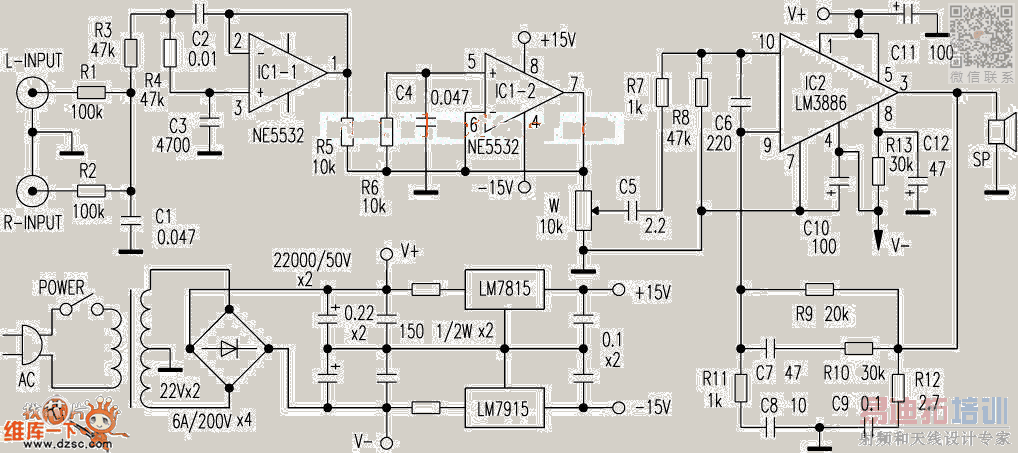
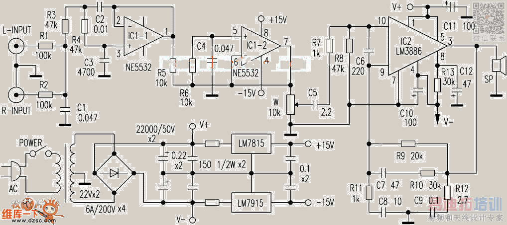
图上的几个符号代表什么电子元器件啊? 高手指导指导 急急 急急 小图的那个颜色更深的的要连接在哪里啊?
就是这个没有连接负极的 黑色 最底下这条 要连在哪里啊?
[求助]高手!进来帮帮小的吧!急急急!

[求助]高手!进来帮帮小的吧!急急急!
运算放大器,接地
Cadence Allegro 培训套装,视频教学,直观易学
上一篇: altium designer 09 PCB的polygon的 几个问题
下一篇:关于新版本altium使用99se库文件问题

