- 易迪拓培训,专注于微波、射频、天线设计工程师的培养
是什么LAYOUT软件
录入:edatop.com 点击:
请问大家,如下图的PCB 是用哪个软件设计的?
好象是protel的风格
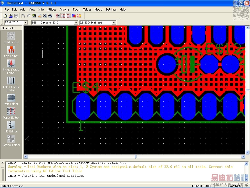
这个是CAM 350的 也可以来画图 主要用做PCB制板前的
CAM 350
从钻孔的后缀drd, 了字符的字体,器件的封装 看这个gerber的原始设计软件 eagle ,德国的一个软件
pcb的后缀为*.brd
Cadence Allegro 培训套装,视频教学,直观易学
上一篇:同步pcb的问题
下一篇:手动步线,怎么设网络

