- 易迪拓培训,专注于微波、射频、天线设计工程师的培养
一些IC封装的长度标识中,BSC是什么意思?
录入:edatop.com 点击:
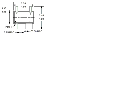
一些IC封装的长度标识中,BSC是什么意思啊?如图:


没见过
脚间距,BSC是指基本值,其它还有TYP(典型值),REF参考值,单位一般会在资料里说明
Cadence Allegro 培训套装,视频教学,直观易学
上一篇:99SE中郁闷死人的问题(求救)
下一篇:如何画椭圆形PCB

