- 易迪拓培训,专注于微波、射频、天线设计工程师的培养
AD10原理图元件没有连不报错
录入:edatop.com 点击:
这个问题困扰了好几天了,
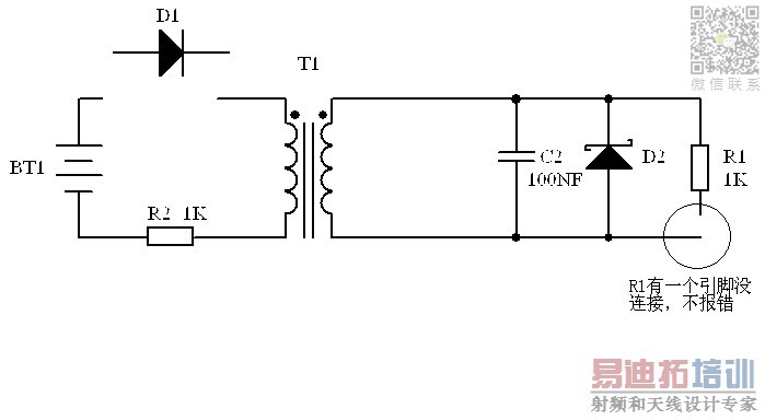
如图R1有一个脚没有连接,不报错。
在元件规则里没有找到相关的设置。
只在网络规则里找到了下面这三项与连接有关的选项:
1.【Nets with onlyone pin】:一个网络只存在一个管脚;
2.【Unconnected objects in net】:网络中的元件出现未连接的对象;
3.【Unconnected wires】:原理图中存在没有电气连接的导线。
但是这三项都设为ERROR再检查还是不报错,是软件破解的问题还是哪里还要设置。
百度没有找到答案,问了同事,他们都说不会报错,我想这么强大的软件,这检查不出来,应该不可能啊。
如图R1有一个脚没有连接,不报错。
在元件规则里没有找到相关的设置。
只在网络规则里找到了下面这三项与连接有关的选项:
1.【Nets with onlyone pin】:一个网络只存在一个管脚;
2.【Unconnected objects in net】:网络中的元件出现未连接的对象;
3.【Unconnected wires】:原理图中存在没有电气连接的导线。
但是这三项都设为ERROR再检查还是不报错,是软件破解的问题还是哪里还要设置。
百度没有找到答案,问了同事,他们都说不会报错,我想这么强大的软件,这检查不出来,应该不可能啊。
图片限制的太小了,只有转成黑白的

AD10的原理图中,规则默认元器件管脚不连的话,是不报错的。
設置這列為error以上等級,Compile Project就會報錯

按楼上的方式设置解决,谢谢。
顶4楼!

