- 易迪拓培训,专注于微波、射频、天线设计工程师的培养
高频双半波整流电路改进设计
1引言
在低压输出的推挽、桥式、半桥式开关电源电路中,变压器的次级多采用传统型双半桥整流电路。但该电路中变压器的结构复杂,而且要求变压器的容量相对较大。本文介绍的改进型双半波整流电路能实现对推挽、桥式、半桥式等电路结构的简化并提高隔离变压器利用率。下面对比分析两种整流电路的工作原理。
2传统双半波整流电路
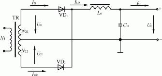
传统双半波整流电路中变压器次级线圈中心抽头接输出负端。中心抽头将次级线圈分成为两个极性相反的电势源和漏感。但是它们的磁结构却不能达到理想状态,而且两个漏感由于不可能完全相等而产生的起始偏差对电路的正常工作有很大影响。另外,隔离变压器的初级线圈因续流而短路,这期间续流对次级线圈中的电流分配也有影响。以上这些都是传统双半波整流应注意的问题。
这种电路的工作原理及其工作过程如下:
根据图1所示,在每一个工作周期的正半周的有效期间,VD1处于导通状态,VD2为阻断状态。通过电感LO的电流ILO流过N21,而N22上无电流。在续流期间,N21、N22两端电压为0。理论上,输出电流应在次级线圈N21、N22之间均匀分布。但实际上,由于漏感与实际的磁路结构有关,输出电流在N21、N22之间不可能是均匀分配的。
N21释放出大部分能量,I21减小,N22通过漏感和其有效电压使电流增加,从而完成续流过程。在负半周的有效期间VD1处于阻断,VD2导通,N22、VD2承担LO上所有电流。再下一个续流期间,N21、N22两端电压又都变为0,与上述的续流期间一样N22释放电流(主要波形见图2)。
由上述分析可知:N21、N22不仅在续流期间供给负载电流,而且各线圈在相连的二极管导通时也提供负载电流。这样,不仅增加了线圈的电流有效值使变压器容量加大,而且两线圈的磁路结构不同也会造成其电流值与理论值有较大差异。
3改进型双半波整流电路
为了完成从传统双半波整流到改进型双半波整流的转化,可以利用单端正激型变换器的工作原理,把变压器的工作过程分解为两个部分,即正半周工作过程和负半周工作过程。这样可得到图3所示电路,即改进型双半波整流电路。它是由一个没有抽头的变压器次级线圈、两个相同的整流二极管、两个独立相同的滤波电感和与传统双半波整流电路相同的滤波电容所组成。

图1传统双半波整流电路

图2传统双半波整流电路波形

图3改进型双半波整流电路

图4改进型双半波整流电路波形
该电路的工作过程为:在每个工作周期的正半周有效期间,变压器次级线圈两端电压U2为正,VD1正偏导通,VD2反偏阻断,VD1同时处于整流和续流工作状态。L1通过VD1、通路续流放电。L2的电流流过变压器的次级线圈,与VD1、C形成闭合回路。输出电流是两个滤波电感电流IL1、IL2的直流分量的总和。变压器在正半周有效期间内只流过了负载电流的一半,L1两端电压 UL1为负值,IL1逐渐减小,UL2为正,IL2增加。正半周有效期间过后,随之而来的是一个续流间隔,U2电压为0,I2迅速下降到0。VD2导通形成L2的续流通路,IL1继续减小,UL2变为负值,IL2随之减小。在负半周有效期间到来时,变压器次级线圈电压U2变为负,VD2处于正偏导通,VD1反偏阻断。同理,VD2也同时具有整流和续流的作用,变压器次级线圈上电流I2迅速改变方向,其大小等于L1上的电流值IL1。VD2整流过程中,变压器次级线圈、VD2、C及L1构成回路,L1两端电压UL1变正,L1储能,电流IL1开始增加。L2通过VD2续流释放储能,IL2电流下降,当U2再次为0时,又一次续流开始,L1两端电压UL1变负,使IL1减少,L2的电流仍保持下降。然后重复上述过程(主要波形如图4)。
4对比分析
从传统双半波整流和改进型双半波整流电路的工作原理分析比较中可以看出,后者不需要中心抽头,也就省了由于中心抽头带来的匝数和磁结构不均衡现象。从而消除了因磁结构不对称造成的次级线圈中直流分量不能抵消而产生的直流磁化问题。并且减小了变压器的容量,简化电路的结构,并且降低了功耗,减小了变压器的尺寸。改进型双半波整流电路中二极管和滤波电容的应力都与传统双半波整流相同,只是附加了一个滤波电感,每个滤波电感上的电流仅为输出电流的一半。两个滤波电感上的纹波电流相互抵消或部分抵消,这样可以减小滤波电容的容量或减小滤波电感的电感量,而且其变压器次级线圈承担大约一半的输出电流,次级线圈电流容量减小为前者的,如果考虑续流,则可继续减小约7%。因此,改进型双半波整流技术为使用推挽、桥式、半桥式电路提供了一更为简单的电路结构。
如何成为一名优秀的射频工程师,敬请关注: 射频工程师养成培训
上一篇:基于LTCC的LNA小型化设计
下一篇:NI发布新型PXI RF矢量信号分析仪

