- 易迪拓培训,专注于微波、射频、天线设计工程师的培养
电容电感在射频电路的作用
录入:edatop.com 点击:
在一个大的电容上还并联一个小电容的原因
大电容由于容量大,所以体积一般也比较大,且通常使用多层卷绕的方式制作,这就导致了大电容的分布电感比较大(也叫等效串联电感,英文简称ESL)。大家知道,电感对高频信号的阻抗是很大的,所以,大电容的高频性能不好。而一些小容量电容则刚刚相反,由于容量小,因此体积可以做得很小(缩短了引线,就减小了ESL,因为一段导线也可以看成是一个电感的),而且常使用平板电容的结构,这样小容量电容就有很小ESL这样它就具有了很好的高频性能,但由于容量小的缘故,对低频信号的阻抗大。所以,如果我们为了让低频、高频信号都可以很好的通过,就采用一个大电容再并上一个小电容的方式。常使用的小电容为0.1uF的瓷片电容,当频率更高时,还可并联更小的电容,例如几pF,几百pF的。而在数字电路中,一般要给每个芯片的电源引脚上并联一个0.1uF的电容到地(这个电容叫做退耦电容,当然也可以理解为电源滤波电容,越靠近芯片越好),因为在这些地方的信号主要是高频信号,使用较小的电容滤波就可以了。
一般滤波是用两个电容并联,一个大,一个小,如0.1UF 100PF 并联,这样大的可以滤除低频,而且还可以蓄容,是电压纹波降低。而小的电容滤除高频。起旁路作用因为电容的特性是通高频,阻低频,这样组合比较好,一般在高频地方,都接一个小电容,起旁路作用。




对于微波大功率供电电路电感一般是不用的,尤其是高频,都是设计为1/4λ的短路线。


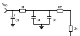
图 4.4 电源偏置电路
在功放的偏置电路中,也可以是有电阻串连供电(如图 4.4),因为栅极大电流一般是很小的,加电阻对功放对偏置没有什么影响,还可以更好的改变偏置电源对功放对影响,增加电路的稳定性。如图4.4。电阻R2 一般取5~12 欧姆。R1 可以取大一点,1K 即可。
地线铺铜:
在一些模拟电路中,没有用到的区域会用一大片的接地(铺铜)来覆盖,用来提供屏蔽和提高去耦作用。但假如这块铜皮是浮接的(即没有接到地),这块铜皮的作用可能会相当于一个天线,可能产生EMC 问题。
正确选择单点接地与多点接地:在低频电路中,信号的工作频率小于1MHz,它的布线和器件间的电感影响较小,而接地电路形成的环流对干扰影响较大,因而应采用一点接地。当信号工作频率大于10MHz 时,地线阻抗变得很大,此时应尽量降低地线阻抗,应采用就近多点接地。当工作频率在1~10MHz 时,如果采用一点接地,其地线长度不应超过波长的1/20,否则应采用多点接地法。
45°角布线:
同过孔一样,要避免使用90°(直角)布线,因为直角布线能在线内部边缘产生集中的场强,该场强产生的干扰噪音可以耦合到附近的走线中。所以当改变走线方向时所有90°(直角)布线应用45°角布线代替。图25表示了一般45°角布线的规则。
PCB 设计中模拟电源处的滤波经常是用LC 电路。但是为什么有时LC 比RC 滤波效果差?
答:LC 与RC 滤波效果的比较必须考虑所要滤掉的频带与电感值的选择是否恰当。因为电感的感抗(reactance)大小与电感值和频率有关。如果电源的噪声频率较低,而电感值又不够大,这时滤波效果可能不如RC。但是,使用RC 滤波要付出的代价是电阻本身会耗能,效率较差,且要注意所选电阻能承受的功率。
如何成为一名优秀的射频工程师,敬请关注: 射频工程师养成培训
上一篇:电子入门基础知识之各种电容器的识别
下一篇:十分透彻的电容去耦原理解释

