- 易迪拓培训,专注于微波、射频、天线设计工程师的培养
全国第一张全域覆盖NB-IoT网络是怎样建成的?
2月12日,一则来自《鹰潭日报》的新闻震动了通信界。
截至1月22日12时,中国移动鹰潭分公司顺利完成覆盖鹰潭市全域的NB-IoT网络的建设及开通,这标志着全国第一张地市级全域覆盖的NB-IoT网络在鹰潭顺利建成。
振奋人心!2017年物联网时代已经开启!不过,作为通信人,想必大家都想知道一张NB-IoT网络到底是怎样建成的吧?
不急,先搬根小板凳,慢慢吹...
1 网络总体架构

2 核心网建设

如果是独立新建,将新增SAEGW、MME、CG、HSS、路由器、隔离防火墙和网管等网元和设备。
敲黑板:
NB-IoT核心网理论知识补充
为了将物联网数据发送给应用,蜂窝物联网(CIoT)在EPS定义了两种优化方案:
•CIoT EPS用户面功能优化(User Plane CIoT EPS optimisation)
•CIoT EPS控制面功能优化(Control Plane CIoT EPS optimisation)

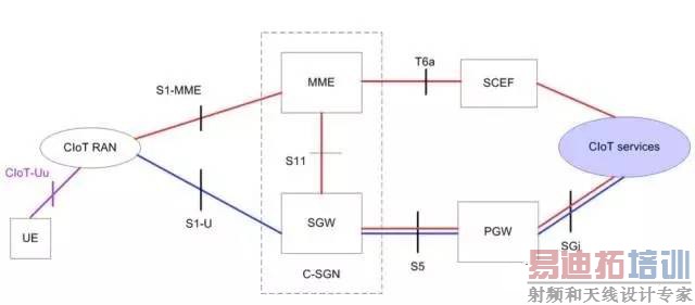
如上图所示,红线表示CIoT EPS控制面功能优化方案,蓝线表示CIoT EPS用户面功能优化方案。
CIoT EPS控制面功能优化:上行数据从eNB(CIoT RAN)传送至MME,在这里传输路径分为两个分支:或者通过SGW传送到PGW再传送到应用服务器,或者通过SCEF(Service Capa- bility Exposure Function)连接到应用服务器(CIoT Services),后者仅支持非IP数据传送。下行数据传送路径一样,只是方向相反。这一方案无需建立数据无线承载,数据包直接在信令无线承载上发送。因此,这一方案极适合非频发的小数据包传送。SCEF是专门为NB-IoT设计而新引入的,它用于在控制面上传送非IP数据包,并为鉴权等网络服务提供了一个抽象的接口。
CIoT EPS用户面功能优化:物联网数据传送方式和传统数据流量一样,在无线承载上发送数据,由SGW传送到PGW再到应用服务器。因此,这种方案在建立连接时会产生额外开销,不过,它的优势是数据包序列传送更快。这一方案支持IP数据和非IP数据传送。
3 无线网建设
基站建设方式:若采用与现网站点共址独立新建方案,需新增RRU、主控板,基带板等。
天线建设方式:原则上全部使用多端口独立调整天线替换原现网天线,与现网站点融合共用。
容量配置:每小区按单载频配置。理论上NB-IoT 200K小区可支持5万用户。
频率配置:使用上下行各200K频率带宽部署,向上及向下各使用300K作为保护带。

敲黑板:
NB-IoT无线网理论知识补充
NB-IoT占用180KHz带宽,这与在LTE帧结构中一个资源块的带宽是一样的。所以,以下三种部署方式成为可能:

1)独立部署(Stand alone operation):适合用于重耕GSM频段,GSM的信道带宽为200KHz,这刚好为NB-IoT 180KHz带宽辟出空间,且两边还有10KHz的保护间隔。

2)保护带部署(Guard band operation):利用LTE边缘保护频带中未使用的180KHz带宽的资源块。
3)带内部署(In-band operation):利用LTE载波中间的任何资源块。
4 传输建设
①业务平台:路由器经防火墙,由网络直接连至第三方应用平台。
②连接管理平台:NB-IoT核心网设备(MME、SAEGW、HSS)通过IP承载网接入连接管理平台,实现卡数据管理、连接信息查询等功能。
基站与核心网连接:NB-IoT基站接入地市传输PTN,再经省干PTN,通过GE光口连接至核心网MME、SAEGW设备。
5 工程建设
和4G网络建设差不多,整个建设过程包括:机房及站点查勘、设计、设备采购、安装调测、优化和端到端联调。
另外,告网优工程师们,和4G建设一样,NB-IoT也是需要单站测试的,包括对ATTACH验证、PING时延测试、上传速率测试,和RSRP、RS-SINR等测试。
其他NB-IoT理论知识可详细阅读(戳下面蓝色标题):
史上最全的NB-IoT知识,每个通信人都应该了解的...
据《鹰潭日报》报道,截至2017年1月22日,已开通135个NB-IoT基站,基本实现鹰潭市全域网络覆盖。此项目从2016年12月1日启动,历时33天,总投资共约4465万元,目前已建设135个物联网基站及一整套核心网及相关网管。
值得一提的是,由于物联网要提供端到端的解决方案,该NB-IoT网络不仅完成了网络建设,而且实现了终端与业务平台的双向传输,是真正意义的端到端物联网,为构筑端到端产业链打下了坚实的基础。

下一步,政府与产业将联手,利用NB-IoT全域覆盖优势,吸引物联网产业链上的企业在鹰潭智慧创业园孵化创业,构建物联网产业发展联盟,积极培育鹰潭经济发展新动能、新业态。
同时,在智慧城管、智慧路灯、智慧停车、智慧物流、智慧农业等领域开展NB-IoT业务试点应用,建设有NB-IoT特色的“新型智慧城市”促进信息惠民,努力将鹰潭打造成全国性的窄带物联网应用标杆城市。
如何成为一名优秀的射频工程师,敬请关注: 射频工程师养成培训
上一篇:手机PCB设计RF布局技巧
下一篇:晶振应用中的常见问题及解决方法




