D类功放环路稳定性问题
录入:edatop.com 阅读:
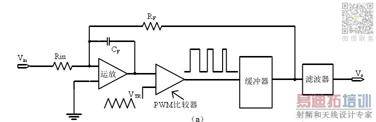
如图所示:1、为什么积分器输出的信号斜率要小于三角波的斜率整个系统才能稳定?
2、运放的指标如何确定,或者说运放的GBW如何取值才能不影响积分器的性能?坛子里有几个帖子讨论这个,但是没怎么看明白
求大侠解释,或者给点比较详细点的资料也可以,小弟感激不尽
2、运放的指标如何确定,或者说运放的GBW如何取值才能不影响积分器的性能?坛子里有几个帖子讨论这个,但是没怎么看明白
求大侠解释,或者给点比较详细点的资料也可以,小弟感激不尽

申明:网友回复良莠不齐,仅供参考。如需专业解答,请学习本站推出的微波射频专业培训课程。
上一篇:拜求学长们帮忙解决feko6.0的安装问题
下一篇:江苏博纳雨田招有经验射频工程师

