设计的高通滤波器高频处出现尖峰
录入:edatop.com 阅读:
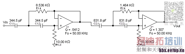
设计的sallen-key 结构的高通滤波器,低频-3dB截止频率设计为50k,用软件计算的参数,实际PCB测试时发现,低频处50k截止频率正常,但高频处(500k Hz)开始出现一个尖峰,不知道这种情况是由什么引起的,求大神指点一下debug的思路
可以看看是不是电源引起的,供电用的500KHz开关频率的DC/DC?
申明:网友回复良莠不齐,仅供参考。如需专业解答,请学习本站推出的微波射频专业培训课程。

