新人求助 PA 稳定性措施
录入:edatop.com 阅读:
近期仿一个功放 BLF642 AMPLEON 他推荐的470-860M的电路中 稳定措施不太明白 用ADS参照 仿真了 发现还是不稳定 急求各位大大指导 新人不胜感激

它的模型 都可以在官网下载

它的模型 都可以在官网下载
电阻R1就是提高稳定性
但是用ADS仿 电路不稳定呀 一直搞不懂
R1前在加个电容试下怎么样
在栅极加电阻或者在栅极偏置上加电容和电阻并联电路
没啥, 加电阻,加隔离。
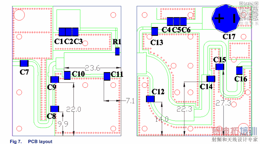
你的布板 信/地波程差不一致 导致某些频点的不稳定 这是胎里的毛病
申明:网友回复良莠不齐,仅供参考。如需专业解答,请学习本站推出的微波射频专业培训课程。
上一篇:请教一下mmic的学习之路
下一篇:ads2014

