用AMMP-6408做一个放大器,芯片的偏置电路看不懂
录入:edatop.com 阅读:
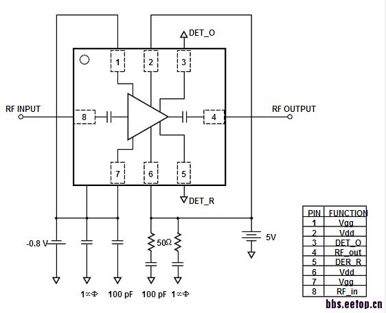
本人学生一枚,用AMMP-6408做一个9GHZ的功放器,数据手册给出的是这样的
但是看别人做是这样的

想知道这两天带子是怎么回事,起什么作用,怎么做出来的,直接按数据手册那样用行不?


但是看别人做是这样的

想知道这两天带子是怎么回事,起什么作用,怎么做出来的,直接按数据手册那样用行不?

电容明显是退偶滤波用的,电阻是限流么?不太清楚,要看接在什么引脚上,看是不是负反馈
我们有做这个型号 有需求可以问我 QQ 918602912
申明:网友回复良莠不齐,仅供参考。如需专业解答,请学习本站推出的微波射频专业培训课程。
上一篇:HMC830或HMC834或HMC1190的中文资料
下一篇:穿戴式设备

