电路的小问题
录入:edatop.com 阅读:
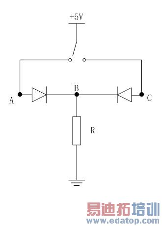
二极管不接+5V电压时,正极接地(图中未画出)
问题:电路中间测量时出了问题
正常状态
左端二极管正向时:U_AB=0.9V U_CB=-4.1V
右端二极管正向时:U_AB=-4.1V U_CB=0.9V
电路中间测量时,(应该没有不正常操作)发现异常状态:
左端二极管正向时:U_AB=0.9V U_CB=-4.1V
右端二极管正向时:U_AB=-0.2V U_CB=4.8V
后来将又侧的二极管换了个新的好了,二极管如果坏了的话,不是击穿了吗,那异常状况时二极管出现了什么问题呢
问题:电路中间测量时出了问题
正常状态
左端二极管正向时:U_AB=0.9V U_CB=-4.1V
右端二极管正向时:U_AB=-4.1V U_CB=0.9V
电路中间测量时,(应该没有不正常操作)发现异常状态:
左端二极管正向时:U_AB=0.9V U_CB=-4.1V
右端二极管正向时:U_AB=-0.2V U_CB=4.8V
后来将又侧的二极管换了个新的好了,二极管如果坏了的话,不是击穿了吗,那异常状况时二极管出现了什么问题呢
也有可能是二极管里面开路了吧
不懂的说。。
根本与rf无关的东西,你发这里做什么
申明:网友回复良莠不齐,仅供参考。如需专业解答,请学习本站推出的微波射频专业培训课程。
上一篇:PCB加工问题
下一篇:CST计算结束后信号收敛的问题

