- 易迪拓培训,专注于微波、射频、天线设计工程师的培养
900MHz射频指示器设计
录入:edatop.com 点击:
处于待机状态下的手机在接收到基站发来的呼叫信号后,将会发出应答信号,手机的天线也会有短暂的射频信号送出。此时,如果有一种微型感应器在手机旁,它将发出闪闪红光,有些品种的感应器还会发出音乐声响。解剖感应器电路发现它实际上是一只900MHz射频指示器,现对其工作原理分析如下。

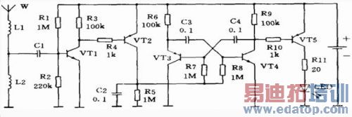
900MHz射频指示器的电原理图如附图所示,射频信号被作为天线(W) 的弹簧钢丝L1接收后(L2为仅一匝的扼流圈),信号经C1送到VT1放大,VT1在偏置电阻R1和R2的作用下处于临界导通状态,无信号时VT1的集电极为高电平,使PNP管VT2截止,由VT3和VT4组成的多谐振荡器不工作。此时,VT4的集电极也处于高电平,VT5截止,LED不发光;一旦有信号进入VT1的基极,使处于临界状态的VT1导通,VT1集电极处于低电平,VT2导通,通过R7、R8给多谐振荡器VT3和VT4的基极加上偏置电压,多谐振荡器进行低频振荡,VT4的集电极电压亦在振荡变化中,导致VT5间歇导通,LED则闪闪发光,当天线附近无射频信号,一切归于平静。
该电路的灵敏度调节有两处:一是改变R1,但R1不能太小,否则VT1在无信号时就会导通,就不能起到指示作用。R1的大小还与VT1的放大倍数有关。 二是L2,增加 L2的匝数可提高灵敏度,如果拆掉L2,则电路灵敏度将最大幅度提高,虽然易受干扰信号触发而误动作,但可灵敏的指示周围电磁场的存在,如果用它来检查无线电话是否有48MHz射频发射,将打开的无绳电话的天线靠近该射频指示器的天线时,若LED闪闪发光,表明无绳电话有信号发射。从这个意义上讲,这样的射频指示器是一种广谱场强计,它对所指示的电磁场频率无明显的选择性。

