- 易迪拓培训,专注于微波、射频、天线设计工程师的培养
使用2SC1970制作FM发射机
录入:edatop.com 点击:
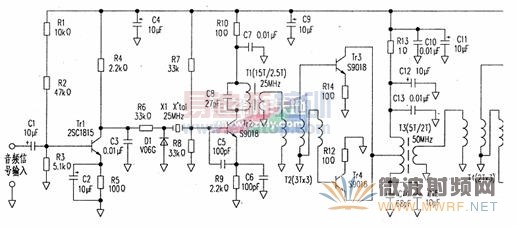
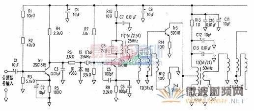
这台FM发射机利用闲置的拆机零件组成,可用于音乐或语音信号的调频发射,用普通FM收音机于2kM以外接收。
整机电路如附图所示。外来音频信号经三极管Tr1放大后加载于二极管D1。Tr2与晶振,线卷T1等构成25MHz高频振荡器。音频信号的调制没有使用变容二极管.而是用普通整流二极管V06G替代。V06G和25MHz晶振均从旧电脑中拆得.25MHz调频信号经线卷T2耦合至下级。
为了获得100MHz的调频信号输出.由Tr3、Tr4、线卷T3等构成倍频级。获得50MHz信号并经线卷T4耦合至下级。
T5、T6、线卷L5等将输人信号再次倍频,得到100MHz调频信号并经T6耦合至激励级。
高频功率放大采用高频放大管2SC1970.其参数为40v、0.6A.功率1.3W、频率175MHz。该级集电极电流为0.15A。
高频输出信号可接至天线对外发射。在50负载电阻上实测输出功率达0.25W.在直线距离2.5kM时可稳定接收。
(编者按:使用无线电发射机请遵守国家有关法规)
注意:需要把两张图合并起来才是完整的电路图
2SC1970制作FM发射机电路图2SC1970 FM transmitter


如何成为一名优秀的射频工程师,敬请关注: 射频工程师养成培训
上一篇:基于一种新型的三频带通滤波器应用设计
下一篇:一种新型小型化K波段带通滤波器的设计

