- 易迪拓培训,专注于微波、射频、天线设计工程师的培养
DIY简易低频扫频仪的设计与制作
频率特性测试仪俗称扫频仪,用于测量网络(电路)的频率特性。例如测量滤波器、放大器、高频调谐器、双工器、天线等的频率特性,而且往往用于对这些电子设备或网络的调试。它为被测网络的调整,校准及故障的排除提供了极大的方便,也是实验室中常用的电子测量仪器之一。 传统的扫频仪大多以模拟式为主(如BT-3C),通常其显示屏的横轴代表频率,纵轴代表相对幅度,但是并不能通过显示屏水平方向的标尺直接读取频率,也不能通过垂直方向的标尺直接读取相对幅度,而是通过频标来读取频率参数的,这只适合于大范围连续调节频率的扫频信号,所以很难精确定标。
语音信号要进行数字处理时,首先必须经过采样、量化、编码,由Nyquist采样定理可知,若要无失真地重建原始信号,采样频率必须大于或等于原始信号最高频率的两倍(Ws≥2Wh),否则采样信号的频谱将会发生混叠,此时,无法恢复原始信号,显然原始信号的频率Wh越低,采样频率Ws也越低,数码率也就越低,并可大大减少存储空间和信息传输速率,于是,可以在采样之前使原始信号通过一个低通滤波器,只允许低于Ws/2的频率分量通过,而将更高的频率分量滤除。由语音信号的标准可知,在采样前可通过带通滤波将语音信号的频带限制在300Hz~3400Hz范围内。无疑,在以上这一系列语音信号处理过程中,缺少不了1MHz以下的扫频仪器,特别是进行300Hz~3400Hz带通滤波器的设计与生产时,在调整与测试过程中必须使用低频扫频仪进行数据检验。
一、扫频仪的工作原理
扫频仪一般由扫描锯齿波发生器、扫频信号发生器、宽带放大器、频标信号发生器、X轴放大、Y轴放大、显示设备、面板键盘以及多路输出电源等部分组成。其基本工作过程是通过电源变压器将50Hz市电降压后送入扫描锯齿波发生器,就形成了锯齿波,这个锯齿波一方面控制扫频信号发生器,对扫频信号进行调频,另一方面该锯齿波送到X轴偏转放大器放大后,去控制示波器X轴偏转板,使电子束产生水平扫描。由于这个锯齿波同时控制电子束水平扫描和扫频振荡器,因此电子束在示波管荧光屏上的每一水平位置对应于某一瞬时频率。从左向右频率逐渐增高,并且是线性变化的。扫频信号发生器产生的扫频信号送到宽带放大器放大后,送入衰减器,然后输出扫频信号到被测电路。为了消除扫频信号的寄生调幅,宽带放大器增设了自动增益控制器(AGC)。宽带放大器输出的扫频信号送到频标混频器,在频标混频器中与1MHz和10MHz或50MHz晶振信号或外频标信号进行混频。产生的频标信号送入Y轴偏转放大器放大后输出给示波管的Y轴偏转板。扫频信号通过被测电路后,经过Y轴电位器、衰减器、放大器放大后送到示波管的Y轴偏转板,得被测电路的幅频特性曲线。
二、方案的设计与论证
根据上述要求,我们可有以下三种设计方案:
(1)借助实验室的低频信号发生器与示波器,
用人工的方法进行定点描测,即由低频信号发生器产生一个一个的频率点输送到被测电路,其输出接到示波器,观测它的各个频率点的衰减幅度,并记录下来进行数据分析。
(2)以单片机为核心,外围频率合成器、整流滤波、A/D转换、液晶显示、键盘控制等部分进行智能全自动化综合系统设计,工作原理后文详述,其系统框图如图1所示。

(3)以DSP芯片为核心,对外围宽带信号发生器、宽带信号接收器、液晶显示屏、控制面板等部分进行智能系统设计,其基本工作原理是:由信号发生单元产生一个从20Hz~2MHz的宽带信号输送到被测电路,其输出接到信号接收单元,再由DSP芯片进行频谱分析,扫频结果由液晶显示直观地显示出来,键盘采用轻触开关控制扫频范围、输出/输入信号衰减dB值等设置,其系统框图如图2所示。
显而易见,方案1是一种传统的人工方案,测试麻烦,速度慢,工作效率低,不符合现代电子设计标准;方案2、3均是全自动化仪设计方案,方案3比方案2的测试性能、精度指标要好,但方案2的成本低廉,易于生产,因此我们选择方案2。

三、硬件设计
(1)硬件组成
本系统的硬件部分由CPU(89C51)、频率合成器(MC145151-1)、整流滤波、A/D转换(ADC0 809)、液晶显示、轻触键盘等单元组成,系统方框图如图1所示。键盘控制扫频范围,由单片机输送14位数据至MC145151-1控制压控振荡器(VCO)的振荡频率,该频率经被测电路后至整流滤波,再经A/D转换回送到CPU。VCO的振荡频率在扫频范围内由低频端至高频端至低频端比较缓慢地循环变化,与此同时,由CPU控制A/D转换时序,然后再由软件转换成液晶显示代码显示出来。
(2)锁相频率合成电路
该单元是本机工作的关键部分,系统结构如图3所示。合成频率步长Fr设定为扫频范围的1/128,扫频范围最大可为20Hz~2MHz,显然,扫频范围越小,扫频精度越高。

目前市场上的频率合成器集成电路很多,我们选用摩托罗拉公司的MC145151。该芯片是一块14位并行码输入的单模、单片锁相环频率合成器,片内含有参考振荡器、参考分频器、鉴相器、可编程分频器等部件,最大可变分频比为16383,最高工作频率为30MHz,能够满足系统的设计要求。
在锁相环路中,环路滤波器的设计是十分重要的。本系统采用无源比例积分滤波器,其结构简单、性能稳定、调试方便。
(3)整流滤波电路
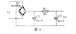
整流电路的任务是将从被测电路接收到的正弦波信号变换成直流电。完成这一电路主要是靠二极管的单向导电作用,因此二极管是构成整流电路的关键元件。在小功率整流电路中,常见的几种整流电路有半波、全波、桥式和倍压整流电路。为了保证被测信号的完整性,我们采用了桥式整流电路,如图4所示。
滤波电路用于滤去整流输出电压中的纹波,滤波电路有很多分类方法。常用的结构有C型滤波电路、倒L型滤波电路、π型滤波电路。比较以上几种滤波器,我们选用电路较简单、性能较好的π型滤波 电路。
(4)A/D转换电路
A/D转换器的作用是把输入的模拟信号转换成数字形式,使得CPU能够处理从被测电路接收到的模拟信号。因A/D转换器应用范围极广,故其转换芯片品种及类型很多,常见的有ADC0809、ADC570、ADC574、ADC1210、ADC0804、5G14433等多种集成电路。我们选用ADC0809集成转换器,它是一个八通道多路开关、单片CMOS模/数转换器,每个通道均能转换出8位数字量,它是逐次逼近比较型转换器,包括一个高阻抗斩波比较器、一个带有256个电阻分压器的树状开关网络、一个控制逻辑环节和八位逐次逼近数码寄存器,最后输出级有一个八位三态输出锁存器。
为了保证扫频精度,在A/D转换器之前必须加上采样和保持电路,这是因为从模拟量到数字量的转换需要一定时间,在转换时,信号应保持稳定。采样保持电路如图5所示。

(5)液晶显示电路
液晶显示器(LCD)是一种被动式显示器,由于它的功耗低、抗干扰能力强、显示界面效果良好,因而在低功耗的单片机系统中大量使用。
目前市面上的LCD显示屏种类繁多,我们选购了长沙太阳人电子有限公司生产的SMG12232B-2LCM产品。其显示容量是122×32点阵,芯片工作电压是4.5~5.5V,工作电流是5mA(5.0V),它有16只引脚、八位数据线。
(6)轻触键盘部分
控制面板是仪器的必要组成部分,它和显示输出设备一样,均是操作人员与仪器交互的窗口,也是系统与外界联系的纽带和界面。一个安全可靠的应用系统必须具有方便灵活的交互功能,它既能及时反映系统运行的重要状态,又能在必要时实现适当的人工干预。
键盘接口按不同标准可有不同分类方法,按键盘排布方式可分成独立方式和行列方式;按读入键值的方式可分成直读方式和扫描方式;按是否进行硬件编码可分成非编码方式和硬件编码方式;按CPU响应方式可分成中断方式和查询方式。我们选用结构简单、易于处理的行列扫描非编码中断方式键盘。电路原理图如图6所示。

本面板共设控制键Y轴衰减、X轴压缩、中心频率调节以及相应的调谐键"+"、"-"、全自动调整键(AUTO)。
(7)单片机控制台
单片机(CPU)是整个自动化系统的核心,也是整个硬件部分的总结,它由后述软件驱动各个控制单元。CPU的种类繁多,GI、Rockwell、Intel、Zilog、Motorola、NEC等世界大计算机公司都纷纷推出自己的单片机系列。我们选取最常用的Intel公司生产的MCS-51系列中的AT89C51芯片,它有40只引脚、8位数据线、16位地址线、4KBROM、128ByteRAM、两个外中断、两个16位定时/计数器、一个可编程全双工串行口、共32条可编程的I/O线。
中断式键盘的中断信号线连到CPU的外中断INT0,它的行列扫描线由P1口产生。MC145151、ADC0809、SMG12232B-2 LCM的片选信号由高8位地址线产生。由于MC145151有14位数据线,而AT89C51输出只有8位数据线,我们将CPU分两次送出,先送低字节,后送高字节(称右对齐)。相应的接口电路设置两个锁存器,分别锁存高字节和低字节。ADC0809采用中断方式接收数据,其中断信号线连到CPU的外中断INT1。
四、软件设计
本系统的软件部分采用模块化程序设计方法,由汇编语言A51编写,共分为主程序(MAIN)、外中断0子程序(INT00)、外中断1子程序(INT11)、扫频信号产生子程序(SPXHCS)、液晶显示子程序(LCDSSEE)等几大模块。
在主程序中设置一个计数指针R7,代表在扫频范围内从低频端到高频端步进。当R7计数完毕时,重新赋值R7,并返回查找键值,若键值不变,则扫频各个参数均不变地再进行扫频;若键值有所改变,则计算相应的扫频参数重新扫频,如此反复循环。
外中断0子程序作为键盘扫描子程序,该程序采用一种新的设计方法,即在初始化CPU时,预先向P1口送数据#0FH,若有键按下,则列线有一根变为低电平"0",列线与门也输出低电平"0",此时产生中断;否则若没键按下,则所有列线均为高电平"1",列线与门也输出高电平"1",不产生中断。在中断子程序中,将P1口数据转移到累加器A中,并"或"上#0F0H,又转移到P1口,此时就可将P1口中的数据作为键值,程序框图略。
外中断1子程序作为扫频Y轴扫描子程序,当该程序产生中断时,随即读取ADC0809中的数据,然后转换成液晶显示代码。显示代码的转换采用查表指今的方法,在程序末尾建立一个显示代码表格。程序框图略。
扫频信号产生子程序并不负责产生扫频信号,它只送出14位数据给MC145151芯片。扫频信号由
硬件频率合成器产生和校准。由于MC145151是14位数据线,而AT89C51是8位数据线,在软件设计中采用右对齐的方式分两次送数,即先送低8位,然后送高8位,在硬件设计中采用两级数据锁存器。程序框图略。
液晶显示子程序分三个步骤:第一步进行液晶片"忙"检测;第二步进行内部写数据指针定位;第三步进行写显示代码数据。在以上三步中,关键的一步是第二步内部写数据指针定位,定位指针受X轴和Y轴扫频同时控制。程序框图略。

简易自制低频扫频仪实物
五、系统扩展功能
由于本系统包含高精度的模/数转换,可在软件设计中稍加修改,运用采样示波器的原理,完成示波器的功能。且该示波器可以测量周期长、变化缓慢的信号,例如温度的变化、气候的变化等参量。
上一篇:可达6GHz的高频率MIMO测试系统
下一篇:GPS
模擬條件


