- 易迪拓培训,专注于微波、射频、天线设计工程师的培养
基于DSP和DDS的三维感应测井高频信号源实现
高频信号源设计是三维感应测井的重要组成部分。三维感应测井的原理是利用激励信号源通过三个正交的发射线圈向外发射高频信号,再通过多组三个正交的接收线圈,得到多组磁场分量,从而准确测量地层各向异性电阻率。在测井过程中,要求信号源的频率为高频,并且要求信号的频率有很高的稳定性。
产生信号的方法很多,可以采用函数发生器外接分立元件来实现,通过调节外接电容或电阻来设置输出信号频率。但输出信号受外部分立器件参数影响很大,且输出信号频率不能太高,同时无法实现频率步进调节。另外,采用FPGA可实现信号发生器的设计。但当输出高频信号时,需要高速D/A 来配合工作。本文采用数字直接合成技术,采用专用集成芯片AD9834作为信号产生模块,由ADSP21992来作为控制器来完成整个系统的设计。利用此方法不仅克服了外搭分立元件的干扰,而且AD9834内部有D/A转换器,缩小了信号源的体积,从而满足了测井仪器的要求。
信号源系统设计
系统总体框图如图1所示。系统选ADSP21992作为主控制器,通过键盘显示与控制芯片7279来接收功能设置和参数设置等信息,并将输出信号等信息送到数码管显示。同时,控制器将读取的按键信息转换成控制命令通过串行接口送给AD9834,由AD9834产生正弦信号,再经过信号调理,使信号达到设计的要求。

图1 信号源整体设计框图
ADSP21992控制DDS模块
本设计采用ADSP21992作为控制器件,它的最高工作时钟频率达到150MHz,提供一个独立的、标准的串行外设接口SPI,在此主要利用SPI总线向AD9834发送频率控制字,使AD9834产生符合要求的高频信号。串行外设接口SPI提供了一个4线、全双工串行总线的能力,本设计中SPI器件不需要接收数据,因此将它配置为主器件。SPI使用4个信号:主出从入(MOSI)、主入从出(MISO)、串行时钟(SCLK)、从选择(SPISS)。其中串行时钟频率最高可以是外设时钟频率的1/4。AD9834的电源电压在2.3V到 5.5V范围内可选,ADSP21992的电源电压为3.3V,所以在连接时无需电平转换。由于ADSP21992只向AD9834发送数据,不需要接收数据,因此要将ADSP21992的SPI设置为主器件。具体接口电路如图2所示。

图2 ADSP21992与AD9834的接口
DDS电路设计
DDS电路设计主要包括接口电路、DDS芯片及信号调理电路等,接口电路主要对DSP发送来的信号进行接收,接收DSP的控制命令,DDS根据收到的DSP控制命令及接收到的频率控制字,生成符合频率要求的信号并输出。由于DDS的输出为电流信号,因此,必须将电流信号通过负载转换为电压信号,将得到的电压信号进行调理即可得到所需的正弦信号。DDS电路设计的原理框图如图3所示。

图3 DDS电路设计的原理框图
DDS模块
直接数字合成(DDS)技术具有输出信号精度高、变频速度快、输出信号连续、控制方便及性价比高等诸多优点,因而适用于高频、高精度正弦信号发生器的设计。本系统选用AD9834,它主要由数控振荡器(NCO)、相位调制器、正弦查询表ROM和1个 10位D/A转换器组成。数控振荡器和相位调制器主要由2个频率选择寄存器、1个相位累加器、2个相位偏移寄存器和1个相位偏移加法器构成,它的最高工作频率可达50MHz。AD9834的输出频率f0由(1)式求得
![]()
其中fMCLK为AD9834的时钟频率; FREQREG为写入28位频率寄存器的值; fMCLK/228为频率分辨率。在本设计中选择fMCLK=16.384MHz,频率的分辨率为0.0061MHz,满足设计要求。根据公式(1)代入 fMCLK=16.384MHz, f0=20kHz,求得
![]()
将FREQREG的值反代入公式(1)得到AD9834的真实输出频率为
![]()
差分放大电路设计
差分放大环节采用AD公司生产的AD620芯片。AD620是低功耗、低噪声、高性能仪表放大器,通过外接一个电阻可以改变其增益(范围为1到10000)。可以很好地完成差分信号到单端信号的转换。其管脚如图4所示。其中RG端为外接电阻端,通过其调节电压增益;+IN、-IN分别为差分器输入的同相端和反相端;+Vs、-Vs分别为正负电源端;OUTPUT为信号输出端;REF为输出参考电源端。

图4 AD620管脚图
滤波电路
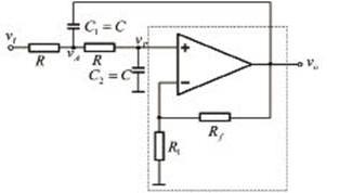
AD9834内部存在D/A转换器,信号通过D/A转换器输出。由D/A输出阶梯波的频谱分析可知,除了主频之外,频谱中还出现主频的倍频分量,这种高频分量可视为噪音。由于DDS技术含有上述噪声,所以必须在D/A转换器之后接滤波电路。这里采用二阶压控电压源低通滤波电路,其特点是输入阻抗高,输出阻抗低。二阶压控电压源低通滤波电路如图5所示。

图5 二阶压控低通滤波电路
本设计的截止频率为20kHz,选择C=0.047?F,经计算得R=12.305kΩ ,R1=16.651kΩ , RF=9.757kΩ 。利用上述的电路和参数验证,达到了阻带衰减速度快,相位呈线性的理想效果。
高频放大电路
为增大AD9834 输出信号幅值,采用高频运放AD811进行信号放大,它具有高速、高频、宽频带、低噪声等优异特性。但考虑到输出信号幅值随频率增大而减小,系统采用数控电位计X9C102 来实现可变增益放大,即依据输出信号频率的不同来改变数控电位计的值,以改变增益。可变增益放大器原理图如图6所示。

图6 可变增益放大器原理图
软件实现
软件流程图如图7所示,主要包括复位、初始化、写频率字和控制字等部分。初始化部分主要包括对 DSP的SPI串行口初始化及配置和对DDS的初始化。本设计把ADSP21992作为主机,通过设置SPICTL寄存器使DSP成为主机,选择 SPICTL寄存器里的TIMOD值为01,从而启动SPI传送数据。当启动数据发送时,DSP自动将TDBR寄存器的内容装入到发送移位寄存器;当数据传送结束时,自动将接受一位寄存器的内容装入到RDBR寄存器。在该系统设计中,AD9834采用串行控制比特位方式选择相位、频率寄存器;PIN/SW =0,选择控制字模式; FSEL=0,选择使用频率寄存器0;D13=0时,将28位的频率寄存器分成2个14位的寄存器工作,且频率字的高14 位和低14 位可以独立改变。SDATA、SCLK 和FSYNC 3个引脚向AD9834 中写数据和控制字。当FSYNC=0时,表示向AD9834 写入1个新字,并将在下1个SCLK的下降沿读入第1位,其余的位在随后SCLK 的下降沿读入,经过16个SCLK下降沿后,置FSYNC=1,实现了DSP对AD9834 的控制。

图7 程序主流程图
结语
本文采用ADSP21992和DDS 芯片AD9834 实现高频正弦信号发生器的设计,克服了传统方法中输出信号受外界元件参数影响的缺点,同时AD9834 内部集成有高速D/A,可直接输出正弦信号,避免外接D/A,简化系统硬件结构,提高了系统稳定性。AD9834 输出正弦信号精度高、稳定性好、输出信号连续、控制方便,将基于上述优点的信号发生器应用于三维感应测井中,可以提高系统性价比,达到三维感应测井对信号源的要求。同时,基于DDS技术的信号发生器将获得广泛的应用。


