- 易迪拓培训,专注于微波、射频、天线设计工程师的培养
自动调零放大器在应变测试仪中的应用
录入:edatop.com 点击:
引言
应变片式传感器应用十分广泛,它采用电桥式电路结构,以提高输出灵敏度。但一个微应变桥路输出只有2 mV左右,即使在满载情况下,应变片的最大输出也只有数十mV,这就要求前置测量放大电路具有高增益、高精度、低噪声、低漂移等特点。一般集成运算放大器都是利用参数补偿原理的直接耦合或者阻容耦合方式,它们的初始失调参数并不等于零,而是用调零电位器或精密修正技术进行失调参数的补偿。这使得直接耦合放大器在放大信号的同时也放大了温漂,而阻容耦合放大器虽能抑制温漂,但不能用来放大微弱的直流信号或缓慢变化的信号,它会将这种信号作为温漂抑制掉。使用自动稳零技术的精密仪表放大器AD8230就能很好地解决抑制温漂的同时又放大微弱直流信号这个问题,以满足精密应变测试仪的设计要求。
AD8230的工作原理与特性
AD8230 是ADI公司的一款利用动态校零技术,采用超小型SOIC工艺制作的稳零式精密仪表放大器。与工业标准AD62x系列仪表放大器相比,AD8230有许多关键的性能提高:具有109W的高输入阻抗,能有效地抑制信号源与传输网络阻抗不对称引起的误差;在-40℃~+125℃的工作温度范围内,输入失调电压为10mV、失调电压温度漂移只有50nV/℃,共模抑制比高达140dB,能有效地抑制共模干扰引入的误差,提高系统信噪比和对温度影响的抵抗能力;输入/输出摆幅可达电源限(-VS~+VS),以适应信号源电平的较宽范围;具有较高的增益及较宽的增益调节范围(G=2~1000),其典型增益误差为± 0.01%,增益非线形误差仅为20ppm,有效地保障了系统的测量精度。
放大器增益由两个外部电阻器设置,以实现温度系数(TC)匹配。
AD8230 由参考端电位确定零输出电压,当负载与系统地不明确共地时特别有用,它提供了一种对输出引入精密补偿的方法,利用参考端还可提供一个虚地电压放大双极性信号。若AD8230相对地输出,则参考端应接地,为了使接地回路阻抗最小,达到最佳的CMR,参考端应接到一个低阻抗接点,建议使用接地平面。
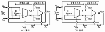
自动调零(或自动稳零)是一种动态地抵消失调电压和失调电压漂移的技术,它能将相对输入端的失调电压降低到mV级,将失调电压漂移降低到nV/℃级。动态抵消失调的另一优点是可降低低频噪声,特别是1/f噪声。自动稳零运算放大器的基本指导思想是:如果能将运放两个输入端短路时或加共模输入信号时的输出电压 (误差电压)先用电容器寄存起来(简称采样),再与运放正常工作时的输出电压相减(简称校零),则可有效地减小失调电压、失调电流及温度变化和电源电压波动所引起的漂移,也可有效地抑制共模信号。
AD8230具有自稳零电路结构,其内部信号路径由一个有源差分采样保持级(前置放大器)和一个差分放大级(增益放大器)组成。两级放大器都能实现自稳零,使失调和漂移减少到最低,全差分电路结构增强了对寄生噪声的抵抗能力。自动稳零基本原理如图 1所示,这里以两个相继时钟相位A、B分别描述其内部工作顺序。
电路通过电子开关来切换两个阶段循环工作:在时钟上半周期,电路处于采样阶段,采样电容器CSAMPLE连接到信号输入端,该输入信号的差分电压VDIFF被存储在CSAMPLE上,共模电压被抑制。在此期间,增益放大器与前置放大器断开,以使其输出保持在以前采样的输入信号幅度;在时钟下半周期,电路处于动态校零和放大阶段,CSAMPLE上采集的差分信号被提供给增益放大器,刷新存储在CHOLD上的电压值,并由增益放大器放大。当CSAMPLE连接到前置放大器的输出端时,前置放大器的共模输出电压被下拉到参考电位VREF。用这种方法,使CSAMPLE与前置放大器具有相同的共模电压。
精密应变测试仪的实现
应变测试仪主要由桥压产生、射频干扰(RFI)滤波、共模抑制、信号放大、低通滤波和缓冲驱动等电路构成,其结构框图如图2所示。


在实际应用环境中,不断增加的射频干扰,被放大器整流后可能表现为难以消除的直流失调误差,同时考虑到信号传输线路长、强度弱的情况,在仪表放大器前设置一个差分低通滤波器,用以尽可能多地从输入端去除RF能量,保持每个输入端与地之间的AC信号平衡,以及在测量带宽内保持足够高的输入阻抗,以避免降低对输入信号源的带载能力。
应变传感器工作电压由桥压产生电路供给,其稳定性直接影响输入信号的测量精度。为使测量误差及输入信号漂移最小,桥压电路应选用低温度系数的精密基准稳压芯片,如LM399、LM3999等。它们采用次表面隐埋技术,具有长期稳定性好、噪声电压低等优点,其优异的恒温特性αT=(0.3~2)×10-6/℃,可有效消除温度变化对基准电压的影响。
系统增加了共模抑制电路,可进一步减小系统噪声和直流零点漂移误差,提高测试精度;在仪表放大器输出端设置一个低通滤波器以滤除高频分量,降低低频噪声;增加缓冲驱动电路,加大放大器的带载能力,在放大器与负载相距较远时,效果明显。该系统解决了以往应变仪中频带不足、精度不高等难题,是一种新型的精密测试仪器。
AD8230在应变测试仪中的应用
AD8230在精密应变测试仪中主要用于共模抑制、信号放大、自动稳零和输出缓冲等。
共模抑制电路
因应变电桥输出电压很弱,信号传输大多采用屏蔽电缆。在远距离测量时,信号线与电缆屏蔽层之间存在不容忽视的分布电容,若将屏蔽层直接接地,则当两个输入端各自对地电容不等时,将使系统的共模抑制能力下降,影响后级测量精度。图3采用一种积极的数据保护措施,将屏蔽层适当驱动后接于共模信号相等的电位点上,改善AC CMR,从而不产生泄漏电流,提高了信噪比。


输出滤波、驱动缓冲电路
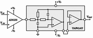
AD8230放大器驱动负载能力较小,仅可驱动10kW以上负载阻抗。若负载阻抗小于10kW,其输出端应再加一级精密驱动缓冲器。根据应用频段,在输出端加设一个低通滤波器以滤除高频分量,推荐选用UAF42AU。它集滤波、驱动为一体,通过改变引脚间连接,可灵活实现低通、高通、带通或带阻滤波。当驱动负载为2kW时,UAF42AU输出摆幅为±11.5V,可满足测试仪
在各领域的应用要求。输出缓冲电路如图4所示。
结语
AD8230可取代分立器件构成的仪表放大器,具有线性度好、温度稳定性高、体积小、可靠性高等特点,可用作低功耗医用仪表放大器、热电偶放大器、电桥应变测量放大器及用于传感器接口、工业过程控制和低功耗数据采集系统中。由其构成的应变测试仪被广泛应用于物料计量称、传感器仪表等,实践表明,该测试仪最大动态测量误差 ≤1.53‰
作者:王华斌 来源:电子设计应用


