- 易迪拓培训,专注于微波、射频、天线设计工程师的培养
基于微处理器的宽频带相位测量系统的设计与应用
相位测量在工业自动化仪表、智能控制及通信电子等许多领域都有着广泛的应用,对相位测量的要求也逐步向高精度、智能化方向发展。对于低频相位测量,一般采用数字脉冲填充法对输入信号的相位进行测量都能实现。但是,要想满足一定的测量精度就要求微处理器的时钟频率足够高。
同样,运用此方法对高频信号进行测量时,由于相位差相对较小,一般的微处理器时钟频率,已经无法满足高精度的计数要求,这样必然会影响相位测量的精度。所以,必须提高标准时钟的计数频率,才能满足测量要求。这样,一方面增加了设计本身的难度,另一方面也提高了选用元器件的要求。本系统首先采用频率变换法将高频输入信号转换成低频信号后,且保持原信号的相位不发生变化,再利用基于ADuC7128为控制核心的数字测相系统进行测量,从而完成了宽频带输入信号的相位测量。
1 差频变换原理的引入
利用数学模型将被测信号和参考信号描写成如下形式:
被测信号:

参考信号:

其中:A为被测信号的幅值;B为参考信号的幅值;f为被测信号的频率;f0为参考信号的频率;θ是被测信号的幅角。
同时,将两个信号y1和y2送入混频器内进行混频操作相乘后,会得到信号y3。

再将y3送入低通滤波器进行滤波处理,滤除高频信号,剩下的低频信号数学表达式为:
![]()
y3与y1相比,幅度呈线性变化,幅角不变,但频率降低,其频率是被测信号与参考信号的频率差。对于测量y3来说,比直接测量y1容易得多。这样把差频变换法应用到高频信号的相位测量上,既可以提高相位测量的精度,又可以拓宽输入信号的频带。
2 数字测相系统设计
2.1 硬件结构设计
如图1所示,本系统主要由信号调理电路、频率变换电路以及微处理器控制电路3部分组成。

图1 硬件电路原理框图
2.1.1 信号调理电路
信号调理电路要完成对输入信号的耦合、衰减、放大、电平调整等功能,系统有良好性能的前端模拟通道是进行高精度测量所必须的[3]。本设计中的两路信号调理通道CH1和CH2具有完全相同的对称结构,且同时对输入信号进行信号调理。
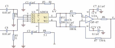
2.1.2 频率变换电路
模拟乘法器是一种完成两个模拟信号相乘的电子器件,由于乘法器与双平衡混频器相比具有更好的线性。因此,本设计选用了ADI公司的AD834芯片作为系统的混频器使用,利用AD834将待测信号与ADuC7128内部DDS模块产生的参考信号进行混频后,再将差频信号以单端电压信号的方式输出。
频率变换电路如图2所示,AD834的引脚X1和Y2均与地相连,将待测信号与参考信号分别以单端输入的形式输入到AD834的两个信号端口Y1、X2。选择Y1、X2 作为单端输入引脚是因为这两个引脚离输出端比较远,选择它们作为输入可以减小输入信号到输出端的耦合分量。根据设计需要,在AD834后面接入一个具有高开环增益的运算放大器OP-07,通过OP-7和R7、R6组成I /V转换电路,这样就可以将乘法器的输出信号由双端差分电流形式转化为单端电压形式。

图2 频率变换电路
2.1.3 微处理器控制电路
在进行频率转换时,需要一个频率可调的信号源提供参考信号。以ARM7为内核开发的高性能微处理器ADuC7128内部集成了一个输出频率可达到25MHz的DDS模块,信号的输出电压在1V左右。其技术指标满足了作为参考信号的要求。同时,ADuC7128可通过内部PLL进行时钟倍频,最高工作频率可达41.78MHz,工作电压在图3ADuC7128控制电路3.0~3.6 V 范围内。ADuC7128微处理器自身结构紧凑、体积小,能够有效提高系统的集成度和可靠性。ADuC7128微处理器的控制电路,如图3所示。

图3 ADuC7128控制电路
在本系统中,首先打开CH1通道上的模拟开关,使被测信号绕过频率转换电路,而直接进入比较器LT1715进行整形,然后ADuC7128利用内部计数器T0产生的标准计数脉冲对整形之后的脉宽信号进行高速填充。如果计数值为N,标准计数脉冲的周期为ΔT,则输入信号的频率为f,周期为T:

DACOUT是一个用来设置ADuC7128内部DDS输出频率的一个控制信号,在本设计中,当输入信号的频率超过30kHz时,ADuC7128内部DDS保持产生一个与输入信号频率相差30kHz的正弦波信号,作为频率转换的参考信号。
经过混频、低通滤波、整形比较之后的两路正弦波信号,已经变成频率在30kHz以下的方波信号Q1和Q2。IRQ0、IRQ1是ADuC7128的两个中断引脚,分别将Q1的输出端与ADuC7128的IRQ0引脚连接,Q2的输出端与ADuC7128的IRQ1引脚连接。
IRQ0用于检测Q1信号的下降沿,一旦Q1信号的下降沿到来时,ADuC7128内部计数器T1开始工作,IRQ1用于检测Q2信号的下降沿,一旦Q2信号的下降沿到来时,ADuC7128内部计数器T1停止工作。这样,计数器T1上的累计值就是两个方波间隔的脉冲数n,如果已知T1的计数间隔Δt',即可知两个方波的时间间隔Δt:
![]()
从而通过公式(8)即可计算出两输入信号的相位差θ。

2.2 软件设计
本系统的软件设计主要是完成系统初始化、内部数据处理、数据结果显示等功能。图4是系统的主程序和相位测量流程图。

图4 主程序和相位测量流程图
3 测试结果与分析
两路同频输入信号是由一个相位差可调节的高精度信号源产生。当输入信号频率小于30kHz时,由ADuC7128内部计数器直接计数,经过数据处理后得出相位差。输入信号在进行过零比较时,由于两路输入信号之间的电平不相等所引起的幅相误差,使得整形后产生的方波有所失真。图5是两路输入信号为100kHz,相位差75°的正弦波信号,经过频率变换及滤波整形后,两个信号的相位保持不变,频率变为30kHz、幅度线性变化,如图6所示。

图5 两路相位差75°的正弦波信号

图6 两路相位差75°的方波信号
随机抽取四个不同频率的输入信号,分别在相位差为0~150°的范围内进行测试,测试结果见表1。
表1 测试结果

测量结果表明该系统的最大测量不确定度为±0.4°,基本满足了预期≤0.5°的设计要求。主要误差源是ADuC7128内部计数器只能进行整数计数,而引起的±1的计数误差,该误差可以采用多次测量求平均值的软件方法进行修正。同时,两路信号通道内部硬件电路结构存在差异,也是造成测量误差的原因,解决此类误差只能在设计对称结构的硬件电路时,尽量选用相同的元器件。
4 结论
为了解决宽频信号相位测量精度与微处理器主频之间的矛盾,本文通过引入差频变换原理,设计出一种基于ADuC7128微处理器的宽频带相位测量系统。该系统能够完成输入信号在0~10 MHz范围内的相位测量,测量分辨率可达0.1°,通过使用ADuC7128芯片内部DDS模块,节省了硬件成本,同时也降低了电路设计的复杂性,增加了系统的可靠性。试验表明,该系统设计方案可行、测量结果准确。如果直接选择主频较高的微处理器或者通过时钟倍频的方法提高计数脉冲速度,在此设计方案基础上,就能够进一步拓宽相位测量的频带。
来源:维库开发网

