- 易迪拓培训,专注于微波、射频、天线设计工程师的培养
一种新型电池组单体电池电压检测方法
一、引言
随着纯电动车及混合动力车的发展,作为重要储能设备的串联电池组是影响整车性能的一个关键因素。
延长电池寿命,提高电池的使用效率是电动汽车商品化、实用化的关键。由于水桶效应的存在,串联电池组的整体性能取决于电池组中性能最差的单体电池,为了能够对串联电池组的能量使用进行有效管理,需要实时监视串联电池组中的单体电池状态。在表征电池状态的参数中,电池的端电压最能体现其工作状态,因此精确采集电池组中各个单体电池电压十分重要。
二、现有单体电池检测方法
目前单体电池电压测量方法有许多,主要可归纳为分压电阻降压、浮动地测量、模拟开关选通等几种方法,下面就这些方法做一个分析:
1、电阻分压法
电阻分压法主要是通过电阻分压将实际电压衰减到测量芯片可接受的电压范围,然后进行模数转换。U1对应BT1 的电压,Un-1 对应从BT1 到BTn-1 之间的电压,Un 对应整个电池组的电压,如图1 所示。这种方法测量方面,成本低,寿命长,但是存在累积误差,且无法消除。随着单体电池数的增多,单体电池电压测量误差会随着共模电压的增大而增大。

图1 电阻分压方案
2、浮动地测量法
使用浮动地技术测量电池端电压时,窗口比较器会自动判断当前低电位是否合适。如果合适直接启动模数转换进行测量;如果太高或太低,则通过微控制器经数模对低电位进行浮动控制使低电位处于合适的状态下。该方案由于低电位经常受现场干扰而变化,不能对低电位进行精确控制,影响整个系统的测量效果。
3、模拟开关法
采用模拟开关的方案通过模拟开关选择测量通道,每个通道采用运算放大器组成线性采样电路。当选中需要进行测量的通道后,模拟开关的输出经电压跟随器送入模数转换器进行模数转换。该方法根据串联电池组总电压的大小,选择适当的放大倍数,不必电阻分压网络或改变低电位就可以直接测量任意一只电池的电压,测量方便。但是该方法需要数量众多的运放和精密匹配电阻,成本高,且电阻的分散性会导致测量结果分散性较高。
文献[4]提出采用开关矩阵构建测量电路,该方案成本低,测量精度高,但是需要绝对值电路。文献[5]采用运算放大器结合继电器的方法,可以克服温漂问题,但是与采用模拟开关的方法一样,也需要大量的运算放大器和继电器,且继电器会有寿命问题。
三、新型单体电池电压检测方法
1、整体方案
由于差分放大器可以克服共模信号的干扰,而只对差分信号进行处理。利用开关矩阵把每个单体电池的两端引出,即可进行端电压的测量而不受到其它电池的影响。该方案整体结构如图2所示,当SB1和SB2闭合时,其它开关都关断,电池BT1的两端电位分别接入差分放大器的正端和负端,经过差分放大器放大后送入模数转换器进行模数转换;当SB2和SB3闭合而其它开关都关断时,电池BT2的两端电位进行差分放大器的正端和负端,依次类推可以测量所有电池组中的单体电池电压。

图2 拓扑图
2、信号调理电路设计
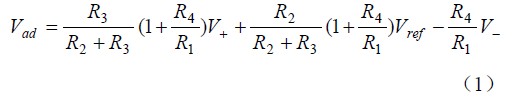
由于图2中的线5和6上既存在有用的差分信号也存在共模信号,为了能够抑制共模信号的影响,采用差分放大电路对差模信号进行放大,其电路如图3所示。根据运算放大器的特性,得到电路的输出信号与输入信号关系为:

这里取R1 = R2 =10 kΩ,R3 = R4 = 5 kΩ,R1、R2、R3、R4均为精密电阻,因此有:

由于差模信号V+-V-可正(测量偶数标号电池)可负(测量奇数标号电池),所以必须提高Vref 以便进行模数转换。

图3 差分放大电路
从上述分析可以看出,整个信号调理电路只需要4个精密电阻和一个运算放大器,非常简洁,而且运算放大只有在需要测量时才与相应的电池相连,不存在文献[5]提到的漏电流问题。
3、开关矩阵的设计与优化
开关矩阵由光耦AQW214EH构成,它具有导通电阻极小,速度快的优点,如图4所示。一个芯片内部集成了两个具有光电隔离的开关,通过微处理器的I/O电平可以实现开和关。

图4 光电继电器电路
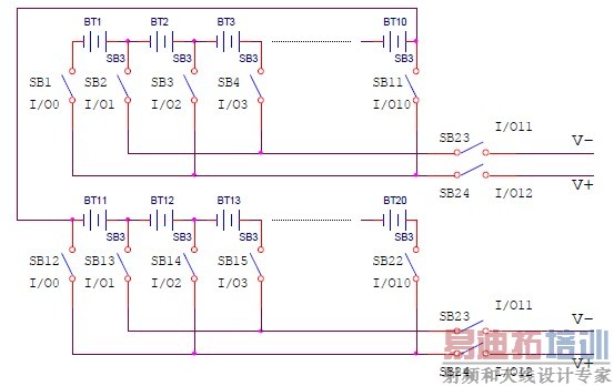
由图2可以看出,当电池组有n个单体电池时,需要n+1个开关,如果每个开关用1个处理器I/O控制,则整个电路需要占用n+1个I/O,当单体电池数目较多的时候,普通的微处理器没有办法承担。所以必须用更少的I/O数量来实现,在此,笔者使用了分时复用的办法。下面以电池组有20个单体电池的情况为例进行说明。
在没有分时复用时,需要占用21个I/O口。现在把电池组分成两半,设计出新的开关阵,如图5.第一部分为1~10号电池,第二部分为11~20号电池。给每个电池端设置一个开关(SB1~SB11,SB12~SB22),分别对单个电池进行选通,同时给每一组电池设置总开关(SB23~SB24,SB25~SB26),来选通第一或第二组电池。开关SB1~SB11和SB12~SB22就可以对应占用相同的微处理器I/O口,即I/O0~I/O10,从而总占用I/O就由21个减少到15个(包括4个总开关I/O)。当测量1号电池时,I/O0和I/O1为低电平,SB1、SB2、SB12、SB13闭合,同时闭合SB23、SB24,断开SB25、SB26,则1号电池端电压进入测量总线V+、V-,经过差分放大、模数转换后便可算出端电压,而SB12、SB13虽然闭合,却没有任何影响。同理,当测量11号电池电压时,闭合SB1、SB2、SB12、SB13,同时闭合SB25、SB26,断开SB23、SB24.测量其他电池时也进行类似处理。

图5 开关矩阵
由上面的分析可以看出,每增加1组电池,只要增加两个总开关I/O.考虑一般情况,假设每组m个电池,总共n组,那么需要的总I/O数就是m +1+ 2n .电池数越多,节省的I/O口越多。该电路的突出特点是不用任何的译码选择芯片(比如3-8译码器),而只通过光电继电器的组合来达到多选一的效果,所需元器件单一,分散性小。尽管AQW214EH的导通电阻非常小,还是存在一定压降,这个可以通过多次试验用软件加以修正。
四、实验结果与分析
为了验证上述方法,设计了一个实验系统,图3中的运算放大器采用OP07,而模数转换采用16位高精度A/D芯片AD7705.随机抽取电池进行测量,测量电压从2.7V~4.2V,每隔0.4V取一个测量点,每隔测量点测6个数据,如表1所示。
表 1 电压转换实验结果

测量结果保留两位小数点,从上表可以看出,本电路测量结果的最大绝对误差基本上可以保持在15mV以内,最大相对误差小于0.02%,完全可以满足实际应用需求。
五、结论
串联电池组的单体电池检测具有重要实际意义,但是存在单体电池多,测量电路复杂等问题。本文利用开关矩阵对单体电池的端电压进行切换,并采用差分运算放大器克服共模信号的影响。详细设计了开关矩阵和差分运算放大器,并进行了优化。最后根据方案实现了电池组单体电压的采集,实验结果表明该方法的精度可以满足要求。相对于其它方法,本方案具有电流简洁,体积小,元件品种少等优点,有利于克服元件不一致引起的分散性。
参考文献:
[1] 田效伍,王昭慧,郑先锋等。大功率镐镍电池智能检测仪的研制[J].河南机电高等专科学校学报,2001,9(4):32-34.
[2] 欧阳斌林,董守田,果丽等。蓄电池组智能监测仪中的浮动地技术[J].电测与仪表,1998,35(396):35-37.
[3] 李树靖,林凌,李刚。串联电池组电池电压测量方法的研究[J].仪器仪表学报,2003,24(4):212-215.
[4]缪传杰,高琛,陈建清,陈文芗。串联动力电池组单体电池电压检测新方法[J].传感器世界,2010,16(4):29-31
[5] 古启军,陈以方,吴知非。 串联电池组电压测量方法的研究[J]. 电测与仪表,2002,39(5):26-29
作者:林立南 来源:《传感器世界》

