- 易迪拓培训,专注于微波、射频、天线设计工程师的培养
基于热电偶试验数据拟合的温度检测仪设计
摘 要:以单片机强大的数据处理功能为基础,以试验数据的拟合而不是理想集成运放的计算公式为测量依据,提出了检测环境电势和现场电势的新方法,并根据两者之和即为热电偶标准电势这一基本依据,设计了基于R型热电偶的测温系统。由于采用了软件对各电势信号处理,大大简化了传统补偿电路,使硬件设计仅包括环境温度测量、现场电势测量及单片机的信号处理三个模块,并且显著降低了成本。仿真表明,系统测温精确,误差小于5℃。
关键词:热电偶;数据拟合;冷端补偿;单片机;热端温度
在航空发动机排气温度检测、热处理、铸造等广泛领域都需要用到温度仪表来检测温度,在这些仪表中用得最多的就是热电偶仪表。然而由于热电偶的非线性特点,使得热电偶的测温电路非常复杂。例如为了实现非线性变化量的测量,传统测温仪表电路往往需要十余个集成运放和近百个外围电阻、电容等元件,不仅电路极为复杂,而且易受环境温度影响,测量精度也难以提高。另一方面,由于用以计算温度的热电偶标准热电势是在其冷端温度为0 ℃时测量的[3],而实际应用中,热电偶冷端温度往往不是0 ℃,受环境影响在-50 ℃~+50 ℃范围内变化,这种大幅度的环境温度变化使热电偶的测量产生巨大误差,因此需对热电偶进行冷端补偿。同样,传统仪表的冷端补偿电路也存在电路复杂、调试困难等缺点。
针对上述传统测温电路的缺点,可对简单模拟电路的输入、输出数据进行拟合,将拟合结果交给数据处理功能强大的单片机处理,就可以使电路的设计结构大大简化,并获得更高的检测精度。本文在对大量试验结果的数据拟合和电路仿真的基础上,提出了新的热电偶测温仪表设计方法,以期为该类型测温仪表的生产提供参考。
1 热电偶的冷端温度补偿
在电极材料和冷端温度保持不变的情况下,热电偶的热电势为热端温度(热源温度)的单值函数。通常工作温度是由冷端为0 ℃时的标准热电势来反映,因此需要对非0 ℃的冷端进行温度补偿。其依据是中间温度定律[1]:
已知热电偶的热端温度为T(℃),冷端温度为0 ℃时的热电势为E(标准电势)。如果:(1)该热端温度为Tn(环境温度),冷端温度为0 ℃时的热电势为E1(环境电势); (2)该热电偶的热端温度为T,冷端温度为Tn时的热电势为E2(现场电势)。那么:
E=E1+E2
(1)
根据该定律,只要设法测出环境电势E1,并将其与热电偶测出的现场电势E2求和,即可计算出对应热源温度的标准热电势E,并由已知试验结果确定出热端温度T。
2
环境电势测量电路设计
热电偶的环境电势是环境温度的单值函数,所以只要利用热电阻等温度传感器测出环境温度就可以由已知的试验结果确定出环境电势。对K型热电偶,其环境电势随环境温度的变化关系可由试验数据的最小二乘拟合得到。其计算公式如下:
E1=0.0392×Tn+0.0340
(2)
式(2)中:E1为热电偶的环境电势(mV); Tn为环境温度(℃)。式(2)适用的温度范围为-50 ℃~+50 ℃。
式(2)中的环境温度Tn可由图1所示的电路实现。其中R22、R16、R17和R18组成测温电桥,其输出信号接差动集成运放UA741。R18为WZB型铂热电阻(0℃时,标称电阻值为100Ω),R16为68Ω标准电阻。该电路可以获得近似恒流法的线性输出电压Vi2和Vi3。显然Vi3与热电阻R18存在线性关系,所以热电阻随温度的变化可以线性地反映到输出端Vo1。通过试验测出不同温度下的输出电压Vo1,将试验结果拟合可确定出环境温度Tn与输出电压Vo1的关系如下:
Tn=33.6080×Vo1-76.8451
(3)
式(3)中,Tn为环境温度(℃); Vo1为输出电压(V)。将模拟量Vo1经A/D转换芯片转换为数字量后送入单片机即可计算出环境温度Tn,再将Tn代入式(2)即可由单片机计算出环境电势E1。

3
现场电势测量电路设计
图2为测量现场电势E2的电路,热电偶所测出的现场电势由电阻R14输入到集成运算放大器UA741。由于集成运放并非完全理想,在精确的测量中,其输出电压Vo2与现场电势E2间的计算关系不能简单地采用理想集成运放的公式确定,而应依据试验建立。本文由数据拟合而确定的现场电势计算公式如下:
E2=16.3017×Vo2-1.2603
(4)
式中,E2为现场电势(mV); Vo2为检测电路的输出电压(V)。将Vo2经A/D转换后的数字量送入单片机,即可由式(4)计算出现场电势E2。

4
热电势测温信号处理电路设计
在确定了环境电势E1和现场电势E2后,即可由式(1)确定热电偶的标准电势E。根据试验结果[4],可得出K型热电偶热端温度T和标准电势E存在如下拟合关系:
T=24.5020×E-4.0446
(5)
式中,T为待检测的热端温度(℃),E为热电偶冷端温度为0℃时的标准电势(mV)。图3为由式(5)拟合的曲线,可以看出,该拟合公式具有很高的计算精度。依据式(5)可由单片机程序计算出热端温度。

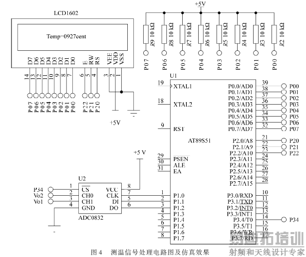
图4为热端温度信号处理电路图(及仿真效果),主要由A/D转换器件ADC0832、单片机AT89S51、液晶显示器LCD1602、上拉电阻R2~R9等组成。

ADC0832主要完成模拟电压信号的采集与转换,该芯片有2个输入通道CH0和CH1,其中CH0输入现场电势信号,接图2的输出电压信号Vo2;CH1输入环境电势信号,接图2的输出电压信号Vo1,2个电势信号的采集次序受单片机AT89S51的指令控制。该芯片转换后的数字信号VAL与输入模拟电压Vi间的计算关系如下[5]:
VAL=51×Vi
(6)
式中,VAL为输出的数字信号(0~255); Vi为输入的模拟电压(V)。当数字信号VAL输入单片机后,即可依据(6)式求出输入电压Vi,并进而由(2)~(3)式计算出环境电势E1和现场电势E2。将两者通过单片机求和即可算出标准电势E。
5
冷端补偿的软件设计
采用单片机软件进行信号处理与运算,可以替代传统集成运放等传统硬件电路,从而简化电路结构,缩小电路板体积。本文由软件实现的冷端自动补偿的部分C语言程序设计如下:
………(受篇幅所限,省略有关液晶驱动、AD转换子程序及有关变量声明)
while(1)
//无限循环以对环境电势和现场电势进行全程采集
{
VAL= A_D0( );
//对通道0进行A/D转换,采集现场电势E2的数字量
E2=8×VAL/25-1;
//计算现场电势,依据式(4)和式(6)的化简结果
VAL=A_D1( ); //对通道1进行A/D转换,采集环境电势E1的数字量
E1=VAL/40-3;//计算环境电势,依据式(2)、(3)和(6)的化简结果
E=E2+E1; //计算标准电势
T=24×E+E/2-4;//计算热端温度,依据式(5)的化简结果
display(T);//调用显示程序,在LCD上显示热端温度
………
}
6
测温仪表的仿真与试验
为确保热电偶冷端补偿的软硬件设计正确,缩短开发周期,本文基于Proteus软件进行了仿真。其基本过程是:(1)设计图1以及图1和图4所示的仿真原理图;然后将图1中的热电阻R18取值为111.88Ω(30℃时的试验值),再将图2中的输入现场电势取为37.325 mV(900 ℃时K型热电偶的标准电势); (3)运行仿真,即可得到图4所示热端温度的仿真效果。进一步试验表明,系统测量误差小于5℃。
热电阻随环境温度的变化,可以线性地变换为环境电势随环境温度的变化,从而可以利用热电阻测出环境电势。现场电势与输出电压间的关系是以试验数据的拟合为基础,而不是简单地利用理想集成运放的计算公式,结果可使检测精度明显提高并简化电路设计,这种设计方法的优点是可以充分利用单片机强大的数据处理功能。
通过对环境电势信号和现场电势信号的采集和A/D转换,再由单片机对转换后的两个数字信号变换、求和,即可实现热电偶冷端的自动补偿,不仅过程简单,而且可以大大简化传统补偿电路,符合用“软件代替硬件”的现代设计思想。
参考文献
[1] 来清民.传感器与单片机接口及实例[M].北京:航空航天大学出版社,2008.
[2] 何希才.常用传感器应用电路的设计与实践[M].北京:科学出版社,2007.
[3] 孟立凡.传感器原理及技术[M].北京:国防工业出版社,2005.
[4] 韩保军.传感器原理及应用技术[M].西安:西安电子科技大学出版社,2003.
[5] 徐玮.C51单片机高效入门[M].北京:机械工业出版社,2007.
上一篇:凌华科技6月份营收超510万美元
月增幅21%
下一篇:CSA
集团收购英国SIRA,提高全球认证和测试服务能力


