- 易迪拓培训,专注于微波、射频、天线设计工程师的培养
GE ESD系统在40万吨/年合成氨、45万吨/年尿素项目中的应用
摘要:
本文介绍了GE 90-70 GMR系统在达州市大竹玖源化工有限公司40万吨/年合成氨、45万吨/年尿素项目一期工程中的应用,具体就GMR系统中输入子系统、输出子系统的硬件配置,以及GMR系统在大化肥主要工段中的应用进行了描述。
一. 项目背景
大化肥行业具有工艺流程长、复杂,且属易燃、易爆危险装置,对安全要求极高的特点。安全联锁采用独立于控制系统的ESD系统显得十分必要。ESD系统是适用于高温、高压、易燃、易爆等连续性生产装置的安全保护系统。当生产装置出现紧急情况时,不需要经过DCS系统,而直接由ESD发出保护联锁信号,对现场设备进行安全保护,避免危险扩散造成巨大损失。
达州市大竹玖源化工有限公司40万吨/年合成氨、45万吨/年尿素项目以天然气为原料,采用蒸汽转化法生产合成氨技术。合成氨装置由Farmland工厂天然气转化部分和Cytec工厂合成氨装置的其他部分组合而成。两厂均采用Kellogg工艺技术。项目工艺装置均为易燃易爆、高度危险、连续生产的重要化工装置,这就要求必须配置先进的、高可靠的设备,配置能充分满足大化肥装置及机组的紧急停车和安全联锁的ESD系统。基于此考虑,其选用了GE公司的 90-70 GMR表决系统。
二.GE的90-70 GMR解决方案简介
美国GE FANUC公司的GMR(Genius Modular Redundancy)三重化冗余控制系统是基于GE Fanuc公司的90-70PLC以及先进的智能化输入/输出模块(Genius I/O)构成的具有国际先进水平的三重化表决控制系统。此系统包含三个独立的90-70PLC以及运行在每个单独系统中的诊断程序。通过三选二的表决,系统为用户提供了高可靠性和无误差操作。还包含了输入子系统及输出子系统。输入输出子系统由智能的、可组态的Genius I/O模块组成,每个模块都有微处理器并提供通讯诊断功能,同时对输出和输入通道有电子保护功能,而且模拟量、开关量等所有模块都可以用在同一总线中。传感器信号被引入到隔离的Genius输入模块,设置在独立机架中,各自独立的CPU从每条Genius总线上接受这些输入信号并对这些信号进行表决,然后,三个CPU中的每一个CPU通过三重化的Genius I/O总线将逻辑状态结果送至输出子系统,Genius输出模块对三重化的输出数据进行表决,然后送至负载。
该系统具有如下特点:
- 容错功能(Fault Tolerant)
- 失败安全(Fail Safe)
- 高等级自检及诊断检测
- 应用灵活性,可组态逐点冗余使之可以根据指定的应用要求配置自己的硬件系统
- Genius I/O加速系统的开车进程,不须长距离拉线
- 支持中央控制和分布控制系统
- 消除保险,减低了平均修复时间(MTTR)
- 故障识别到点级,进一步降低了平均修复时间(MTTR)
- 基于20ms的扫描时间
- 支持三选二、二选二、二选一以及单机系统配置
1、 输入子系统的配置
由于输入子系统可以灵活配置,工艺信号的引入可以是单信号、双信号或是三个信号。信号可以引入单个输入模块也可以到三个模块,供PLC CPU主机进行表决,表决结果送给输出模块组再表决后输出。在该项目的设计中采用了两重化输入方式,一个现场输入信号通过端子排分配到两个独立的输入模块IC660BBD020,每个模块连接到单独的 Genius 总线BELDEN9182。
2、输出子系统的配置
GE GMR输出子系统包括四模块“H”型、二模块“I”型和二模块“T”型的模块组配置,可根据项目成本、项目规模等综合考虑选用输出子系统的配置。输出模块组对从CPU来的输出进行表决,将表决结果输出到负载。基于所有设备的可靠性和可用性 ,采用了“T”型输出配置。每一个现场输出是由两个源型(Source)模块IC660BRD020并联接在负载的一端,负载的另一端接地。这种结构即是失败安全(Fail Safe)的又是容错(Fault Tolerant)的。配置如下图所示。

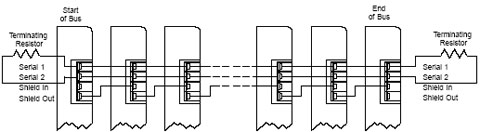
3、Genius 总线BELDEN9182
整个系统的配置中,共有两条Genius总线BELDEN9182贯穿所有的DI/DO模块,每条总线的具体接线如下图所示。

4、外配成套部分
根据信号传输、隔离、转换、分离的需要, 而且,现场仪表信号电缆需先经过过渡端子柜后再接到SIS系统的I/O卡上,因此对于上述系统,还需设置一定的辅助柜SIS1-SIS4(4个辅助柜),其中,SIS1柜为系统电源柜和90-70PLC机架柜,配置2个9槽机架。SIS2-SIS4为Genius DI、DO模块配置柜,另外,还有3台特制操作台,用于安装选择开关、按钮、闪光报警器等。
三.基于合成氨、尿素工艺的控制方案
在化肥厂的中/大型化肥生产装置中,压缩机组作为大型的转动设备得到了大量应用。并且作为核心装置,是生产的关键装置。所以透平压缩机组的联锁控制,是保证整个化肥装置安全生产运行的关键。此项目中压缩机控制包括了天然气压缩机联锁、空气压缩机101-J联锁、合成气压缩机103-J联锁、氨压缩机105-J联锁、CO2压缩机C-101联锁。
其他工段控制方案包括了:
- 高低温变换工段联锁
- 脱碳工段联锁
- 甲烷化工段联锁
- 工艺空气停车系统联锁
- 引风机联锁
- 送风机联锁
- 一段炉燃料安全系统联锁
- 辅锅燃料安全系统联锁
- 开工加热炉燃烧安全联锁
- 原料气停车系统联锁
- 厂级事故停车联锁
其中厂级事故联锁停车作为整条工艺流程安全生产的保障,显的尤为重要。

四.总结与展望
ESD系统作为整个化肥生产工艺装置安全联锁的核心控制系统,其可靠性和稳定性直接影响着全厂的生产安全。 GE 90-70 GMR系统提供从输入到CPU控制器以及输出的各种组合,符合IEC61508标准并可达到和获得TÜV AK1~AK6/IEC SIL1~SIL3等级认证。其在达州玖源4045大化肥项目装置上成功应用,对现场设备进行安全保护,避免危险扩散造成巨大损失,为工厂安全生产保驾护航。
关于GE智能平台
GE智能平台是一个提供高新技术的企业,它为世界各地的用户提供用于自动化控制的软件、硬件和技术服务以及嵌入式计算。我们为用户提供一个独特的,灵活的,超可靠的技术基础,使得他们在包括能源、水处理、消费品、国防和防御,以及通讯等产业领域获得持续的优势。GE智能平台是一家总部设在美国弗吉尼亚州的夏洛茨维尔的全球性企业,是GE企业解决方案集团公司的一员。想获取更多信息,请访问:www.ge-ip.com/cn。
上一篇:流量传感器LMM-01在汽车电子中的应用
下一篇:安捷伦科技公司推出业界首个
3GPP
LTE-Advanced
设计与测试解决方案


