- 易迪拓培训,专注于微波、射频、天线设计工程师的培养
基于心电反馈的注意力缺陷多动障碍矫正仪
注意力缺陷多动障碍(Attention Deficit Hy-peractivity Disorder,简称ADHD)是儿童和青少年常见的行为问题之一,是由非智力因素引起的一组征候群,通常患儿智力正常或接近正常。其发病原因和发病机制至今不明,目前认为是由多种生物因素、心理和社会因素所致的儿童期行为、情感和认知异常。不同的文化背景和不同地域的患病率不同。国外流行病学资料显示,AD-HD患病率为3%~10%。我国学龄儿童ADHD的患病率为6%,并有逐年上升的趋势,男女性别比为4:1。ADHD主要以注意力不集中、多动、冲动任性、认知功能有缺陷、发育延迟、有学习和行为问题为突出表现,同时常常合并多种心理病理表现,其核心问题是自制能力不足。尽管随着年龄的增长,ADHD儿童的多动水平会下降,但ADHD的很多症状可延续到少年,以至成年,并会导致成年后的社会经济地位低下、受教育程度低,工作能力、社交能力低下。约有1O%的AD-HD患者成年后存在严重的精神病或反社会行为问题。随着医学模式的改变,越来越多的医生和家长关注到儿童ADHD,尤其是ADHD患儿成年后的表现和结局,更是人们最关心的问题,因此,做好早期发现,早期干预和治疗很有必要。
1 现有治疗方法简介
一般来说对注意力缺陷多动障碍的治疗方法可分为药物法和非药物法。在临床上通常将这两种方法结合使用。
1.1 药物治疗
目前治疗ADHD有91%依赖药物,且疗程均在6个月以上。具体治疗方式大致如下:
(1)中枢神经兴奋剂治疗
简称中枢兴奋剂,若要疗效满意需维持3个月以上后才可逐渐减量。研究己证实,这类药物的短期疗效十分显著,有效率为65%~75%,不同剂量作用不同,高剂量可改善认知功能和注意力,低剂量可改善行为、社交技能和冲动。
(2)三环类抗抑郁剂
对单纯ADHD的行为改善最为显著,但对注意力的疗效不理想,且心血管等方面副作用较大。该类药物可缓解ADHD及抑郁症状,其效果与中枢兴奋剂相当。
(3) a-受体激动荆
可乐平(平均剂量为0.2 mg/d)对ADHD行为的改善优于对认知的改善,常用于合并抽动症的多动儿童。
(4)中医与中药治疗
包括针灸疗法、耳针疗法和中成药等。治疗儿童多动症有效率为84.8%,治疗期间需结合心理疏导。
药物治疗可能会造成患者心血管损害、药物成瘾;厌食、腹痛、肠胃功能紊乱;头晕、头痛、失眠、肝损害;多疑、狂躁等精神障碍甚至导致心源性猝死。
1.2 非药物治疗
非药物制序包括家庭、社会关怀教育,心理辅导治疗,传统行为游戏治疗和生物反馈治疗等。具体方法如下:
(1)家庭与社会关怀治疗
可由治疗师每周给家长和教师讲课,教给他们标准的行为技巧,给孩子制订奖惩规则。多关注孩子的良好行为而有意忽视不良行为,并且要求老师和家长以报告卡的形式互相反映情况,一般培训时间需8~20周。同时要有目的地指导多动症儿童与有同情心的伙伴多接触,这样不仅可以完成一定的运动量,而且可为他们提供社会化的环境,从而让他们学会处理人际关系方面的问题。
(2)心理辅导治疗
该方法通过语言的自我指导、角色排演、自我奖赏和自我表扬等方法,来改善和矫正儿童的行为问题。具体的操作由心理治疗师来进行。治疗师教给患儿一些认知技巧,包括言语自我指导、解决问题方法认知模式建立、自我监督、自我评估和自我强化等。通过角色排演,使儿童在其它场合能够运用这些技巧控制注意力不集中和冲动行为。一般每周进行治疗1~2次,时间需持续数周至数月。
(3)传统游戏治疗
通过让患者做同类行为,包括数黑点、夹乒乓球、拼图;连续计算、回答简单问题;普通电子游戏等来让患者保持较长时间的注意力。但是,这些游戏极为枯燥,引不起患者注意或游戏内容不适合治疗对象。不能抑制患者注意力的转移,而且某些游戏(例如网络游戏)有副作用,容易转变为网瘾等其它心理疾病,且治疗效果会受到限制。
(4)生物反馈治疗
生物反馈治疗是指利用各种技术,以视觉和听觉形式显示体内的某些生理活动,通过指导和自我训练,有意识地控制这些生理活动,从而达到控制某些病理过程,促进机能恢复的目的。它的理论基础是“操作性条件反射”。我们的研究目的就是利用心电生物反馈技术来改进患者的注意力缺陷和多动障碍症状。
2 心电反馈与注意力缺陷障碍的关系
人们普遍认为,心脏是循环系统的动力和枢纽,而思考和情感的功能归于大脑。然而。随着科学研究的深入,科学家得以从不同方面重新审视心脑关系以及心脏对身心健康的影响。在我们体内,不同器官和系统都会影响到我们的情感,其中心脏扮演着特别重要的角色。心脏与大脑之间的沟通系统比所有其它人体器官与大脑间的沟通系统都要发达,心脏每跳动一下,不仅输出血液,也把复杂的神经、激素、压力、电磁信息传输到大脑和全身。它是连接身体、头脑、情感、精神的节点,是身心这个复杂网络的入口。
因此,心脏的律动并非仅仅实现单一的供血功能,它既反映着、也影响着自主神经系统的状态。研究发现,从心脏的律动中提取的心率变异性(Heart Rate Variability简称HRV)能够有效地用来考察情绪对自主神经系统的影响,它是显示身体自主神经系统平衡状况的动态窗口。
在注意力集中情况下,自主神经的两个部分(交感神经和迷走神经))均处于兴奋状态,其效应对抗后达到平衡,反应在心率上为其净效应。在安静状态下,显然是迷走神经的影响为主,而随着运动负荷的增加,迷走的活性降低而交感的兴奋性增加。
心电反馈治疗的具体机理是应用操作性条件反射的原理,以心电生物反馈仪为手段,通过训练,使患者的自主神经达到平衡状态来达到预期目的。应用于人的过程就是利用心电检测电路将患者的HRV指标检测和分离出来,然后利用心电反馈技术将该指标传人患者的矫正游戏程序中。该指标会影响到游戏程序的进程,当该指标满足要求时,就会以奖励的方式反馈给患者,反之,就会停止奖励。即只有注意力集中的情况下,游戏才会顺利进行。这样,通过一段时间的自身调节,便可改变患者的自主神经平衡状态,从而实现矫正注意力缺陷障碍的目的。
3 系统总体结构
本系统集心电数据采集、预处理、A/D转换及USB传输、数据浏览(包括QRS波检测、HRV预处理、R-R间期序列、N-N间期序列)、HRV分析、游戏矫正程序等多功能于一体,主要包括数据采集及预处理、A/D转换及USB传输、数据浏览、HRV分析、游戏矫正程序五大功能模块,且各模块相对独立。将这些模块配置到不同的系统中,即可实现不同的功能,其系统总体框图如图1所示。前两部分为硬件部分,后三部分软件可在Windows XP平台下,用VB编写界面,而用VC编写处理部分。

4 系统功能
本系统由实时心电数据采集与显示、HRV分析、游戏矫正程序等部分构成。
4.1 实时心电数据的采集与显示
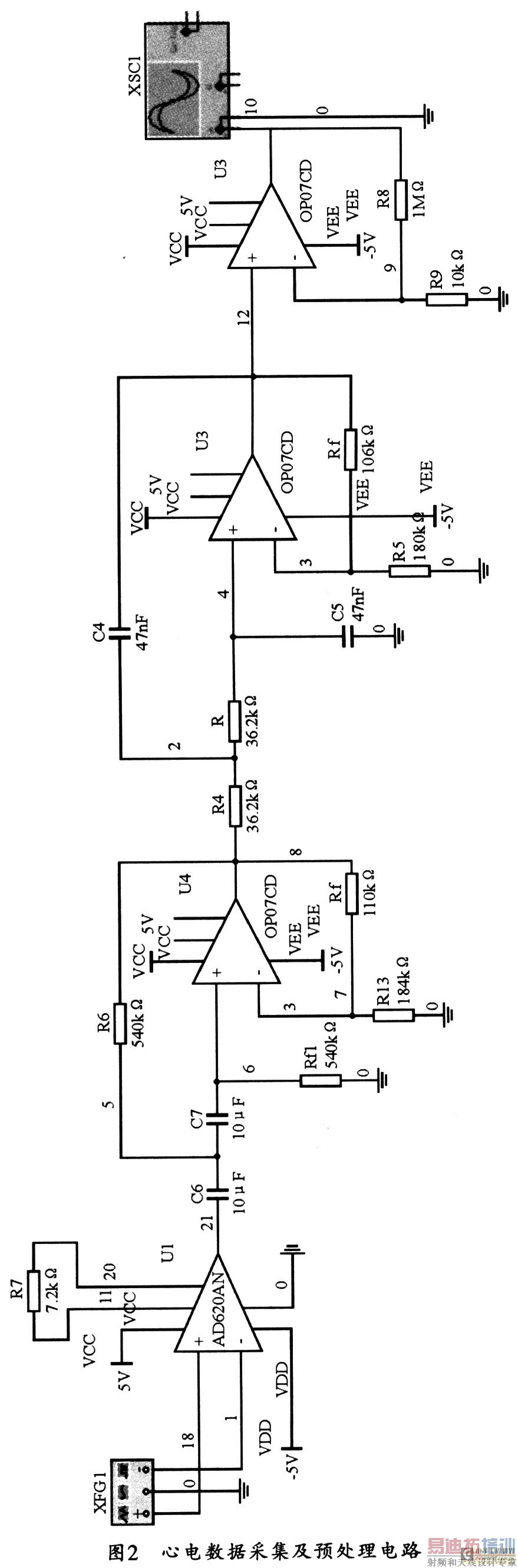
心电信号(ECG)经心电放大器放大、滤波及50Hz工频陷波后送入A/D转换器,图2所示是本系统的心电数据采集与预处理电路。本系统采用阿尔泰公司的USB2010AD多功能接口板对经过处理的ECG信号进行采样,采样速率为1000 Hz 。在数据采集的同时,ECG波形即在屏幕上实时显示,数据采集时间也同时显示在屏幕上,并可由用户自已控制采集时间的长短。根据HRV分析的需要,数据采集时间最好在30分钟以上。

4.2 HRV分析
对HRV中能够表征注意力集中度的参量进行提取时,首先要了解心电信号的波形特点,图3所示是正常人体的心电信号波形图。

图3所示的常规心电图一般由P,Q,R,S,T构成,图中,对诊断很有价值的几个波形参数是P波、R波、QRS复合波、ST段、T波、Q-T间期和TP段,它们分别可从不同角度反映心动周期里一系列综合向量的变化。心率变异性分析则是通过测量连续正常的QRS波群周期之间的变化(beat to fluctuation)变异数(Variance),从而反应心率的变化。它不同于常用的以时间为单位的平均心率变化指标(如最大心率或最小心率等),HRV的大小并不反映心率的快慢。反映窦性心率的应该是P-P间期。所以,更确切地说,HRV分析是测量连续P-P间期之间差异的变异数,然而,P-P间期目前尚难以准确测量,且在一般情况下,P-P间期与R-R间期相等。因此,目前分析均以R-R间期代替P-P间期,或称N-N间期。HRV在临床上被用作无创伤性地反映自主神经系统活动的指标。
具体的HRV分析可采用散点图分析法。对于相邻两心拍的R-R间期,若以前一心拍R-R间期为横坐标,后一心拍R-R间期为纵坐标,即可得到Lorenz散点图。散点图中包含了HRV的线性和非线性变化趋势。常人的散点图大多集中在45°射线附近,自下而上向两侧散开呈彗星状。通过散点图可了解被检测者的自主神经功能状态。
4.3 游戏矫正程序
通过一定量的试验,可以确定注意力集中度正常者的散点图分布范围以及患有注意力缺陷障碍患者的散点图分布范围,然后在程序中定义一个参量Attention(其类型为BOOL型,注意力集中时,它的返回值为TRUE,反之则为FALSE),再将该参量引入游戏程序中,患者可以在主程序界面中选择不同游戏来进行矫正治疗。现以其中一款游戏为例来说明其矫正原理。
游戏开始后,屏幕上会出现三辆赛车,中间的一辆是由患者本人控制的,其它两辆是由计算机程序设置自动运行的。设在某个游戏等级时患者本人控制赛车的初始速度为v,其它两辆赛车的速度总是v的0.8~1.2倍,具体的倍数由计算机在该范围内形成的随机数产生。患者本人控制一辆赛车包括了其双手操作和心电反馈的Attention参量控制两个方面。对赛道上随机出现的路障,患者应用手控键盘操控赛车躲避。赛车每碰上一个路障,速度降低0.1v,成功绕过路障时赛车速度维持不变。患者在操控游戏的同时,系统可对患者的HRV进行复杂度分析并输出患者的注意状态值,注意状态连续保持5 s则速度增加0.1v。注意状态保持不到2 s则速度减少0.1v;注意状态连续保持在2~5 s之间时,维持原有速度。游戏运行30分钟算一个段落,记录患者积分。
这样通过长期的不断的治疗,患者最终就会保持一定程度的注意力集中状态,并最终克服注意力缺陷多动障碍。
5 结束语
本系统界面友好,操作方便,集成度高。操作界面由主菜单、子菜单、按钮、图标等组成。用鼠标点击代表实际对象的图标、菜单、按钮,便可实现相应的功能。本系统集心电数据采集、预处理、A/D转换及USB传输、数据浏览(包括QRS波检测、HRV预处理、R-R间期序列、N-N间期序列)、HRV分析、游戏矫正程序等多功能于一体,而且针对性很强。由于注意力缺陷多动障碍患者大多处于青少年期,因此,本设计利用电脑游戏来进行治疗的方案易于被接受,治疗效果较一般传统的药物治疗和其它治疗效果要好。
此外,本系统的分析结果表示直观。系统将心电波形实时还原显示,可以直观地看到患者心电波形的变化,同时还可以看到HRV分析后得到的散点图,这些都便于医生做出正确合理的治疗判断。
上一篇:测控技术在汽车中的应用
下一篇:OTDRPON测试方案


