- 易迪拓培训,专注于微波、射频、天线设计工程师的培养
基于单片机的电量参数测量仪设计
摘要:本系统包括前端处理网络、继电器断电控制电路、电参量测量模块、单片机键盘及显示电路等模块,可以实现交流信号的电压有效值、电流有效值、有功功率、电能、功率因数和频率等的测量,同时完成各电参量的LCD实时显示,大电流检测报警及电能不足报警。SPCE061A单片机主要用于控制LCD显示各电参量,由键盘输入设定值,以及继电器的通断。系统还扩展了语音播报,谐波功率分析等功能。
关键词:电参数,测量仪,SPACE061A,CS5463
一、引言
电能各参数的测量是电力系统设计中的一个重要环节,包括电压、电流、功率、电能等参数。本文设计了一种以凌阳SPACE061A单片机[1]为控制核心的电参数测量仪,通过对智能电量测量芯片CS5463的读写,达到对电量的各个参数进行测量和实时显示的目的。
二、系统设计
2.1系统总体设计
本系统主要由SPCE061A单片机、电源电路、取样网络、继电器开关模块、真有效值测量电路、键盘显示和时钟等模块组成,系统框图如图1所示。
图1系统结构框图
2.2有效值转换设计
CS5463是一片集成功率测量芯片,内部集成了两个ΔΣ模-数转换器(ADC)、高速电能计算功能、能量频率转换器和各种电参量计算芯片。图2为CS5463的结构电路图。
图2CS5463内部结构原理图
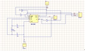
电网电压经过电压分压电路转换成小电压信号输入到CS5463A的电压通道输入脚,电网电流经过电流互感器转换成电流小信号,再通过电流采样电路得到小电压信号输入到芯片的电流通道输入脚。CS5463A将转换后得到的信号进行数字处理并计算测得电网电压、电流、功率等数据,再通过一个SPI口与计量微处理器进行通信,将测量到的数据传输到计量微处理器进行处理,如计算功率因数角、频率;判断有功无功功率方向、电压是否逆相序;进行数制转换等 [2]。图3为CS5463的电路连接图。
图3CS5463电路连接原理图
2.3电源模块
为满足系统各模块电源的要求,我们选用7805、7905分别产生正负5V的电压给CS5463和SPCE061A提供电源,电路图如图4。
图45V电源电路原理图
2.4继电器开关模块
固态继电器(SolidStateRelays,缩写SSR)是一种无触点电子开关,由分立元器件、膜固定电阻网络和芯片,采用混合工艺组装来实现控制回路(输入电路)与负载回路(输出电路)的电隔离及信号耦合,由固态器件实现负载的通断切换功能,内部无任何可动部件[3]。
2.5时钟电路
采用时钟芯片DS1302完成分时记录电能。DS1302是美国DALLAS公司推出的一种高性能、低功耗、带RAM的实时时钟电路,它可以对年、月、日、周日、时、分、秒进行计时,具有闰年补偿功能,工作电压为2.5V~5.5V。采用三线接口与CPU进行同步通信,并可采用突发方式一次传送多个字节的时钟信号或RAM数据。DS1302内部有一个31×8的用于临时性存放数据的RAM寄存器[4]。图5为DS1302的接线图。
图5DS1302电路原理图
2.6按键模块
按键采用ZLG7289B芯片。ZLG7289B是广州周立功单片机发展有限公司自行设计的具有SPI串行接口功能的可同时驱动8位共阴式数码管或64只独立LED的智能显示驱动芯片。该芯片同时还可连接多达64键的键盘矩阵单片即可完成LED显示﹑键盘接口的全部功能。
ZLG7289B内部含有译码器可直接接受BCD码或16进制码并同时具有2种译码方式此外还具有多种控制指令如消隐﹑闪烁﹑左移﹑右移﹑段寻址等
ZLG7289B具有片选信号可方便地实现多于8位的显示或多于64键的键盘接口,常用于各种仪表的输入,可以方便的扩展输入功能。其典型应用原理图[5]如图6.
图6ZLG7289B典型应用电路原理图
2.7液晶显示模块
液晶采用OCMJ4X8C图形汉字两用液晶,体积小,地重量轻。接口电路简单,可以直接和单片机连接,显示内容丰富。既节约IO口,又可以实现友好的人机显示界面。此模块通过主机进行串行数据传输。
2.8系统软件设计
软件设计主要用于完成:人机界面设置,继电器控制报警,CS5463转换数据的处理及液晶显示,打印机的输出控制,实时时钟芯片控制等,增强仪表的智能化。本系统软件流程图如图7所示,电参数测量流程图如图8所示:
三、原理分析与计算
图9 CS5463内部数据测量流程图
图9为CS5463内部数据测量流程图。根据CS5463芯片手册的公式[2]:
四、误差分析及解决措施
1. 误差分析:
(1)由于芯片内部相对于电源的参考电源线电压和线电流之间存在误差,影响所测值的准确度。
(2)电网信号的波动比较大,且互感器的变比不精确,影响电参量
精度。
(3)电压和电流互感器及加到电压/电流传感器网络前端的其它传感器/滤波器/保护器件经常会引入相位延迟,破坏被测电压和电流信号的相位关系,影响参数精度[6]。
2. 解决措施:
(1)在系统运行前,先经过校验,得出零点偏移,满量程偏移和温漂等,利用CS5463内部的校准寄存器对测量参数进行修正。
(2)通过前端输入滤波,减小谐波影响,同时开通集成芯片内部的滤波通道,提高抗干扰能力。
(3)通过前期校验,得出相位补偿系数,输入集成芯片内部进行补偿。
五、总结
本系统以高性能的集成功率测量芯片为核心,通过SPCE061A完成控制和友好的人机交互功能,增强了系统的可实用性。CS5463具有高精度的测量性能,同时集成了有效值、有功功率、频率、功率因数等比较完整的测量功能。另外通过SPCE061A单片机扩展了语音播报功能和打印机输出功能。
作者简介:
付伟(1986.9-) 男,山东大学控制科学与工程学院在读硕士研究生,研究方向:计算机先进控制系统与图像处理。
董敏亚(1988.6-) 男,山东大学控制科学与工程学院在读硕士研究生,研究方向:系统工程。
张连生(1985.12-) 男,山东大学控制科学与工程学院在读硕士研究生,研究方向:计算机先进控制系统。
上一篇:药用复合软膏管的检验方法与测试仪器
下一篇:泰克公司在中国加强了校准服务能力


