- 易迪拓培训,专注于微波、射频、天线设计工程师的培养
基于AT89S52 和K9F6408U0A 的语音数字系统设计
摘要: 在研究传统语音录放电路的基础上,提出了一种基于AT89S52 的音频信号采集、存储与处理系统。该系统以单片机AT89S52 为控制器, 采用键盘和LCD 作为人机界面,ADC0809 采集音频信号, 扩展8 MB 闪速存储器K9F6408U0A作为数字化音频信号的存储器,通过软件滤波滤除噪音;采用PWM 产生声音的原理,使存储在Flash 中的音频数据控制PWM 每个波形的占空比,通过低通滤波器将声音从PWM 的脉冲中分离,并驱动扬声器。实验表明:8 kHz 采样频率和8 位采样位数可获得清晰的语音以及较好的音乐声,语音存储时间达15 min。
数据采集技术涉及领域广,采集信号的动态范围宽,处理数据量大,对系统实时性能要求高。以数字信号的形式对信号进行处理,具有处理速度快、灵活、精确、抗干扰能力强、体积小及可靠性高等优点,满足了对信号快速、精确、实时处理及控制的要求。本设计利用了数字电路的这些优点,对传统的模拟录音电路进行了改进,以较低的成本使性能得到了提高。
1 方案论证
本设计以数字化信号的形式对音频信号进行处理,有以下3 种方案可供选择:
1)直接利用语音芯片进行语音录放。Winbond 公司的ISD系列语音芯片采用了Chip-Corded 专利技术, 声音无需A/D转换和压缩就可直接存储,不存在A/D 转换误差,在一个记录位(BIT)可存储多达250 级声音信号,相当于通常A/D 技术记录容量的8 倍。片内集成了晶体振荡器、麦克风前置放大器、自动增益控制、抗混叠滤波器、平滑滤波器、声音功率放大器等,只需很少的外围器件,就可构成一个完整的声音录放系统。
2)利用DSP 对采样信号进行处理。DSP 是专门为快速实现各种信号处理算法而设计的、具有特殊结构的微处理器,其处理速度远远超过一般的CPU。
3)利用AT89S52 作为系统主控芯片,利用ADC0809 对音频信号进行采集和A/D 转换,将转换得到的数字化音频信号存储到扩展的数据存储器中,利用软件对信号进行数字滤波,最后通过单片机输出PWM 信号来完成放音。
从经济和技术等因素考虑对上述3 种方案进行比较:直接利用语音芯片可以减少很多外围电路, 电路设计方便,但语音芯片使用不够灵活。DSP 具有强大的数字信号处理功能,使用灵活,但该芯片价格较高,不适于一般的应用。方案3)中器件均为常用芯片,易于获取,且价位不高。因此,方案3)为最佳设计方案。
2 硬件设计
图1 为系统硬件结构图。音频信号通过拾音器将声音信号转换为可以处理的电信号,前置放大电路用来对拾音器的输出进行放大, 与A/D 转换电路匹配,A/D 转换电路实现对模拟信号的编码。微处理器是系统的核心,它用来对数字化音频信号进行处理和存储,协调系统各个部分的工作,输出PWM 波来驱动输出电路。

图1 系统硬件结构框图。
2.1 单片机
单片机是系统的控制中心, 它主要实现以下的功能:控制LCD 显示语音信号的相关信息, 控制按键识别和功能选择; 控制音频数据的采集并存储在Flash ROM, 放音时读取Flash ROM 中数据,用软件方法产生PWM 脉冲信号,实现语音的存储和回放。
2.2 声音信号拾取、放大电路
声音信号拾取电路就是将声音信号转换为电信号的装置。本设计选用麦克风,它是一种声敏电阻,其阻值随外界声音信号的变化而变化,将其串联在电路中,电阻的变化形成电压的变化,经过电容通交隔直,就得到了表征声音信号特征的电信号。
然而由于声音信号拾取电路输出电压的幅值很小,为20~25 mV,若将该信号直接与A/D 转换电路相连,由于A/D转换器最小分辨电压也为毫伏数量级, 会产生很大的误差,为了保证系统的精度,在和A/D 转换电路相连之前,需串联一个放大电路, 考虑到声音信号拾取电路的输出信号很小,放大电路的失真度和噪声对系统的精度影响最大,故将其设计为抗共模干扰强的并联负反馈放大电路, 由于音频信号的频宽较大,故选用宽频带,低输出阻抗的双运放NE5532。
2.3 A/D 转换电路
A/D 转换电路由A/D 转换器ADC0809 与系统处理器AT89S52 组成, 主要实现对放大后的声音信号进行采样。
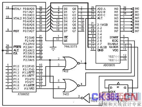
ADC0809 与AT89S52 的电路连接如图2 所示。

图2 ADC0809 与AT89S52 的连接电路
从图2 中可以看到,把ADC0809 的ALE 信号与START信号接在一起,这样可使得在信号的前沿写入(锁存)通道地址,紧接着在其后沿就启动转换。启动A/D 转换只需要一条P2.7=0 指令。在此之前,要将P2.7 清零并将最低3 位与所选的通道对应的地址送入数据指针DPTR 中。ADC0809 的转换结束信号EOC 取反后与AT89S52 的INT1 相连,采用中断方式读取A/D 转换结果,并启动下一次A/D 转换。也可定时启动A/D 转换,并读取上次转换结果。
2.4 声音编码存储电路
在采样时每一采样点都会产生1 字节的数字编码信号,由于采样的频率为8 kHz, 若录音15 min, 则所需的存储空间为7.031 25 MB,故系统选用8 MB 的Flash 存储器K9F6408U0A,由于该存储器的地址线和数据线可复用[3],这样可节省I/O 接口。K9F6408U0A 的最大优点在于其命令、数据和地址均可通过8 条I/O 接口线与主控制器进行通信, 大大简化了系统的连线, 增强了系统的稳定性。除8 条I/O 接口线外,K9F6408U0A 还包括以下控制线,1)CLE: 命令锁存使能端,高电平有效。在WE 信号的上升沿,命令信号可通过I/O 口锁入命令寄存器;2)ALE:地址锁存使能端,高电平有效。在WE信号的上升沿, 地址信号可通过I/O 口锁入地址寄存器;3)CE:片选线,低电平有效。在页编程或块擦除操作期间或器件处于忙状态时,CE 高电平将被忽略,4)WE: 写使能口,命令、地址和数据在WE 信号的上升沿被锁定;5)RE: 读使能口,在该口的下降沿将数据送到I/O 口线上,并使内部列地址寄存器加1;6)WP:写保护口,低电平有效,当其为低时,编程和擦除操作禁止;7)R/B:操作状态指示信号。为低时,表示正在编程、擦除或读操作,操作结束后变高。利用上述控制线,从而方便实现系统主控制器对K9F6408U0A 的控制。AT89S52单片机与K9F6408U0A 存储接口电路如图3 所示。

图3 AT89S52 与K9F6408U0A 存储接口电路。
2.5 PWM 输出电路
本设计采用单片机输出PWM 信号驱动音频放大电路,PWM 输出电路如图4 所示。PWM 是一种利用微处理器的数字输出控制模拟电路的有效技术,对一系列脉冲的宽度进行调制,等效获得所需波形,并且由于没有使用D/A 转换器,系统成本减少很多。PWM 的优点是从处理器到被控系统信号都是数字形式的,无需进行D/A 转换。让信号保持为数字形式可将噪声影响降到最小。此外PWM 信号很容易通过MCU 的软件进行控制,即使电路稍微有些系统误差,易于通过软件进行校正。
图4 中, 利用单片机的P1.7 引脚输出一定宽度的PWM信号,通过三极管整形后,作用在惯性环节上,得到的输出信号PWMOUT 将作用在音频功放电路上,还原为声音。

图4 PWM 输出电路。
2.6 音频功率放大电路
为了使系统有足够大的输出,驱动扬声器发声,便于调节音量, 在PWM 输出电路后使用了音频信号功率放大器LM386 构建功率放大电路,如图5 所示。

图5 音频功放电路。
LM386 型音频功率放大器主要应用于低电压消费类产品。为使外围元件最少,电压增益内置为20。但在其引脚1 和8 之间外接电阻和电容, 便可将电压增益调为任意值, 直至200。输入端以地位参考,同时输出端被自动偏置到电源电压的一半, 在6 V 电源电压下, 其静态功耗仅为24 mW, 使得LM386 特别适用于电池供电的场合。PWMOUT 为PWM 输出电路的输出,扬声器为8 Ω,0.5 W。经过调试发现将电源+5 V用10 μF 和0.1 μF 的电容滤波后,会减小很多噪声,效果较好。
3 系统软件设计
系统具有录音、放音、暂停、清除存储内容等功能,各种功能由按键来选择,系统首先扫描各个按键的状态,如果有按键按下,就转往相应的处理程序,系统程序流程如图6 所示。

图6 系统流程图。
3.1 系统初始化程序
系统初始化程序主要对单片机中断、定时器、LCD 初始化、键盘、PWM、K9F6408U0A 存储接口,以及ADC0809 地址、程序中要用到的各个变量进行设置。
3.2 按键扫描程序
由于录音和暂停是由和外部中断引脚相连的2 个按键来设置,一旦按键按下就进入录音或放音程序,所以按键扫描程序用于扫描放音键和清除键是否按下。
3.3 录音程序
与外部中断0 相连的按键按下,则进入录音程序。
录音过程实质上是启动ADC0809 对模拟音频信号进行采样, 并将A/D 转换结果存储到外围数据存储器中的过程,故其主要包含对ADC0809 进行读取, 对外围数据存储器进行写入两个部分。
提取声音数据时,要注意采样频率、采样位数、存储容量与存储时间的关系,通常8 kHz 的采样频率和8 位的采样位数可获得清晰的语音以及较好的音乐声,并且占有较少的存储空间。
以8 kHz 的采样频率启动ADC0809,并读取上次采样结果,写到外扩Flash 存储器的代码片段如下:


3.4 放音程序
若P1.0 按下,则执行放音程序。放音过程实质上是读取外围数据存储器中的数据,将其转化为一定宽度的PWM 波,进行输出的过程。读取K9F6408U0A 的子函数如下:
// 函数名称: READBYTE
产生PWM 波形的步骤:1)设置定时器,产生定时中断,若采样率为11.025 kHz, 则设置定时器的定时中断频率为11.025 kHz;2)初始化PWM 模块,产生11.025 kHz 的PWM波形;3)等待定时器中断,在中断处理程序中取采样数据,并设置PWM 占空比寄存器,判断声音是否播放完成。若完成,则关定时器中断,并停止PWM 输出。
3.5 暂停程序
在录音过程中,如果需要暂时停止录音可以按下暂停键进入暂停状态, 再次按下暂停键可以返回暂停以前的状态。
程序中设置了一个变量来指示现在是应该暂停还是恢复。
3.6 存储器内容清除程序
当存储器内容已满,而又需要录音时,可以按下清除按键,清除一定容量的内容,供用户再次使用。
擦除:以块为单位进行擦除。代码片段如下。


4 调试注意事项
系统进行调试时,应注意以下方面:
1)由于在PCM(Pulse CODe Modulation)编码及DPCM 编码模式下都要采用8 kHz 的采样率,所以,每次压缩中断服务程序必须在不超过125 μs 的时间内完成,因此,压缩录音处理程序的代码必须进行最大可能的优化,以减少程序执行时间,以免采样和数据处理或信息显示发生冲突,也可避免在中断采样时造成采样点的丢失。
2)在选择ADC0809 的时钟时,经典选择是640 kHz 左右,最初选择将单片机的ALE 端4 分频后作为ADC0809 的时钟信号,但发现影响了LCD 的输出显示。将ALE 改为2 分频后(用1 M 触发)作为ADC0809 的时钟信号,问题得到解决。
3)使用MAX813L 复位芯片替代RC 复位电路,使电路可靠复位,结合软件监控实现看门狗功能。
4)当采样频率为8 kHz,字长为8 位时,存储语言时长超过15 min,回放语音质量良好。
5 结束语
利用K9F6408U0A 8 MB NAND Flash 存储器和单片机PWM 功能可为单片机的应用增加语音功能。对声音采样数据的存储方式是用直接的、原始的采样数据。在具体的实际应用中,可选用内嵌A/D 转换器的STC12C5A08AD,可省去外扩ADC0809,使电路更简洁。创新之处在于不使用专用的语音芯片,实现使单片机应用系统语音的存储与回放。
上一篇:新型脑电波信号放大检测电路的设计
下一篇:永定河泛区水情分中心系统集成设计研究


