- 易迪拓培训,专注于微波、射频、天线设计工程师的培养
高效控制多模手机中的天线接收相关解析
过去几年来,手机中的射频信号通道越来越拥挤。移动电话已经从双频向三频甚至四频快速发展。另外,这些多模手机还需要处理来自周边无线设备的各种信号,如蓝牙、WiFi和GPS。随着WiMAX和LTE(4G)的加入,这种复杂度将越来越高。在移动手机中,天线开关控制着天线,以接取所有这些无线信号,扮演着网路守门员的角色。
多频手机设计面临着很大挑战,因为所有这些信号工作在不同的频宽,而且它们都需要接取天线。为了取得最佳性能和外形尺寸,它们最好能透过单一射频开关接取天线。对开关制造商来说,这意味着从单刀四掷(SP4T)相应发展到SP7T甚至SP9T的配置,才能处理越来越多的信号。这种先进的开关需要能够处理由宽频CDMA(WCDMA)和低功率I/O无线设备带来的额外移动通讯频段接取。
可预期的是,手机复杂性会越来越高,要求能够处理更多频段的信号。最可能的情况是,市场将至少标准化七个频段,并且要留出一个空间给第八个频段(LTE)使用。即使今后产生合并,射频电路中由于合并留出的空间也会很快被越来越流行的、也需要接取天线的周边无线电所占据。
管理信号流量
为了支援网际网路、多媒体和视讯应用,3G移动手机市场已经转向WCDMA。相应的GSM也演变成GSM/WCDMA双模技术。为了满足全球需求,目前的GSM手机最多有4个发送(Tx)和4个接收(Rx)通道。增加WCDMA后每个新的频段都要增加另外一个Tx/Rx通道。目前的移动手机设计倾向于采用4xGSM(850、900、1800、1900MHz)和3xWCDMA(850、1900、2100MHz)前端。因此,手机复杂度已经达到空前的水准。
射频前端设计师主要负责天线开关模组(ASM)、前端模组(FEM)和发送模组;其中ASM通常包括开关、解码器、功率放大器(PA)低通滤波器、ESD电路和电压产生器。对射频设计师而言,多频应用意味着艰巨的架构、性能和成本挑战。多频手机中的任何设计折衷都要求手机满足或超过所有标准提到的性能等级。
多模多频的移动手机通常使用单一功率放大器模组处理四频GSM/EDGE信号。另一方面,每个WCDMA频段都需使用自己的独立功率放大器。因此,具有一个WCDMA频段的四频GSM手机至少需要一个单刀六掷(SP6T)开关来管理所有的信号通道。当然,设计师也可以使用一个双工器和两个SP3T(流行的GaAs配置),但与使用单一SP6T开关相较,这种方法将产生较高的插入损耗。
射频设计师必须关注插入损耗,因为它直接影响功率放大器的功率附加效率(PAE)。GSM功率放大器的最大饱和功率通常是3W,平均PAE是55%。必须达到这个效率水准才能确保较长的电池使用时间,因为手机总电流的一半是用在功率放大器上。有鉴于此,设计师必须将保持功率放大器的PAE放在最高优先等级。
一些最早的多频WCDMA/GSM手机采用独立的WCDMA和GSM信号链,并采用独立的天线和无线设计。虽然这种方案在原型和第一代设计中非常有效,但市场压力要求更高性价比并且节省空间的方法。显然,业界要求整合式ASM能够处理7个甚至9个信号。
针对这个需求,业界开发出了SP7T开关来支援具有1个WCDMA和4个GSM频段的手机架构。如PE42672就是采用UltraCMOS制程技术开发的单片式SP7T,它能提供+68dBm的三阶交调截取点(IP3),这个线性度性能值可以满足3GPPIMD3规格相容的手机设计和高效的射频前端要求。IP3与设备的第三阶交调失真(IMD3)性能关联,这些相位上的指标如图1所示。

图1:IP3与元件的第三阶交调失真(IMD3)性能有关。该图显示了UltraCMOSSP7T(PE42672)和SP9T(PE42693)的这些相位上指标。
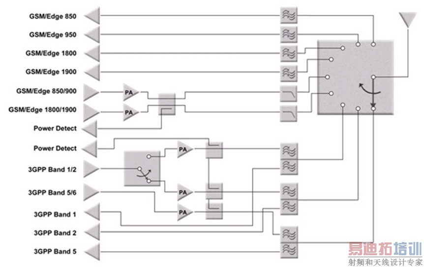
SP6T开关是开关架构方面最新的成果之一。经过配置它可以处理多个频段的WCDMA、GSM和周边无线设备。如图2所示的开关可以处理三频段的WCDMA,并提供到双工器和3个功率放大器模组的通道(每个WCDMA频段要求使用自己的功率放大器和双工器)。这个开关还能处理只有单一功率放大器模组与之相连的四频GSM/EDGE(包含2个功率放大器晶片)。从实际效果看,这个设备必须通过受简单解码器控制的单个开关传送5个高功率讯号。

图2:这个SP9T正在处理三频段的WCDMA,它提供了到达双工器和三个功率放大器模组的通道。
开关要求
随着多频段架构的普及,对功率放大器和相关滤波器的数量提出了严格的要求。事实上,对功率放大器的技术要求没有变化,但手机设计需要使用更多的功率放大器。因此真正改变的,是需要一种高效率方法,将所有射频信号传送给天线──即单片开关。
手机中增加的频段越多,对开关的技术要求就越高,而且WCDMA的线性度和谐波要求对元件性能也带来了很大的压力。例如,目前的开关通常可通过超过+65dBm的IP3。过去,在只有GSM的设计中并没有相似的线性度要求。+65dBm不仅是新的要求,同时是开关制造商难以达到的要求。透过利用UltraCMOS制造制程的线性优势,图2中的单片PE42693SP6T可以保持其前一代SP7T开关+68dBm的IP3,而且IMD3性能超过业界标准的-105dBm(图1)。
SP6T功能可以用GaAs元件实现,但它需要额外的元件,如CMOS解码器和驱动器,这将大幅影响所需I/O的数量。例如,图2中的SP9T要求4条控制线。而SP9T相似的GaAs实现需要18条控制线,使这些线出入单个元件非常困难。对要求高度线性和隔离的5个高功率埠来说,挑战尤其艰巨,因为I/O数量越多,线的耦合和黏合的可能性就越大。例如,PCS1900发送频段与DCS1800接收频段发生重叠。没有好的隔离(35dB以上),无用的带内信号就会通过滤波器而降低接收机的灵敏度。
持续微缩
随着多频段手机越来越流行,对高整合度、小型天线开关的需求也越来越迫切。UltraCMOSSP7T开关现在已经开始量产,SP9T也在2007年底投入量产。在外形方面,GaAsSP7T为1.6x1.5mm,而采用0.5umSOS制程、具有相等或较小和较大信号性能的相似SP7T开关设计只有1.2x1.0mm,面积缩小了一半。目前已经可用的GaAsE/DpHemt或J-pHemtSP9T开关外形尺寸为1.9x1.5mm。与之相较,采用UltraCMOS0.5um制程制造的SP9T外形尺寸为1.7x1.1mm(图3),它不需要外部ESD元件和性能增强匹配元件。依照UltraCMOS发展规划,0.25um版本的SP9T尺寸将达到1.32x1.29mm。

图3:这个UltraCMOSSP9T尺寸为1.7x1.1mm,不需要外部ESD元件或线性度增强匹配元件。黄框代表的是解码器,蓝框是ESD,绿框是电压产生器。
缩小尺寸的另外一种方式是将开关覆晶安装在结实的低温共烧陶瓷(LTCC)基板上,无需占用传统打线接合所需的面积。目前晶圆级晶片尺寸封装正在开发中,它所生产的UltraCMOS开关可依照标准表面黏着进行处理。
在使用UltraCMOS制造的开关后,设计师可以取消其他开关技术需使用的解码器、隔直电容和双工器。配合晶片尺寸封装技术,这种制程可显著减少ASM的尺寸和厚度。另外,其固有的ESD容差和单片CMOS介面可简化设计周程。最后,UltraCMOS制程的高良率和增加开关方向的灵活性,可使新一代手机具有更高的整合度,能够解决多频段行动手机体积缩小所带来的持续挑战。
对射频元件的影响
多模多频段GSM/WCDMA手机的技术要求已经超过了传统RFIC技术(如GaAs)极限。受这些超高性能要求影响最严重的是天线和射频开关。
虽然本文主要讨论的是天线开关,但仍需了解其对系统天线的显著影响。天线必须高效的幅射从800到2200MHz的信号,在微型天线允许的外形尺寸下这是一个相当艰巨的任务。目前业界正寻找新的技术来解决这个问题,考虑到天线匹配问题,可能使用开关和集总调谐单元。总之,射频开关必须能够切换最多9条大功率射频信号通道,且要具有低插损、高隔离和线性度。
新型制造制程的发展和高整合度设计,正使得在最新、最复杂和最小的可携式设备中实现必要的多频段性能成为可能。
上一篇:长距离EPON的设计要点揭示
下一篇:光传送网技术在全业务时代前程展望


