- 易迪拓培训,专注于微波、射频、天线设计工程师的培养
利用SDAIII-CompleteLinQ量化分析干扰源开/关时的串扰(1)
概述
SDAIII-CompleteLinQ工作包具有参考通道,LaneScape比较模式和垂直噪声和串扰分析等功能特点,这将使得高速串行数据系统的设计者可以通过它来定量分析在干扰源开/关两种情况下信号上的串扰(crosstalk)大小。该文介绍如何进行这方面的分析以理解和比较不同串扰条件下的噪声和抖动结果。
从串扰中定量测量噪声:测量的挑战
由于相邻通道的串扰叠加到串行数据信号上的噪声问题已成为当前非常突出的信号完整性问题。定量测量出串扰大小一直以来并不容易,因为串行数据分析理论过去一直多是集中于时序上的抖动分析而不是垂直域的噪声分析,而且,定量测量串扰在实际应用中是需要很多步骤才能完成的过程。我们知道,串扰测量首先需要有所谓的“被干扰通道(victim lane)”,同时要在相邻通道有“干扰源(aggressor)”在发送信号以产生“串扰”,然后在干扰源通道不发送信号时再测量被干扰通道以进行比较,因而其测量过程相对比较复杂。
力科公司(Teledyne LeCroy Inc.)提供的SDAIII-CompleteLinQ分析工具包特别适用于不同场景下的测量,例如将干扰源开和关时分别进行测量,将测量结果同时显示在示波器上,然后同时综合应用一些成熟的分析工具如眼图、抖动分析以及一些创新的工具如:“参考通道(Reference Lane)”功能,可以将上次的数据和设置都保留在示波器上以进行比较; 垂直噪声和串扰分析工具,可以定量测量出由于串扰或码间干扰产生的噪声; LaneScape比较模式,一种新的显示模式,可以同时比较多达四个通道的数据与参考通道的数据的 分析结果。

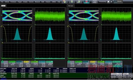
图1. 利用SDAIII-CompleteLinQ定量分析干扰源开/关时的串扰

图2. 下面栅格表示噪声耦合的互连系统中包括两个差分对,蓝色轨迹相邻通道有信号在传输(干扰源开),而红色轨迹表示相邻通道没有信号在传输(干扰源关)
干扰源,受干扰对象和干扰源开/关分析
干扰源开-关分析包括了对受到其它信号源耦合进噪声的“受干扰通道”进行测量。 邻通道或其它噪声源被称为“干扰源”。
图3表示的轨迹体现了相互耦合的两个差分对之间耦合后产生的效果。下面栅格显示的是受干扰通道的波形,是从远端得到的,它包含的毛刺正是由于干扰源通道(上面栅格)的信号在状态发生变化(信号边沿)时引起的。 毛刺的幅度和干扰源信号上升时间及两通道之间的耦合程度有关。这些毛刺将叠加在受干扰通道的信号上,表现为垂直噪声。这种现象将导致眼图闭合,产生误码。本文将定量分析叠加在信号上的这种噪声。

图3 两个耦合的差分对 (Wild River Technology 的CMP-08板)
串扰是由于电磁场的作用耦合产生的。 耦合的程度和材料的拓朴有关。耦合相关的更多知识,如干扰源、受干扰对象、串扰及它们的各种形态(如近端串扰NEXT,远断串扰FEXT)的特点,请参考Eric Bogatin的书《Signal Integrity and Power Integrity, Simplified》 (该书已被翻译成中文,中文书名是《信号完整性分析》)。图4表示了电路中电磁场是如何辐射到周围空间。下图表示电磁场的辐射范围必须是包含了差分对的走线才会产生耦合效应。
|
SDAIII-CompleteLinQ中用于串扰分析的新工具
SDAIII-CompleteLinQ中包含的下面这些工具都将在本文中得到应用:
LaneScape比较模式
SDAIII-CompleteLinQ具有同时观察和分析四个通道和一个参考通道的眼图和抖动的能力。用户选择三种显示模式(single,dual或mosaic)之一就可以同时观察和分析1,2或者所有通道的信号。LaneScape模式通过用户控制来选择。图5的绿色高亮方框中的区域表示了LaneScape选择为Mosaic模式,LaneScape显示了通道1(lane1)和参考通道(Reference lane)。
参考通道(Reference Lane)
选择了一个信号源之后点击 Store LaneX to Ref (X表示1,2,3,4之一)按钮后可将该通道的数据和设置全部保存到参考通道中。保存到参考通道之后,用户可以改变测量和显示的一系列设置以比较它和其它通道的眼图、抖动和垂直噪声的结果。SDAIII-CompleteLinQ所有产品系列中及SDA型号的示波器本身都包括了参考通道功能。 图5表示了通道1(lane1)和参考通道(Reference Lane)同时显示的结果。左下方的蓝色高亮方框中的菜单表示将保存到参考通道和使能该参考通道显示。
垂直噪声和串扰分析测量和显示
垂直噪声和串扰分析工具将定量地计算出由于串扰和其它干扰贡献的垂直噪声的总量,这些测量和显示包括的垂直噪声和串扰分析套件包含在您购买的Crosstalk,CrossLinQ或CompleteLinQ选件中,产品代码XTALK中包括所有这些选件。图5右小角黄色的高亮方框中表示了进入噪声和串扰分析功能模块的菜单。
图5: 表示使用Mosaic的LaneScape视图同时观察两个通道。每个通道 (Lane1 和参考通道Ref Lane) 都有各自独立的设置界面,称为 LaneScape。保存到参考通道和噪声分析的用户设置界面都显示在上面。 |
利用SDAIII-CompleteLinQ来分析干扰源开/关
干扰源开/关分析可以使用SDAIII-CompleteLinQ的单通道或多通道版本的软件包来完成。不管是干扰源开或者关的情况下,参考通道可用于保存受干扰通道的分析结果。 使用多通道版本的软件包,干扰源通道和受干扰通道可以同时显示。
设置
图6:(步骤2的输出)显示干扰源关闭时 Lane1的分析结果(图中没显示Lane数)。下一步将之保存到参考通道 |
本文利用10.3125 Gbps的信号测量为例,受干扰通道传输重复的127bit码型(PRBS7) ,干扰源通道传输重复的511bit码型(PRBS9)。 这两路信号的相位是锁定的,但并没有相位对齐。两通道之间的延迟设定为大约 UI。 因为数据码型是不同的,噪声的毛刺耦合到受干扰信号上的极性和受干扰信号的状态是不相关的,因此噪声将同时影响到1和0 比特位,而且会分布在眼图的中心位置部分。
1.在干扰通道关闭的情况下单次捕获超过100,000UI和超过100个重复码型的串行数据。(如果信号不是重复的码型,在Patter Analysis对话框或抖动和噪声分析对话框中不要勾上“Repeating Pattern”) 。
2.配置示波器进行串行数据分析。图6表示了在干扰源关时的抖动和垂直分析。
3.将Lane1的分析保存到参考通道。点击Store Lane1 to Ref即可。Lane 1 的分析结果将被完整复制到参考通道,如图7所示。
4.打开干扰源通道。
|
图7:(步骤3的输出)将Lane1保存到参考通道之后,两个LaneScape中显示了相同的数据。下一步是做干扰源开时的分析
5.按示波器上的Clear Sweeps 键清除Lane 1的分析。参考通道不受影响 (注意:如果SDA的时钟恢复设置菜单设置为每次sweep时自动find the bit rate,这个步骤是不必要的)
6.单次捕获在干扰源打开时的波形。图8表示了这时的分析结果
图8: (步骤6的输出) 清除之前测量结果,打开干扰源通道,将会在Lan1上看到串扰带来的明显影响 |
垂直噪声的分析结果
图6到图8的视图以及下面噪声的表格给出了干扰源打开时叠加在受干扰通道上的垂直噪声的数量。下面我们来详细地检查测量结果。
SDA Noise概览表
图9:SDA noise概览表,显示了叠加在受干扰通道的NRZ数据上的噪声测量结果 |
SDA noise概览表如图9所示,提供了噪声分析的总体概览结果。Tn, Rn和Dn都是基于dual-Dirac技术外推测量到的噪声得到的分析结果。这些参数给出的是外推到BER= 10-12 (用户可选择BER,默认是10-12)时的结果,其方法和SDA上的抖动测量类似。 (在噪声分析中,分析的是电压的变化而在抖动分析中分析的是边沿到来的时间上的变化)。我们看到在误码率为10-12时干扰源带来的总体垂直噪声增加了101mV。这些增加的噪声几乎全部是固有噪声(请看表格中Dn的结果),其来源当然是包括由于串扰带来的电压波形上的毛刺。 而随机噪声由于感应的毛刺的大小是随机变化的,因此也有很小的增加 (请看表格中Rn结果)。
ISIn参数也有很小的变化,这种称为码间干扰的“噪声”有点让人容易混淆,因为由于ISI带来电压上的变化根本不是“噪声”,而更多是由于它是由受干扰通道内部的反射引起的,不是相邻通道的耦合带来的。(为了理解这个,请考察图1中参考通道的眼图和信号,眼的厚度就是由于ISI带来的不同的“trajectories”)
噪声还表现为周期性的结果(看表格中Pn的差别)。 这个分析结果的原因将在后面介绍噪声频谱时候讨论。实际上,所有的噪声都归到周期性一类,是固有噪声的一部分。
表格EH(1e-12)列中给出了外推后的眼高参数。这是根据在采样位置的垂直噪声外推得到的。将干扰源通道打开,眼高明显变小,由200mv降低到100mv(我们后面将讨论这结果和抖动分析进行比较)。 EH(1e-12)参数比传统的眼图参数菜单中的眼高参数能更好地量化眼图展开的垂直量。(传统的眼高参数在ISI存在或者眼图有均衡时并不能给出合适的结果,因为在眼高算法中不能从糟糕的眼图中得到有意义的“1”电平和“0”电平结果。)
SDA noise概览表中的测量结果表明了Lane1和参考通道中的噪声有了数量上的差别,但是它没有给出这种差别的原因。下面我们将利用不同的噪声分析的视图来帮您更好地理解产生这些噪声的原因。
噪声分析波形和视图
上页图8中表示了时域、频域和统计域的分析结果。下面我们来分别予以说明。
图10表示两种场景下的 RnBUnTrack波形, RnBUnTrack 表示在用户选择的采样时间段内叠加在受干扰通道上的噪声。为了得到该波形,首先对”无噪声”时的波形进行分析,然后再进行相减。 RnBUnTrack波形上可以看出干扰源开和关时有直观上的差别。RnBUn track 也可以对干扰源通道(没有显示)的数据进行比较。这样比较后您会发现RnBUn track上的毛刺和干扰源的边沿一致。
图10:增加的噪声 "track"的结果在RnBUnTrack波形中显示出来。左边的表示干扰源开的结果,右边表示干扰源关的结果。
图11表示RnBUnHist 直方图。这些视图表示了在RnBUnTrack中发现的噪声的分布情况。干扰源打开时,可以看到三个峰值的高斯分布,这是干扰源的特点引起的。在噪声采样时间段内,耦合的电压毛刺可能是正相的(由于干扰通道的正向跳变),负相的(由于干扰通道的负向跳变)或者是没有毛刺(由于干扰源通道没有跳变)。参考通道只有一个高斯分布,表示在干扰源通道关闭时受干扰通道上只有随机噪声。 (注意:水平轴是不同的,有10倍的刻度比例差别)
图11:噪声跟踪结果的直方图显示为RnBUnHisto 视图。 左边是干扰源开时的视图,表示存在三种不同的噪声状态 |
上一篇:利用SDAIII-CompleteLinQ量化分析干扰源开/关时的串扰(2)
下一篇:射流流量传感器与射流电子水表



