- 易迪拓培训,专注于微波、射频、天线设计工程师的培养
基于DDS的频谱分析仪的设计与应用
录入:edatop.com 点击:
1 引言
直接数字频率合成(DDS)是近几年一种新型的频率合成法,其具有频率切换速度快,频率分辨率高,以及便于集成等优点。在此,设计了基于DDS的频谱分析仪,该频谱分析仪依据外差原理,被测信号与本征频率混频,实现信号的频谱分析。
2 系统设计
图1给出系统设计框图,主要由本机振荡电路、混频电路、放大检波电路、频谱输出显示电路等组成。通过单片机和现场可编程门阵列(FPGA)共同控制AD985l,以产生正弦扫频输出信号,然后经滤波、程控放大得到稳定输出,与经放大处理的被测信号混频,再经放大、滤波、检波后,由MAXl97采集,并送至单片机处理,最后由示波器显示频谱图像和液晶显示相关信息。
振荡电路采用DDS器件AD9851,只需少量的外围器件即可构成完整的信号源,且具有转换速度快,分辨率高,换频速度快,频带宽,控制方便,信号稳定等特点。
混频电路采用模拟乘法器集成器件AD835,其输入的差分电压不大于2 Vpp,一3 dB带宽,250 MHz,外围电路简单,且调试方便。但缺点是输出偏置电压较高,其典型值为±25 mV,故后级需加隔直电路。
滤波电路采用专用滤波器MAX274,其优点是易于实现。外围电路简单,便于设定滤波器的中心频率、增益、截止频率及带宽,并能根据不同需求设计不同类型、不同阶数的滤波器。由于混频电路分上下混频,若采用上混频,则需高频窄带滤波器,这很难实现。因此这里采用下混频,只需设置一个中频窄带滤波器即可。
检波采用集成真有效值变换器件AD637,其测量信号有效值高达7 V,精度为0.5%,且外围电路简单,频带宽。
3 理论分析与计算
3.1 带通滤波器中心频率选择
从频谱分辨率的角度看.中频带通滤波器的通带宽度越小越好,但因其输入为扫频信号,为了保证输出具有一定强度,窄带宽就要求低扫频速率,而低扫频速率在大范围扫频时就需较长的扫频时间,从而影响仪器的数据输出率。按照要求分率为1 kHz。所以选定窄带滤波器的带宽为500 Hz,中心频率约100 kHz,但考虑到采用MAX274设计滤波器的难度,将中心频率调至70 kHz。
3.2 波形识别与中心频率判断
等幅波形频率比较单一,其频谱也较简单,只有一条频谱线。如果调制信号为单音余弦波f(t)=cos(ωt),则AM调幅波的表达式为:
式中:ma为调制指数;VCM为载波振幅。
单音调频信号的频谱相对复杂,可设调制信号频率为fΩ;调制频偏为△f,则信号带宽近似为2△f;谱线间间隔为调制信号频率fΩ,而各个谱线的高度则由贝塞尔函数得到。△f反映调频波所占带宽,△f越大,占用的带宽也越大,但每根谱线的间隔是不变的。
由图2可知,fΩ影响每根谱线之间的间隔,fΩ越小,频谱线的间隔也越小,频谱看起来越紧密;fΩ越大,频谱线间隔越大,频谱看起来则越稀松。但频谱占用带宽是不变的。
根据不同波形的频谱特征进行识别,在得到一个最大幅值和对应的频率后,再在剩下的点中找出第2个最大值A2和对应频率f2,然后判断(f1+f2)/2对应点的幅值,若较大,则为调频波,(f1+f2)/2即为它的中心频率;若很小,则是调幅波或等幅波,f1则为中心频率。由于调幅波带宽为20kHz,只需判断(f1-20)或(f1+20)的点值,若很小,为等幅波,否则是调幅波。
3.3 正弦电压有效值计算
AD637的内部结构包括有源整流器(即绝对值电路)、平方/除法器、滤波放大器、独立缓冲放大器和偏置电路。其中,缓冲放大器既可用作输入缓冲,也可构成有源滤波器滤波,提高测量准确度。根据AD637数据资料所给出的真有效值的经验计算公式:
Vrms="Vin2/Vrms" (2)
式中:Vin为输入电压;Vrms为输出电压有效值。
测量其峰值系数高达10的信号时,采用AD637,其附加误差仅为l%,外围元件少,频带宽。有效值为200 mV的信号,一3 dB带宽为600 kHz:有效值为l V的信号,一3 dB带宽为8 MHz。同时,AD637可用dB表示输入信号电平,计算多种波形的有效值、平均值、均方值和绝对值。
4 硬件电路设计
4.1 本机振荡电路
AD985l内部含有高速、高性能的10位D/A转换器,可用作全数字编程控制的频率合成器。在外接精密参考频率源时,其产生频谱纯净、频率和相位可编程控制,且稳定的模拟正弦波。图3给出其系统功能原理框图。采用AD985l作为DDS信号源,产生所需扫频信号。为避免高频干扰,采用PCB板实现。 [p]
由于AD985l产生的信号含有一定的高频谐波,因而可采用低通椭圆滤波器滤除高频分量。AD985l输出信号幅值不稳定,且不符合AD835的输入要求,因而采用AD603程控放大。AD603单片增益范围为一10~+30 dB,输入控制电压范围为0~1V,增益与控制电压的关系为Gain(dB)=40Vg+10。而AD603的输入控制电压由单片机通过D/A转换器提供。D/A转换器采用MAX5532。
4.2 混频电路
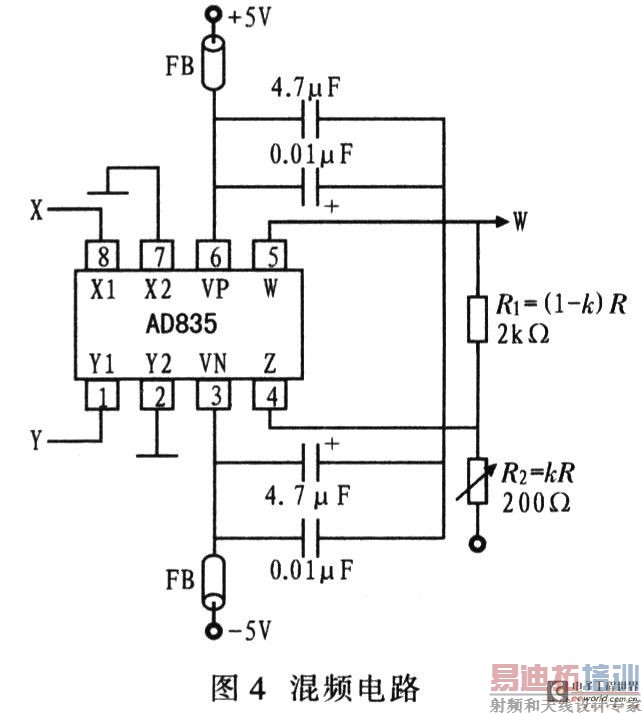
该系统采用AD835作为混频器,其输入信号是X1与Y1相乘后混频。X1,Y1的输人电压范围在一1~+l V较为合适,Vpp至少应大于50 mV。使用AD835混频时应注意输入混频器的信号中不能叠加直流分量。要使直流分量的频率为O,使得输出信号中有另一输入信号不能发挥混频器的作用。图4给出混频电路。
4.3 带通滤波电路
在确定带通滤波器的中心频率为70 kHz后,利用MAX274滤波器设计软件,以完成软件设计。图5为带通滤波器的设计。 [p]
4.4 A/D转换器
经AD637转换后的信号需再经MAXl97实现A/D转换,并送至控制系统处理。该系统设计采用8通道,12位MAXl97实现A/D转换。MAXl97的最小分辨精度可以达到5/4 096=1.22 mV,该器件一共有O~5V,0~10V,一5~+5 V,一lO~+10 V 4种量程.且外围电路简单。
5 测试结果
采用Tektronix数字示波器TDSl002和Agilent信号源33120A进行测试。表1为等幅波形测量值,表2为调幅信号测量值,表3为调频信号的测量值。由表1~表3可见,该系统具有识别调幅、调频和等幅波信号的功能。表4给出该系统实现中各性能的实测结果。
6 结语
该系统依据外差原理.采用单片机与FPGA相结合,实现频率范围为l~30 MHz信号的频谱分析。测试结果证明,系统稳定可靠,人机交互界面友好,操作简易方便。
直接数字频率合成(DDS)是近几年一种新型的频率合成法,其具有频率切换速度快,频率分辨率高,以及便于集成等优点。在此,设计了基于DDS的频谱分析仪,该频谱分析仪依据外差原理,被测信号与本征频率混频,实现信号的频谱分析。
2 系统设计
图1给出系统设计框图,主要由本机振荡电路、混频电路、放大检波电路、频谱输出显示电路等组成。通过单片机和现场可编程门阵列(FPGA)共同控制AD985l,以产生正弦扫频输出信号,然后经滤波、程控放大得到稳定输出,与经放大处理的被测信号混频,再经放大、滤波、检波后,由MAXl97采集,并送至单片机处理,最后由示波器显示频谱图像和液晶显示相关信息。

振荡电路采用DDS器件AD9851,只需少量的外围器件即可构成完整的信号源,且具有转换速度快,分辨率高,换频速度快,频带宽,控制方便,信号稳定等特点。
混频电路采用模拟乘法器集成器件AD835,其输入的差分电压不大于2 Vpp,一3 dB带宽,250 MHz,外围电路简单,且调试方便。但缺点是输出偏置电压较高,其典型值为±25 mV,故后级需加隔直电路。
滤波电路采用专用滤波器MAX274,其优点是易于实现。外围电路简单,便于设定滤波器的中心频率、增益、截止频率及带宽,并能根据不同需求设计不同类型、不同阶数的滤波器。由于混频电路分上下混频,若采用上混频,则需高频窄带滤波器,这很难实现。因此这里采用下混频,只需设置一个中频窄带滤波器即可。
检波采用集成真有效值变换器件AD637,其测量信号有效值高达7 V,精度为0.5%,且外围电路简单,频带宽。
3 理论分析与计算
3.1 带通滤波器中心频率选择
从频谱分辨率的角度看.中频带通滤波器的通带宽度越小越好,但因其输入为扫频信号,为了保证输出具有一定强度,窄带宽就要求低扫频速率,而低扫频速率在大范围扫频时就需较长的扫频时间,从而影响仪器的数据输出率。按照要求分率为1 kHz。所以选定窄带滤波器的带宽为500 Hz,中心频率约100 kHz,但考虑到采用MAX274设计滤波器的难度,将中心频率调至70 kHz。
3.2 波形识别与中心频率判断
等幅波形频率比较单一,其频谱也较简单,只有一条频谱线。如果调制信号为单音余弦波f(t)=cos(ωt),则AM调幅波的表达式为:

式中:ma为调制指数;VCM为载波振幅。
单音调频信号的频谱相对复杂,可设调制信号频率为fΩ;调制频偏为△f,则信号带宽近似为2△f;谱线间间隔为调制信号频率fΩ,而各个谱线的高度则由贝塞尔函数得到。△f反映调频波所占带宽,△f越大,占用的带宽也越大,但每根谱线的间隔是不变的。
由图2可知,fΩ影响每根谱线之间的间隔,fΩ越小,频谱线的间隔也越小,频谱看起来越紧密;fΩ越大,频谱线间隔越大,频谱看起来则越稀松。但频谱占用带宽是不变的。

根据不同波形的频谱特征进行识别,在得到一个最大幅值和对应的频率后,再在剩下的点中找出第2个最大值A2和对应频率f2,然后判断(f1+f2)/2对应点的幅值,若较大,则为调频波,(f1+f2)/2即为它的中心频率;若很小,则是调幅波或等幅波,f1则为中心频率。由于调幅波带宽为20kHz,只需判断(f1-20)或(f1+20)的点值,若很小,为等幅波,否则是调幅波。
3.3 正弦电压有效值计算
AD637的内部结构包括有源整流器(即绝对值电路)、平方/除法器、滤波放大器、独立缓冲放大器和偏置电路。其中,缓冲放大器既可用作输入缓冲,也可构成有源滤波器滤波,提高测量准确度。根据AD637数据资料所给出的真有效值的经验计算公式:
Vrms="Vin2/Vrms" (2)
式中:Vin为输入电压;Vrms为输出电压有效值。
测量其峰值系数高达10的信号时,采用AD637,其附加误差仅为l%,外围元件少,频带宽。有效值为200 mV的信号,一3 dB带宽为600 kHz:有效值为l V的信号,一3 dB带宽为8 MHz。同时,AD637可用dB表示输入信号电平,计算多种波形的有效值、平均值、均方值和绝对值。
4 硬件电路设计
4.1 本机振荡电路
AD985l内部含有高速、高性能的10位D/A转换器,可用作全数字编程控制的频率合成器。在外接精密参考频率源时,其产生频谱纯净、频率和相位可编程控制,且稳定的模拟正弦波。图3给出其系统功能原理框图。采用AD985l作为DDS信号源,产生所需扫频信号。为避免高频干扰,采用PCB板实现。 [p]

由于AD985l产生的信号含有一定的高频谐波,因而可采用低通椭圆滤波器滤除高频分量。AD985l输出信号幅值不稳定,且不符合AD835的输入要求,因而采用AD603程控放大。AD603单片增益范围为一10~+30 dB,输入控制电压范围为0~1V,增益与控制电压的关系为Gain(dB)=40Vg+10。而AD603的输入控制电压由单片机通过D/A转换器提供。D/A转换器采用MAX5532。
4.2 混频电路
该系统采用AD835作为混频器,其输入信号是X1与Y1相乘后混频。X1,Y1的输人电压范围在一1~+l V较为合适,Vpp至少应大于50 mV。使用AD835混频时应注意输入混频器的信号中不能叠加直流分量。要使直流分量的频率为O,使得输出信号中有另一输入信号不能发挥混频器的作用。图4给出混频电路。

4.3 带通滤波电路
在确定带通滤波器的中心频率为70 kHz后,利用MAX274滤波器设计软件,以完成软件设计。图5为带通滤波器的设计。 [p]

4.4 A/D转换器
经AD637转换后的信号需再经MAXl97实现A/D转换,并送至控制系统处理。该系统设计采用8通道,12位MAXl97实现A/D转换。MAXl97的最小分辨精度可以达到5/4 096=1.22 mV,该器件一共有O~5V,0~10V,一5~+5 V,一lO~+10 V 4种量程.且外围电路简单。
5 测试结果
采用Tektronix数字示波器TDSl002和Agilent信号源33120A进行测试。表1为等幅波形测量值,表2为调幅信号测量值,表3为调频信号的测量值。由表1~表3可见,该系统具有识别调幅、调频和等幅波信号的功能。表4给出该系统实现中各性能的实测结果。

6 结语
该系统依据外差原理.采用单片机与FPGA相结合,实现频率范围为l~30 MHz信号的频谱分析。测试结果证明,系统稳定可靠,人机交互界面友好,操作简易方便。


