- 易迪拓培训,专注于微波、射频、天线设计工程师的培养
测试测量设计实例(一)
信号发生器在电子实验中作为信号源,通常用得多的是正弦波、三角波、方波以及用作触发信号的脉冲波。本次制作的是能产生九种波形的信号发生器。
设计目标是简单易制、工作可靠、信号频率在音频范围连续可调,即20Hz~20KHz,输出信号电压能与TTL电平兼容。
电路中采用了两块CMOS数字集成电路74C04(内含六个反相器)和74C14(内含六个带施密特电路的反相器)。
电路见图1,由反相器IC1的a、b、c三个并连,和电阻W1+R1、电容C1、C2、C3构成振荡器以产生三角波,振荡频率计算公式为f=1/1.7RC。振荡频率分为×10、×100、×1k三段、用开关K2改变接入的电容量粗调频率,由电位器W1细调20~200Hz、200~2kHz、2k~20kHz,覆盖音频频段。三角波经射极跟随器T2输出,约3VP-P。此三角波经施密特触发器IC2a整形为方波,再经IC2b~f并联输出(多个门电路并联以提高驱动能力),其电平兼容TTL。IC1d、IC1e~f构成两级线性放大器,用于将三角波整形为模拟正弦波,原理是利用放大器饱和将三角波的尖端限幅为圆形,再经射极跟随器T1输出,约6.5VP-P。当波形选择开关K3将电阻R2和二极管D1或D2接入电路时,输出的方波被整流为正电压或负电压加到三角波发生器的输入端,构成压控振荡器(VCO),从而获得极性不同的锯齿波或脉冲波,脉冲宽度取决于电阻R2和积分电容的大小。如此构成一个实用的多波形信号发生器,开关K3是波形选择开关,其位置与波形的关系见附表。

积分电容C1、C2、C3选用温度特性好的薄膜电容,容量值要求准确,每组电容器由两个电容器并联以得到需要的数值,需用数字万用表的电容档精选,才能保证三条频率刻度的—致性。电容C4、C5一定要用无极性电容,可用两个4.7μ有极性电介电容同极性串连代替。电容C6、C7用钽电介。图1中未注明电压的电容器均选用50V。频率细调电位器W1选用金属壳全密封碳膜电位器,最好选用阻值变化为线性(即型号后缀带有“X”)的。开关K2、K3选用小型—刀三位波段开关。9V直流稳压电源选用小电流的三端稳压集成电路78L09。六施密特触发器74C14也可用HEF40106直接代换。
由于采用低耗电的C-MOS电路,本机也可用9V积层电地供电。
电路制作完成后需要调整的只有正弦波形。有示波器时可在示波器监视下调整微调电阻W2、W3,使波形最接近正弦波;无示波器时,可将正弦波输出接到家用音频功放的输入端,频率调整到数百周,调W2、W3使声音最悦耳即可。
制作难点是面板上的频率刻度盘的绘制及校准。下面详细介绍:
读数标尺的制作:
读数标尺与频率细调电位器W1的旋钮为—体。选择一块无划痕的透明板(如薄有机玻璃板或CD盒盖),接图2裁取—块,其长度以面板能容纳的半径为限(长些为好),作为标尺,经过圆心用针尖刻一直线槽,在槽中涂上红色墨水,形成一条红线,作为读数标线;用502胶水或AB双管胶将标尺与旋钮底面对接粘合。
刻度校准:
用AUTOCAD或CAXA制图软件,作一直径约100mm的圆(直径大些,绘图时易于估计小数),点击“等分弧”,将圆周分为100等分,打印两份(当然也可手工用圆规和量角器完成此工作)。将其中一份按标尺长度为半径裁剪—个圆,临时粘合到面板上W1位置。将带标尺的旋钮固定到W1轴上,根据标线确定W1旋转的起点和终点位置,一般电位器旋转范围为0~253度,在绘制的等分圆周上约0~70.4格。
打开发生器电源,让其工作一段时间预热稳定。将频率粗调开关K2置“×100挡”、波形选择开关K3置“1”档,在方波输出端接上数字万用表的“测频率档”,从“0”开始旋转W1,在频率的整数位记下标线指示的刻度值(如1KHz,17.3格等)并列出表格;在K3的另外两挡位重复上面工作。
绘制频率刻度:
利用上面测绘的三个刻度表,在绘图软件窗口画出各刻度线。如果无条件使用计算机绘图,可利用绘制的等分圆周图和透明直尺手工绘制出三条频率刻度。
将绘制的刻度盘粘合到面板上相应位置。在K3的各档位测试一遍刻度与输出频率的对应关系,你会发现,如果电容C1、C2、C3的数值准确的话,各档刻度与输出频率基本吻合,完全能满足业余使用的要求。至此,这台多波形发生器就完成了。
二、基于AMR技术的智能水表方案
随着人类社会不断的发展,作为不可替代的自然资源--水资源也开始面临着种种问题和危机。人口的增长、工农业的快速发展,使得人类对水的需求逐年增加。无序的开发和环境的污染更加重了水资源的危机。曾经的蓝色星球也变得越来越饥渴。各国政府和组织都相继制定政策和法规力图建立节水型社会体系。一系列的节水措施给水表制造产业的发展带来机遇,同时也提出了挑战。
目前国内水表的种类很多,按照测量原理可以分为速度式水表和容积式水表,按照结构和技术可分为纯机械式,带电子装置的混合式和全固态电子式水表。因为成本的原因,纯机械式和混合式占据了国内水表市场的绝大多数。但随着计量技术的发展,也日益暴露出很多问题:
始动流量大,也就是灵敏度差
漏损率高
稳定性差
性能低,量程比小,特别是小流量精度差
功耗高,使用寿命短等
2008年,我国从水资源管理的实际需求出发,并考虑与国外先进标准接轨,全面提升水表产业技术水平,发布了等同采用ISO4064-2005 《封闭满管道中水流量的测量 饮用冷水水表和热水水表》的GB/T 778-2007国家标准,对水表流量值和量程比重新做了规定。传统的机械式水表往往因为系统材料、机械加工等原因,大多量程比不高,要实现新标准要求的更高量程比的水表,往往需要非常长的设计、测试和标定周期,往往造成更多的资金、人员和时间的投入。而新的计量技术例如超声波和电磁感应等往往因为器件、生产成本等因素只能适用于特殊的场合,无法大规模的应用于普通电子水表中。
如何在保持现有基表设计的基础上设计出更高计量参数的水表也现实地摆在水表行业面前。EPSON结合自身电子元器件特点和感检测技术,最新推出了完整的超低功耗电子水表解决方案,很好的解决了以上种种问题。该方案仍然采用普通的速度式水表基表部分,取消了传统计数齿轮和磁簧开关等易损部件,采用了非接触式各向异性磁阻传感器(AMR)来检测叶轮转动,大大提高了流量检测的灵敏度;在软件补偿算法的配合下,计量特性有了实质性的提高;使得高量程比、高精度的电子水表成为可能。
Energy Saving作为EPSON电子元器件的最重要的设计理念,也体现在这款电子水表方案中。无论是专用处理器和各向异性磁阻传感器(AMR)都采用低功耗设计生产技术,特别针对电池供电系统。
方案框图如图所示:

水量检测通过安装在叶轮转动轴上的磁铁随着水流旋转,在周边产生方向周期性变化的磁场,放置在磁铁上方的各向异性磁阻传感器(AMR sensor)将磁场变化信号转变成电信号,交由专用处理器进行计量、错误检测等处理、并将结果通过液晶或脉冲输出。
除了一般流量统计外,专用处理器还支持多种检测模式,例如瞬时流速、滴漏检测,水流倒转等附加功能,为流量的实时检测、实时控制提供了便利。水流方向的设置,即使水表倒装,也可以正常统计反转流量; 检测周期的设置,让开发者有更灵活的检测精度和功耗管理的选择。
AMR传感器一般由硅或玻璃基板上覆以铁磁体合金材料的薄膜构成。薄膜电阻值随着外加磁场的强度和方向而变化,因此被称为各向异性磁阻传感器(Anisotropic Magnet Resistance),当外界磁场方向垂直于电流方向时(90°。270°),电阻变化最大,外界磁场方向平行于电流方向时,电阻变化最小;根据这个特性,将磁场方向转变为电阻变化,进而转化为电压的变化,最终由微处理器来分析处理。
相比于目前传统的电子水表,EPSON的电子水表方案具有如下明显的优势:
流量测量性能/功能提高
方案中采用的一颗AMR传感器芯片采用小型的SOP8封装,内部集成了两组全桥 磁阻网络,互呈45度角放置, AB两相输出为相位差90度的正弦/余弦信号,每一相都采用差分输出方式(+Sine, -Sine, +Cosine, - Cosine),这有助于消除同相噪声带来的误差,


决定水表计量精度主要有两个主要因素:
1.传感器准确感应基表叶轮转过的圈数
2.每一圈流过的水量
由于采用磁阻检测计量,减少了传统电子水表必需的多个计数齿轮,简化了机械运动部件的设计,减小了叶轮的负载,对小流速水流提高了检测灵敏度,提升了水表始动流量检测的性能;A,B输出连续的波形,根据相位差最小可以检测到叶轮1/8周的转动,并依据特定相位差的时间序列可以用于水流方向的检测和计量,对于叶轮抖动或其它因素造成的异常时间序列可以予以筛除,提高了圈数统计的准确性,特别是小水流情况下的测量精准度。
一般来说,水表在不同流速下的误差是不同的(高流速误差小、低流速误差大),该方案由于可以测量水表当前的流速,可以通过对不同流速的误差进行软件修正和补偿,由于涉水部分机械运动部件简单,测量的重复性好,配合计量标定过程,在机械结构基本不变的前提下,大大提高了水表水量检测的准确度等级。
另外方案还可以支持多种滴漏,水流反向等检测功能,为远程控制提供了必要的技术手段。
系统简单,高度集成,外围器件少,可靠性提高
除了传统的机械部分外,系统主要的元器件为专用处理芯片S1C17M01和AMR传感器芯片。专为流量检测设计的S1C17M01 内部集成AMR控制器,包括模拟前端(AFE),带磁滞功能的比较器,相位/圈数计数器等功能电路,可以直接连接AMR传感器毫伏级输出,减少了以往多个外围分离器件;丰富的周边电路包括128段液晶驱动器,定时器、实时时钟、低电压检测,R/F转换器,多种串行接口等,可以方便的连接段码液晶,温度传感器,外部存储,通信模块等器件。
因为采用非接触的磁场检测技术,避免了传统机械/磁簧开关使用寿命和抗震动和碰撞的问题;将两个全桥磁阻电路集成于一体,避免的分离模式下器件组装的一致性问题;采用普通的铁氧体材料的磁铁,使用寿命得到了保证等等,所有这些都大大提高了系统设计的可靠性和稳定性,同时也降低了开发和制造成本。

极低的系统功耗和电源管理更适合电池供电系统
不同与电表的设计,水表往往因为环境的限制,无法采用有源供电的方式。如何降低整机功耗,使用尽可能小的电池保证6-8年的使用寿命也一直困扰着水表的设计者。凭借着多年在低功耗产品设计积累的技术和经验,EPSON从一开始就关注方案整体的功耗,特别设计的专用处理器和选择的低功耗传感器,使系统整体工作电流在40rps转速的情况下仅为6.5uA, 无水流时系统工作电流更低至2uA(包括传感器功耗在内),
在保证水表使用寿命的前提下,设计者可以采用更小更低成本的电池。
完整的设计支持
处理提供元器件方案外,EPSON还提供完整的流量检测软硬件参考设计。包括累计流量,瞬间流量,过大流量检测,逆流检测,滴漏检测,未使用检测,电压检测,脉冲输出等基本功能,用户简单设置几个参数就可以完成,并可以以此为基础定制出更多更复杂的计量功能。
该方案还可以应用于其他流量检测的场合,例如气表、热量表中。如果对该方案感兴趣,需要更详细的产品和方案信息,请联系EPSON各地分公司电子元器件部门。
基于GP21+EFM32的超低功耗超声波热量表#e#
三、基于GP21+EFM32的超低功耗超声波热量表
随着生活质量的提高人们对于居住舒适度的要求,我国北方地区的楼宇建设都将普遍推广热量表到户,用于冬天的暖气供应。自从2009年起,我国北方进行了供热改革,至今已卓见成效。预计未来几年按热量计费将是北方供暖改革的重要方向。而热量表更是供热系统中的关键部件,它负责热量的计算、记录和数据传送工作。超声波热量表由于其测量方式无接触部件,且具有低压降、低能量消耗、测量精度高的优势,所以它正在逐渐取代机械式的热量表,成为北方供热供暖计量方案的首选。
基于Energymicro公司的32位Cortex-M3内核的超低功耗微控制器EFM32与ACAM公司的高集成度TDC-GP21芯片推出的超声波热量表方案,能够充分发挥EFM32的超低功耗与高运算能力的特点及GP21高精度的测量能力,它将成为超声波热量表方案中的最优之选。
系统框架
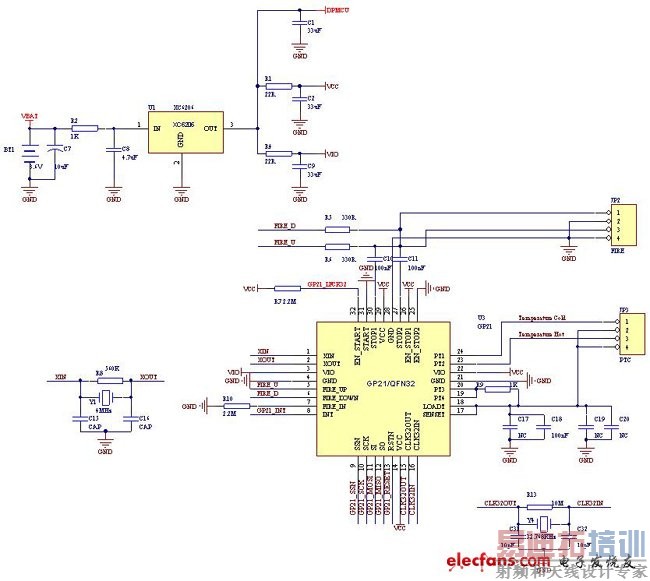
图 1所示,超声波热量表包括超低功耗微控制器EFM32TG840F32、时间数字转换器TDC-GP21(热敏电阻PT1000、超声波换能器)、LCD显示液晶屏、操作按键、红外通信电路及MBUS通信电路。整个系统由3.6V锂电池供电,考虑到TDC-GP21的供电电压将电压转换为3.3V。

图 1 超声波热量表方案框图
硬件设计
1、主控及显示部分
超声波主控MCU采用EFM32TG840F32,它是基于ARM公司的32位Cortex-M3内核设计而来,对比于传统的8位、16位单片机,它具有更高的运算和数据处理能力,更高的代码密度,更低的功耗。实际数据显示,EFM32TG840在执行32位乘法运算仅需4个内核时钟周期,32位除法运算仅需8个内核时钟周期,而相应热表上运用的16位单片机却分别需要50和465个时钟周期。而恰恰在时间数据转换芯片TDC-GP21上采集得到的数据均是32位长度,因此在运算和热量计算时均是32位的数据运算。可见,采用EFM32TG840可以让超声波热量表有更好的运算性能,从而使得整机可以缩短处在运行计算状态状态,达到降低运行功耗的效果。
EFM32TG840具有EM0-EM4共5种低功耗模式。在EM2的低功耗模式下,微控制器仍可实现RTC运行,LEUART、LETIMER及LESENSE的通信或控制功能,而功耗仅需900你A。而且它具有灵活的唤醒方式和自主工作的PRS系统,可以由外部I/O、I2C通信接口、LEUART通信信号等等方式唤醒。
EFM32TG840集成了8×20段的LCD驱动器,满足直接驱动超声波热量表液晶屏的需求,而功耗仅为550nA。EFM32TG840的LCD驱动器内部集成电压升压功能和对比度调节功能,可实现在芯片内部VCMP电压比较器监控VDD电压,分等级开启LCD升压及对比度调节,达到LCD的现象效果良好,即使系统电池随着使用时间增加出现电压跌落现象。

图2 主控MCU及显示电路(点击查看大图)
EFM32TG840的I/O可以设置为低功耗模式唤醒及GPIO中断模式,因此外部操作按钮可以在低功耗条件下实现交互控制动作。
2、TDC-GP21超声波采集部分
TDC-GP21是德国ACAM公司在2011年11月底推出的新一代专门针对超声波热量表检测计量所用的数字时间转换器。TDC-GP21芯片采用QFN32封装,除了具备TDC-GP2的功能外,还额外集成了超声波热量表所需要的信号处理模拟部分,例如模拟开关以及低噪声斩波稳定(自动进行温度电压校正)模拟信号比较器。TDC-GP21温度部分集成了施密特触发器,可直接接上温度传感器和参考电阻,就可以进行高精度的测量,测量的性能远远超过热量表所需的要求。7x32bit的EEPROM单元,可用于存储热量表整表的ID信息及配置寄存器信息。
TDC-GP21需要两个供电电压,分别是核心电压VCC和I/O电压Vio,在本方案中采用了ACAM推荐的两个供电电压使用相同的电压源进行供电,并增加去耦双通道滤波电路以达到降低系统噪声的效果。其他部分电路例如换能器、PTC电阻的连接以及晶体的接法均采用原厂提供的官方参考电路进行搭建。在时钟方面TDC-GP21将输出32.768KHz时钟,为EFM32TG840F32提供低频时钟,可节省主控MCU的低频晶振。

图3 TDC-GP21电路图(点击查看大图)
3、MBUS通信部分
超声波热量表通过MBUS(Meter Bus)总线通信进行自动抄表。现场的热量表可通过MBUS将数据上传到集中器,然后由集中器或再上一级集中器将数据通过以太网或无线GPRS通信模块将数据传输的供暖中心的后台,进行计费及管理。本方案中采用TI公司的MBUS芯片为TSS721A。TSS721A是一种用于仪表总线的收发器集成芯片,其内含接口电路可以调节仪表总线结构中主从机之间的电平,同时该收发器可由总线供电,对从机不增加功率需求,总线可无极性连接。TSS721A的连接电路如图4所示。

图4 TSS721A连接电路
4、红外通信部分
根据《CJ/T 188-2004》技术规范文档,超声波热量表红外通信采用38KHz的载波对通信数据进行调制且有效通信距离大于2m,选用波长为940nm的红外发射管与接收管。供热管理人员可以使用手持红外抄表设备对超声波热量表进行抄表。红外通信电路如图5所示。

图5 红外通信电路
软件设计
超声波热量表方案的软件部分可以划分为3个部分:TDC-GP21的检测计量部分、红外及MBUS的抄表通信部分、按键液晶屏的显示交互部分。
针对TDC-GP21的检测计量软件部分可参考ACAM官方提供技术文档,它提供了TDC-GP21在单次采集的软件配置及实现过程。热量表通过计算超声波上游和下游的时间差,进而通过公式计算得到流量,然后通过对PT1000的测量和计算可以采集得到进水口热水与出水口冷水的温度差。最终通过热量熵积分Q=cmΔt,计算得到热量的值。而在实际采集当中,为了更精确的热量计算值,软件设计者可对非线性参数增加相应的补偿处理。
对于热量表的通信抄表部分的软件设计,软件设计者在实现的红外与MBUS的底层串行通信后,可参考《CJ 188-2004 户用计量仪表数据传输技术条件》上所要求的抄表命令、抄表通信数据帧格式、抄表应答数据要求进行相应的软件编写。
热量表的人机交互软件部分主要是根据用户的按键操作实现对应的查询数据的显示。对于EFM32TG840的液晶屏控制器底层驱动,软件设计者控制起来非常方便,在执行完LCD控制器的初始化后,向对应的SEG段寄存器操作对应的数据位,即可将液晶屏上对应的段码点亮显示。综合段码显示内容及用户操作即可实现交互部分的软件设计。
方案优势
基于EFM32TG840与TDC-GP21实现的超声波热量表方案具有的优势包括:
1、相对于传统的8位、16位单片机,EFM32TG840以Cortex-M3为内核,具有更强运算处理能力,使整表的性能得到提升;
2、EFM32TG840与TDC-GP21均具有低功耗的优势,综合使得整机的功耗更低,增长热量表的电池寿命,间接降低了整表对于电池的需求成本;
3、EFM32TG840集成了LCD控制器、RTC,以及它的Flash可用于数据存储功能,使得整体方案的外围元件减少,降低方案成本。
总结
综述上文,以EFM32TG840为主控MCU,TDC-GP21为关键检测元器件而设计的超声波热量表,充分地发挥了EFM32TG840的高性能、低功耗、良好集成度的特点,结合了数字时间转换器TDC-GP21的高精度、低功耗的优势,使得它将成为供暖系统热计量部分的最佳选择。
四、微波探测声音方法的实现
微波在现实生活中有多种用途,例如:微波通信、微波雷达、微波测速等。本文介绍一种以微波作为载波来实现探测声音的实验方法,并且在实验室进行了测试。从实验结果看,能达到利用微波探测声音的目的。本实验原理简明,所用微波器件为实验室常见的微波器件,电路结构简单,易于实现。
1 实验原理
微波探测声音的原理与广播类似,它利用高频的微波信号来“载驮”所要传送的声频信号,也就是高频微波信号的振幅随所传送的声频信号的变化而变化。高频微波信号为“载波”,调制微波的声频信号为“调制信号”。经过调制后的高频信号为调幅波。

式(1)和(2)中Ω、F分别为调制信号的角频率和频率。载波为远高于调制信号频率的正弦波。
调制的作用是使载波的振幅Vcm随调制信号vΩ而相应的变化,从而得到调幅波。调幅波振幅变化的轨迹即波峰点的连线称为包络线。调幅波包络线的瞬时值为:

式(4)中,VΩm/Vcm称为调幅指数,用ma表示。
语言、音乐等都不是单音频信号,而是由很多不同频率的波合成,它们不是标准的正弦信号。对于非正弦的周期信号,可以分解为多个不同频率的正弦波信号。典型的调幅波的频率成分,可以由它的瞬时值表示式推导出来,即

这表明单音信号(即调制信号是正弦信号)的调幅波由三部分频率分量组成,即载波分量ω0、上边频分量ω0+Ω和下边频分量ω0-Ω。
调幅信号的解调是振幅调制的反过程,是从高频已调信号中取出调制信号,常将这种解调称为检波。实现这种解调作用的电路称为振幅检波器。检波器由高频输入回路、非线性器件和低通滤波器三部分组成。因振幅调制信号由载波频率ω0和边频(ω0±Ω)组成,没有调制信号本身的频率分量Ω,但载频ω0与上边频(ω0+Ω)或下边频(ω0-Ω)之差可得到Ω。为了取出原调制信号频率Ω,从高频输入回路输入的高频已调信号,通过非线性器件产生新的频率分量,其中就包含所需的Ω分量,再用低通滤波器滤除不需要的高频分量,即可得所需的声音信号。
2 实验装置与基本器件
本实验装置与基本器件组成图如图1所示。微波振荡器产生的微波,经隔离器和环形器由天线投射到待测声源处,作为载波的微波被声源处的音频信号调制后被反射回来,由天线接收(发射、接收天线为同一天线),再经过微波晶体检波器检波和电流、电压及功率放大,最后还原出声源处的音频信号。实验装置中所用到的振荡器、隔离器、环形器、角锥天线和晶体检波器均为实验室中常见的3厘米波段(X波段)的微波器件。

3 电路结构
本实验所用的前置放大电路如图2所示。它包括两级,第一级由OP07构成的弱电流放大电路。由于一般情况下,检波后得到的电流形式的音频信号很微弱,为了达到较好的放大效果,实验中加了一级弱电流放大电路。根据运放电路的相关知识可知,输入电流I1流经R2和R3的流I2和I3的关系为

,即输出电流的放大倍数为

倍;第二级用NE5532运放构成一个低噪声的电压放大电路。NE5532是一种高速低噪声运算放大器。它的带宽为10 MHz,相比大多数标准运算放大器,它显示出更好的噪声性能,更高输出驱动能力和小信号带宽。

自动增益放大电路(AGC)如图3所示。其基本原理是当输入信号幅度较大时,AGC电压控制可变增益放大器的放大倍数减小,当输入信号幅度较小时,AGC电压控制可变增益放大器的放大倍数增加。

图3中,输入信号从运放F1的同相端输入,二极管VD对运放F1的输出信号整流后,经一个∏形滤波电路得到一个负向AGC电压,这一电压经过运放F2放大后送往场效应管3DJ6的栅极。当输入信号幅值较大时,相应地得到较大的AGC电压,运放F2输出较大的负压至场效应管3DJ6的栅极,增大了场效应管3DJ6的源漏极间的电阻,从而减小了运放F1的放大倍数;反之,当输入信号的幅值较小时,AGC电压也很小,运放F2输出也很小,场效应管3DJ6的源漏极间的电阻很低,使运放F1得到较大的放大倍数。

功放采用低电压音频功率放大器LM386,电路图如图4所示。其电路电压增益可调,外接元件少,总的谐波失真小,对低电压信号的放大效果良好,且驱动能力强,输出信号可直接驱动8 Ω的扬声器。
4 实验结果及分析
根据所设计的实验方案,我们在实验室制作了相关电路和进行了实验测试。实验结果如图5示:

由图5可知,在图5(a)中,声源频率为5 kHz的正弦波,接收解调后信号较好的还原回正弦信号;在图5(b)中,声源为通常的声音信号时,接收解调后的信号能够较清晰的还原为原来的声音信号,此时输出端接音频喇叭能还原出声源处的声音。
5 结束语
通过在实验室中的实验实测,由接收电路得到的信号能较好地还原原来的音频信号,证明本实验方法可行。本实验可作为一种趣味性或演示性实验开设,对拓展学生的知识面、提高学生的动手能力,加深学生对有关知识的理解有很好的帮助。
上一篇:基于FPGA技术的DDS波形发生器的原理与设计
下一篇:XD22A型低频信号发生器


