- 易迪拓培训,专注于微波、射频、天线设计工程师的培养
光电式探丝传感器电路设计
录入:edatop.com 点击:
一、前言
探丝传感器是化纤牵伸设备中必不可少的断丝检测装置。传统的探丝传感器大多采用电荷感应式,其 检测灵敏度高,但受环境温度及湿度的影响较大,从而影响其可靠性和准确性。光电式探丝传感器可以弥补以上检测方法的不足,从而大大提高了断丝检测的准确性和可靠性。
二、光电式探丝传感器的原理
光电式探丝传感器能对纺织机械纺的纤维进行非接触断丝检测,并能配合切丝器及时切断断丝,以防止纤维缠绕机器部件。
光电式探丝传感器利用红外光电原理对纤维的运动状态进行检测,当纤维正常时,由于机器的牵伸或卷绕等动作,位于传感器U形槽中的纤维会有微小的抖动,此抖动会不断地遮挡U形槽中左右两边红外光的发射和接收,使其产生连续的红外脉冲;当纤维丝断开以后,该连续的红外脉冲减少或消失,探丝器通过检测和判断红外脉冲的频率即可判断纤维是否已断开。

三、电路设备及功能实现
电路组成:红外发射电路、红外接收电路、放大电路、整形调制电路、解调电路、触摸感应延时电路 、过流保护电路及输出电路。
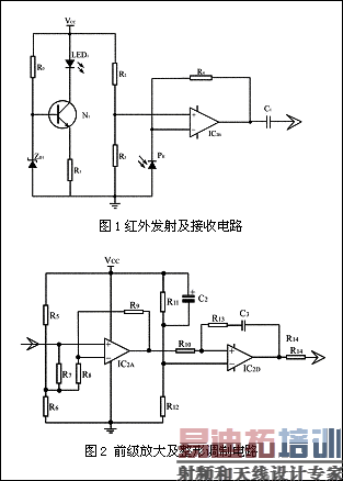
1、红外发射及接收电路(见图1)。
为了使发光二极管的亮度始终保持一定,由 LED 1 、N 1 、R 0 、Z D1 和R 1 构成恒流源红外发射电路,IC 2B ,P H , R 2 ~ R 4 构成红外接收电路,信号通过C 1 耦合输出。当P H 接受到的红外光能不变时,IC 2B 的7脚输出电平不变,则 C 1 无耦合信号输出。当由于丝线的摆动而不断重复地切割红外光束使P H 所接收到的光能改变时, C 1 耦合输出相同频率的脉动信号。
2、前级放大及整形调制电路(见图2)
由 R 5 ~ R 9 及 IC 2A 组成前级放大电路,由 R 5 、 R 6 输入偏置静态工作点,对C 1 耦合过来的微弱尖脉冲信号进行放大,其增益的大小取决于R 8 和R 9 的比值。整形调制电路由 R 11 ~ R 13 、 C 3 及IC 2D 组成,将前级尖脉冲信号整形调制为等幅方波脉冲信号。
3、解调电路
由 D 1 、R 15 ~R 18 、C 6 及 IC 2C 组成,由R 18 引入正反馈。当前级信号频率低于一定值 F 1 时,IC 2C 的8脚输出低电平;当前级信号频率高于一定值 F 2 时,IC 2C 的8脚输出高电平。临界过渡区频率范围 F W = F 2 - F 1 ,适当的 F W 可以有效防止检测信号临界过渡区的输出振荡,使得检测动作可靠。
4、触摸感应延时电路、过流保护电路及输出电路
IC 1D 、 C 8 、 R 24 及D 4 构成触摸延时控制。当断丝或引丝 状态时,由于脉冲信号 F 小于 F 1 值,图四的信号输入端为低电平,探丝器输出信号;当触摸延时感应端时, IC 1D 的14脚输出高电平,对 C 8 进 行快 速充电,输出截止。延时时间由 C 8 及 R 24 决定。通过这个触摸延时,可以进行伸头引丝操作。过流保护电路由 IC 1C 及 R 27 组成, R 27 可以限制峰值电流,同时将过流信号反馈至 IC 1A 的10脚,使输出快速截止。D 5 起续流作用,可以防止感性负载通断时损坏电路。
四、结论
该红外光电式探丝传感器经过反复的设计和试验, 各项技术指标均达到较好的水平,其低电平输出小于0.1V,正常功耗小于0.3W,负载电流可达 800mA,短路保护电流为1A,断丝响应时间小于0.5s,电源延迟时间为4s,触摸延时时间为15s,可以检测不同材质种类的断丝。
探丝传感器是化纤牵伸设备中必不可少的断丝检测装置。传统的探丝传感器大多采用电荷感应式,其 检测灵敏度高,但受环境温度及湿度的影响较大,从而影响其可靠性和准确性。光电式探丝传感器可以弥补以上检测方法的不足,从而大大提高了断丝检测的准确性和可靠性。
二、光电式探丝传感器的原理
光电式探丝传感器能对纺织机械纺的纤维进行非接触断丝检测,并能配合切丝器及时切断断丝,以防止纤维缠绕机器部件。
光电式探丝传感器利用红外光电原理对纤维的运动状态进行检测,当纤维正常时,由于机器的牵伸或卷绕等动作,位于传感器U形槽中的纤维会有微小的抖动,此抖动会不断地遮挡U形槽中左右两边红外光的发射和接收,使其产生连续的红外脉冲;当纤维丝断开以后,该连续的红外脉冲减少或消失,探丝器通过检测和判断红外脉冲的频率即可判断纤维是否已断开。

三、电路设备及功能实现
电路组成:红外发射电路、红外接收电路、放大电路、整形调制电路、解调电路、触摸感应延时电路 、过流保护电路及输出电路。
1、红外发射及接收电路(见图1)。
为了使发光二极管的亮度始终保持一定,由 LED 1 、N 1 、R 0 、Z D1 和R 1 构成恒流源红外发射电路,IC 2B ,P H , R 2 ~ R 4 构成红外接收电路,信号通过C 1 耦合输出。当P H 接受到的红外光能不变时,IC 2B 的7脚输出电平不变,则 C 1 无耦合信号输出。当由于丝线的摆动而不断重复地切割红外光束使P H 所接收到的光能改变时, C 1 耦合输出相同频率的脉动信号。
2、前级放大及整形调制电路(见图2)
由 R 5 ~ R 9 及 IC 2A 组成前级放大电路,由 R 5 、 R 6 输入偏置静态工作点,对C 1 耦合过来的微弱尖脉冲信号进行放大,其增益的大小取决于R 8 和R 9 的比值。整形调制电路由 R 11 ~ R 13 、 C 3 及IC 2D 组成,将前级尖脉冲信号整形调制为等幅方波脉冲信号。
3、解调电路
由 D 1 、R 15 ~R 18 、C 6 及 IC 2C 组成,由R 18 引入正反馈。当前级信号频率低于一定值 F 1 时,IC 2C 的8脚输出低电平;当前级信号频率高于一定值 F 2 时,IC 2C 的8脚输出高电平。临界过渡区频率范围 F W = F 2 - F 1 ,适当的 F W 可以有效防止检测信号临界过渡区的输出振荡,使得检测动作可靠。
4、触摸感应延时电路、过流保护电路及输出电路
IC 1D 、 C 8 、 R 24 及D 4 构成触摸延时控制。当断丝或引丝 状态时,由于脉冲信号 F 小于 F 1 值,图四的信号输入端为低电平,探丝器输出信号;当触摸延时感应端时, IC 1D 的14脚输出高电平,对 C 8 进 行快 速充电,输出截止。延时时间由 C 8 及 R 24 决定。通过这个触摸延时,可以进行伸头引丝操作。过流保护电路由 IC 1C 及 R 27 组成, R 27 可以限制峰值电流,同时将过流信号反馈至 IC 1A 的10脚,使输出快速截止。D 5 起续流作用,可以防止感性负载通断时损坏电路。
四、结论
该红外光电式探丝传感器经过反复的设计和试验, 各项技术指标均达到较好的水平,其低电平输出小于0.1V,正常功耗小于0.3W,负载电流可达 800mA,短路保护电流为1A,断丝响应时间小于0.5s,电源延迟时间为4s,触摸延时时间为15s,可以检测不同材质种类的断丝。


