- 易迪拓培训,专注于微波、射频、天线设计工程师的培养
新型带软件校表功能的单相多费率电能表的设计
录入:edatop.com 点击:
传统的机械电能表,是通过磁力矩驱动铝盘,带计量器计量电量的。这种计量方式存在着寿命短、误差大、需定期调试,容易窃电,现场抄表等诸多缺陷,操作的可靠性亦得不到保证,而且给城市电网的建设、规划和分析带来了很大困难。为了解决上述问题,具有防窃电功能的,液晶显示的,带有红外通讯、485通讯的电子电能表逐渐被应用,而且将逐渐成为市场的主流。
系统组成
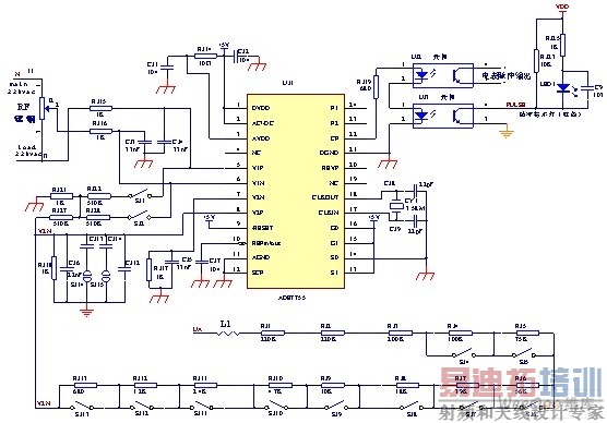
带软件校表功能的单向付费率表的系统结构如图 1 所示。实现原理为:电网的电流和电压信号通过分流器,被采样芯片采样过来,以脉冲(CF)的方式输出给单片机,单片机通过对电能高频脉冲CF的采集和分析,输出电能指示脉冲信号,供脉冲灯和校表用,吧并利用CF信号,计算出采集到的电量,送到LCD驱动,在LCD上显示,同时又写入EEPROM;EEPROM中除了保存电量信息外,还有表号等信息,这些信息可以通过红外和485通讯抄读和设置,也可以在LCD上显示。

硬件设计
硬件设计如图1所示,分为时钟供给模块、数据存储模块、脉冲采集模块、软件校表模块、掉电检测模块、红外输出模块、485通讯模块、电池电压检测模块、拉闸控制模块。主控芯片采用NEC单片机UPD78F0485,其基本特性如下:1.8"5.5V宽电压供电;内部集成PLL锁相环晶振电路,温漂极小;低功耗,副时钟工作的时候,功耗最低1uA;内部集成上电复位电路和低电压检测电路,方便做掉电数据存储;内部集成A/D,可以做电池电压检测;有沿触发外部中断,可以采集电量脉冲;内部集成了IIC电路和两个UART电路,方便2路通讯;并集成了2个16位定时器,2个8位定时器,通用I/O口众多。这些资源,都是UPD78F0485被用来设计电能表的重要原因。

下面就电能表中的一些主要硬件电路的设计做一个简要的分析。
1)485通讯电路设计:
在电能表系统中,抄表系统在抄表的时候只有固定的集中方式:485、载波、红外。485作为成本低、运行可靠、抄表速度快等特点,现在是抄表用的最广泛的一种方式。图2即为485电路的基本结构。此电路通过光耦把单片机输出的信号,隔离输出到3085芯片,3085芯片再把此信号转变成差分信号送给总线。接受的信号也要通过光耦隔离送回单片机。此电路的特点是3085的RE和DE两个引脚由一根引线一起控制,节省了单片机的一个I/O口,这种接法是有条件的,即电能表上的通讯不是绝对的全双工。由于485电路的差分信号传输距离比较远,一般布线的环境也比较恶劣,所以485线路必须有压敏电阻进行高压保护,而且还要有TVS管,防止瞬态的高压干扰和遭受雷击。

2)红外通讯电结构:
红外通讯电路在电表里使用非常广泛,是由于目前红外掌机抄表的方式还在很多地区使用。在这种市场需求的带动下,单片机有两路UART口来做通讯就变得必须了。如图3所示,在红外发射电路中,采用两个三极管叠加,其中TXD网络用来发送数据信号,38K网络用来发送载波信号,这样由于硬件电路的逻辑与作用使得LED3发送出我们预期的数据。这种电路只是红外发送电路的一种连接方式,也可以,采用一个三极管,在程序里面做TXD和38K的与运算。
3)计量电路:

图4:计量电路的结构
计量电路有ADE7755作为采样芯片,通过分流器也就是图上的锰痛片采集电压电流,内部计算成有功功率,然后以脉冲(CF)的方式输出。单片机采集这个脉冲,计算电量。图下方的很多电阻构成了电表的精度调节电路。
软件设计
电表运行状态分为常状态和低功耗状态。程序中设置了一个空闲标志,掉电的时候空闲标志位被置为1,在主程序中不断的检测这个标志,当此标志置1的时候,进入睡眠状态,以减少功耗。
软件功能的实现由各个子程序来完成,主要由红外通讯子程序、485通讯子程序、软件校表子程序、电量计算子程序、掉电处理子程序等构成。主程序流程图5所示。

图5:主程序软件流程图
此系统中,主要的程序集中在初始化、UART通讯和软件校表几个地方,这里予以简介。
1)初始化程序:
NEC单片机UPD78F0485本身具有丰富的内部资源,可以大大的减少外围器件的数量,也就减少了故障发生的几率。需要初始化的地方主要有:内部RAM,选项字节,中断控制寄存器,串口控制寄存器,定时器控制寄存器,LVI电路控制寄存器,看门狗控制寄存器,IIC电路控制寄存器,液晶驱动控制寄存器等。
2)UART收发程序:
UART的收发是由单片机内部自带的串口模块来完成的,程序里我们只需要查询收发完成标志位,连续收发,检测出错标志位和纠错处理。大大的简化了程序的运行过程,也降低了程序时序的压力。
3)软件校表的程序:
软件校表的过程如下:我们对脉冲的采集,采集ADE7755输出的高频脉冲,1度电的高频脉冲输出个数为低频脉冲的整数倍,软件校表的过程就是通过串口通讯来调节1度电所对应的高频脉冲的个数,已达到计量准确的目的。
通讯协议的设计
规约格式:

图6:字节格式

图7:帧格式
·字节传输格式:0(1位起始位)XXXXXXXX(8位数据位)1(1位结束位),数据传输过程中允许每一个字节的空闲间隙为·通讯波特率:1200波特。
·3到5个FEH作为同步头,一个16H结束字。
·详细命令格式技术局返回格式请参照645规约(DL/T 645—1997)。
·帧格式,如图7所示。
通讯时,如果在限时内没有受到应答帧,则认为传输出错,重发先前的命令帧。重发最多3次,3次重发仍然无法受到应答帧时,则发出相应的故障提示信息。
结束语
有上述可以看出,基于NEC单片机UPD78F0485设计的付费率电表完全符合国家关于多费率电能表的标准GN/T15284-2002和多功能电能表的通讯规约DL/T645-1997的要求,并且具有功能合理,故障率低,外围器件少,计量精度高等特点,并且大大节省了硬件成本,增强了市场推广的可行性,另外,支持C语言的编译环境又为此款电表的实际开发缩短了开发周期。
系统组成
带软件校表功能的单向付费率表的系统结构如图 1 所示。实现原理为:电网的电流和电压信号通过分流器,被采样芯片采样过来,以脉冲(CF)的方式输出给单片机,单片机通过对电能高频脉冲CF的采集和分析,输出电能指示脉冲信号,供脉冲灯和校表用,吧并利用CF信号,计算出采集到的电量,送到LCD驱动,在LCD上显示,同时又写入EEPROM;EEPROM中除了保存电量信息外,还有表号等信息,这些信息可以通过红外和485通讯抄读和设置,也可以在LCD上显示。

硬件设计
硬件设计如图1所示,分为时钟供给模块、数据存储模块、脉冲采集模块、软件校表模块、掉电检测模块、红外输出模块、485通讯模块、电池电压检测模块、拉闸控制模块。主控芯片采用NEC单片机UPD78F0485,其基本特性如下:1.8"5.5V宽电压供电;内部集成PLL锁相环晶振电路,温漂极小;低功耗,副时钟工作的时候,功耗最低1uA;内部集成上电复位电路和低电压检测电路,方便做掉电数据存储;内部集成A/D,可以做电池电压检测;有沿触发外部中断,可以采集电量脉冲;内部集成了IIC电路和两个UART电路,方便2路通讯;并集成了2个16位定时器,2个8位定时器,通用I/O口众多。这些资源,都是UPD78F0485被用来设计电能表的重要原因。

下面就电能表中的一些主要硬件电路的设计做一个简要的分析。
1)485通讯电路设计:
在电能表系统中,抄表系统在抄表的时候只有固定的集中方式:485、载波、红外。485作为成本低、运行可靠、抄表速度快等特点,现在是抄表用的最广泛的一种方式。图2即为485电路的基本结构。此电路通过光耦把单片机输出的信号,隔离输出到3085芯片,3085芯片再把此信号转变成差分信号送给总线。接受的信号也要通过光耦隔离送回单片机。此电路的特点是3085的RE和DE两个引脚由一根引线一起控制,节省了单片机的一个I/O口,这种接法是有条件的,即电能表上的通讯不是绝对的全双工。由于485电路的差分信号传输距离比较远,一般布线的环境也比较恶劣,所以485线路必须有压敏电阻进行高压保护,而且还要有TVS管,防止瞬态的高压干扰和遭受雷击。

2)红外通讯电结构:
红外通讯电路在电表里使用非常广泛,是由于目前红外掌机抄表的方式还在很多地区使用。在这种市场需求的带动下,单片机有两路UART口来做通讯就变得必须了。如图3所示,在红外发射电路中,采用两个三极管叠加,其中TXD网络用来发送数据信号,38K网络用来发送载波信号,这样由于硬件电路的逻辑与作用使得LED3发送出我们预期的数据。这种电路只是红外发送电路的一种连接方式,也可以,采用一个三极管,在程序里面做TXD和38K的与运算。
3)计量电路:

图4:计量电路的结构
计量电路有ADE7755作为采样芯片,通过分流器也就是图上的锰痛片采集电压电流,内部计算成有功功率,然后以脉冲(CF)的方式输出。单片机采集这个脉冲,计算电量。图下方的很多电阻构成了电表的精度调节电路。
软件设计
电表运行状态分为常状态和低功耗状态。程序中设置了一个空闲标志,掉电的时候空闲标志位被置为1,在主程序中不断的检测这个标志,当此标志置1的时候,进入睡眠状态,以减少功耗。
软件功能的实现由各个子程序来完成,主要由红外通讯子程序、485通讯子程序、软件校表子程序、电量计算子程序、掉电处理子程序等构成。主程序流程图5所示。

图5:主程序软件流程图
此系统中,主要的程序集中在初始化、UART通讯和软件校表几个地方,这里予以简介。
1)初始化程序:
NEC单片机UPD78F0485本身具有丰富的内部资源,可以大大的减少外围器件的数量,也就减少了故障发生的几率。需要初始化的地方主要有:内部RAM,选项字节,中断控制寄存器,串口控制寄存器,定时器控制寄存器,LVI电路控制寄存器,看门狗控制寄存器,IIC电路控制寄存器,液晶驱动控制寄存器等。
2)UART收发程序:
UART的收发是由单片机内部自带的串口模块来完成的,程序里我们只需要查询收发完成标志位,连续收发,检测出错标志位和纠错处理。大大的简化了程序的运行过程,也降低了程序时序的压力。
3)软件校表的程序:
软件校表的过程如下:我们对脉冲的采集,采集ADE7755输出的高频脉冲,1度电的高频脉冲输出个数为低频脉冲的整数倍,软件校表的过程就是通过串口通讯来调节1度电所对应的高频脉冲的个数,已达到计量准确的目的。
通讯协议的设计
规约格式:

图6:字节格式

图7:帧格式
·字节传输格式:0(1位起始位)XXXXXXXX(8位数据位)1(1位结束位),数据传输过程中允许每一个字节的空闲间隙为·通讯波特率:1200波特。
·3到5个FEH作为同步头,一个16H结束字。
·详细命令格式技术局返回格式请参照645规约(DL/T 645—1997)。
·帧格式,如图7所示。
通讯时,如果在限时内没有受到应答帧,则认为传输出错,重发先前的命令帧。重发最多3次,3次重发仍然无法受到应答帧时,则发出相应的故障提示信息。
结束语
有上述可以看出,基于NEC单片机UPD78F0485设计的付费率电表完全符合国家关于多费率电能表的标准GN/T15284-2002和多功能电能表的通讯规约DL/T645-1997的要求,并且具有功能合理,故障率低,外围器件少,计量精度高等特点,并且大大节省了硬件成本,增强了市场推广的可行性,另外,支持C语言的编译环境又为此款电表的实际开发缩短了开发周期。
上一篇:高敏感度SAW滤波器在无线数据测量中的应用
下一篇:用现场可编程门阵列实现的频率计


