- 易迪拓培训,专注于微波、射频、天线设计工程师的培养
磁带运动方向显示器
录入:edatop.com 点击:
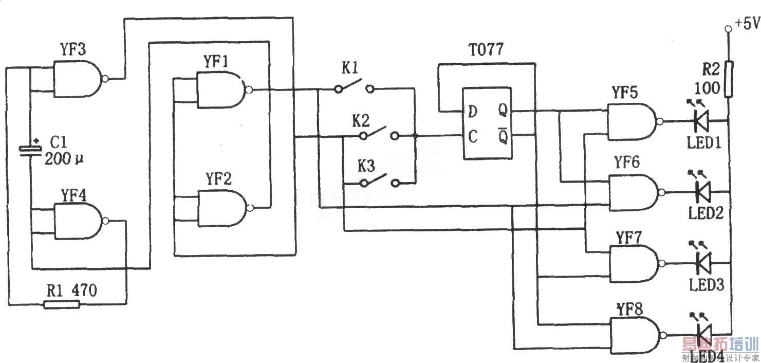
如图所示为磁带运动方向显示电路。该电路由矩形脉冲发生器、D触发器(T077)、译码电路、发光二极管LED1~LED4等组成。 矩形脉冲发生器由与非门YF1~YF4组成,其输出的信号频率为1~3Hz,改变C1、R1的值可调整相应频率。T077接成计数状态,以对矩形脉冲发生器输出的信号进行二分频。译码电路由与非门YF5~YF8组成,其输出信号控制发光二极管的显示,以便在录音机工作时LED1~LED4依次发光,指示出磁带运转的方向。发光点移动方向取决于脉冲发生器输出脉冲的极性。电路中与非门YF1输出正向脉冲,与非门YF3输出负向脉冲,转换开关K1~K3以机械方式分别与录音机的“REW”、“FF”、“PLAY”键相连,当按下其中一个功能键时,相应的触发信号便加入触发器,使发光二极管以相应的形式发光,显示磁带的运动方向。如果按下“STOP”键,则电路的显示状态被破坏,仅有一对发光二极管以脉冲发生器的振荡频率间断地闪烁,表示录音机虽接通,但磁带不运动。


上一篇:555构成的多路温度测试电路
下一篇:万用表附加场强计电路


