- 易迪拓培训,专注于微波、射频、天线设计工程师的培养
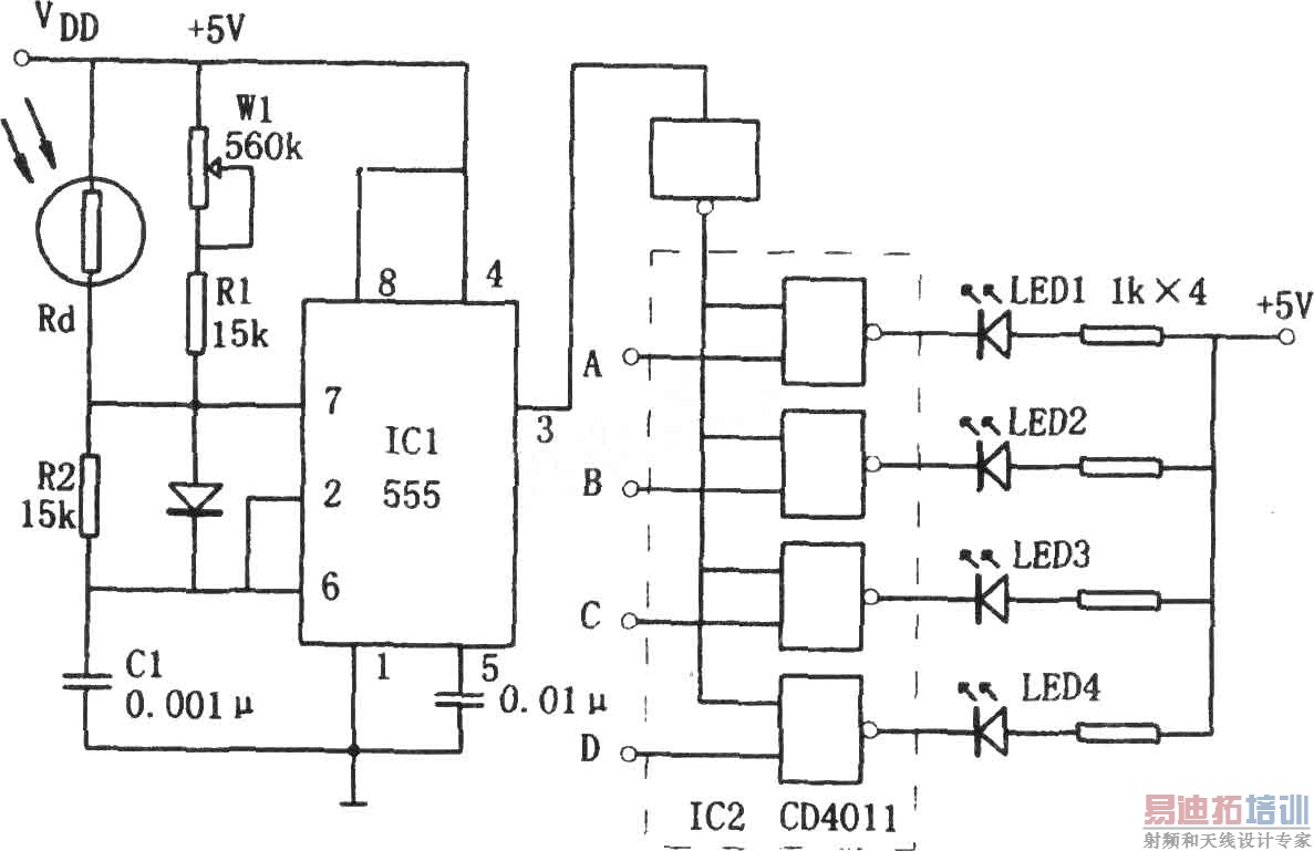
555构成的亮度显示电路
录入:edatop.com 点击:
如图所示为亮度显示电路。该电路由光敏传感器、振荡电路、二极管显示电路等组成。其中光敏传感器即光敏电阻Rd。 对由Rd、R1、W1、R2、C1、555等组成的多谐振荡器。其振荡厨期为7=f充+妇。其中T充=0.693R2C1,t放=0.693(Rw1+R1)Rd/(Rw1+R1+Rd)C1。由于Rd随光线强弱的变化两鞠不同的电阻,从而使振荡频率f=1/T发生变化,振荡波形的占空比D=t充/T也发生变化。当光照增强时,振荡频率升高,占空比变小,振荡信号与相应端(A、B、C、D)经过IC2(CD4011)后驱动相应的发光二极管工作,使LED的亮度增加。


上一篇:万用表附加场强计电路
下一篇:HP-15湿度表电路~*


